ЛР2. Исследование схем построения ЦАП и АЦП (1058392), страница 3
Текст из файла (страница 3)
Схема включения ИНУН с выходным напряжением прямоугольной формы показана на рис. 14, а. Кроме собственно ИНУН VF схема содержит источник линейно изменяющегося (пилообразного) напряжения на интеграторе (элементы ОУ1, R1 и С1)) постоянного напряжения U.
Осциллограммы сигналов на входе и выходе ИНУН, параметры которого установлены в соответствии с приведенными выше данными, показаны на рис. 14,б, откуда видно, что при входном напряжении около 10 В (результаты измерений в строках VA1 и VA2 индикаторных окон) длительность двух периодов импульсной последовательности составляет около 200 мс (результаты измерений в строке Т2-Т1 индикаторного окна), т. е. частота импульсов соответствует установленным значениям параметров С2 и F2 в диалоговом окне. Следовательно, коэффициент преобразования составляет 1 Гц/В.
Контрольные вопросы и задания
-
Рассчитайте коэффициент нелинейности преобразования схемы на рис. 14 при малых входных напряжениях, если в качестве коэффициента преобразования принять значение 1 Гц/B?
-
Проведите испытания схемы преобразователя на рис. 14, а при значениях параметров F1, F2, и F3, увеличенных в 10 и 100 раз по сравнению с рассмотренным случаем. Определите минимальное входное напряжение, при котором нелинейность преобразования не превышает 10%.
-
АЦП уравновешивающего типа
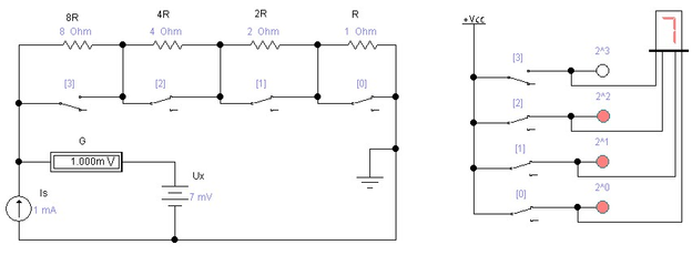
Задолго до появления современных АЦП в измерительной технике уже использовались аналогичные устройства (так называемые потенциометры), позволявшие получать цифровой отсчет измеряемой величины с достаточно высокой точностью по положению ручек управления, с помощью которых производилось ручное уравновешивание схемы. В четырехразрядном «потенциометре» на рис. 15 измеряемое напряжение Ux сравнивается с падением напряжения на резисторах R...8R, включаемых в цепь калиброванного источника тока Is с помощью сдвоенных переключателей 1...3; вторая половина этих переключателей используется в схеме индикации получаемого кода в двоичной и десятичной форме. Индикатором равенства измеряемого и компенсирующего напряжения служит гальванометр G: при равенстве указанных напряжений гальванометр будет иметь нулевые показания.
Как следует из рис. 15, самая первая (старшая) ступень равна 8 мВ, вторая — 4 мВ, третья — 2 мВ и последняя (самая младшая) — 1 мВ. Перед уравновешиванием все переключатели находятся в замкнутом положении, и нуль-орган (гальванометр G) показывает, что измеряемое напряжение Ux превышает компенсирующее, равное в исходном состоянии нулю. Первой включается первая ступень, включающая компенсирующее напряжение величиной 8 мВ. Поскольку Ux < 8 мВ, то нуль-орган зафиксирует перекомпенсацию, поэтому эта ступень выключается. На втором шаге включается вторая ступень (4 мВ), при этом нуль-орган зафиксирует недокомпенсацию, поэтому эта ступень остается включенной и к ней переключателем 1 добавляется третья ступень величиной 2 мВ. Однако и в этом случае нуль-орган зафиксирует недокомпенсацию. Поэтому на третьем шаге ключом 0 добавляется четвертая ступень величиной 1 мВ, после чего нуль-органом фиксируется нулевой результат, что соответствует равенству измеряемого и компенсирующего напряжений. При этом на выходе "преобразователя" получаем двоичный код 0111 и его десятичный эквивалент 7. Рассмотренный алгоритм преобразования носит название поразрядного уравновешивания.
Возможен и другой способ уравновешивания, при котором этот процесс начинается с четвертой ступени (1 мВ). Если при этом фиксируется недокомпенсация, то переключатель 0 выключается и переключателем 1 включается третья ступень (2 мВ). При недокомпенсацнн переключателем 0 дополнительно подключается четвертая ступень, что в сумме дает 3 мВ. При недокомпенсации четвертая и третья ступени выключаются и переключателем 2 включается третья ступень (4 мВ). Далее поочередно подключаются четвертая и третья ступень, что обеспечивает увеличение компенсирующего напряжения на каждом шаге уравновешивания на величину одного кванта, равного в нашем случае 1 мВ. Уравновешивание заканчивается, когда при очередном добавлении одного кванта к компенсирующему напряжению последнее становится больше измеряемого. Рассмотренный метод преобразования получил название метода последовательного счета или развертывающего преобразования.
Рис. 15. Упрощенная схема четырехразрядного АЦП
Рис. 16. Схема АЦП с ГПН (а) и осциллограммы его сигналов (б, в)
АЦП развертывающего типа может быть реализован также с использованием в качестве источника компенсирующего напряжения прецизионного ГПН. Схема шестиразрядного АЦП в таком исполнении содержит (см. рис. 16, а) шестиразрядный счетчик на триггерах D0...D5, двухвходовой элемент И U, генератор опорной частоты Us, компаратор на ОУ1 и ГПН на ОУ2 с элементами R, С и U. Для согласования выходного сигнала компаратора с логическим элементом И положительное напряжение насыщения ОУ1 выбрано равным +5 В, отрицательное — 0 В. Переключатель X используется для оперативного контроля сигналов на выходе компаратора и элемента И (осциллограммы А на рис. 16, б, в). Скорость изменения выходного напряжения ГПН (осциллограммы В на рис. 16, б, в) равна v = U/RC = 1/106∙10-6 = 1 В/с. В момент пуска АЦП (начало моделирования) под действием преобразуемого напряжения Ux на выходе компаратора формируется сигнал логической единицы (см. осциллограмму А на рис. 16, б), в результате чего на вход счетчика через схему И начинают поступать импульсы с источника однополярных импульсов Us (см. осциллограмму А на рис. 16, в). Одновременно запускается и ГПН, выходное напряжение которого Ug = v-t, начиная с момента t1 = 0, непрерывно сравнивается с Ux. Когда в момент, времени t = t2∙Ug достигает значения Ux, срабатывает компаратор, в результате чего на его выходе формируется сигнал логического нуля, схема И блокируется и поступление импульсов на счетчик прекращается. Промежуток времени, в течение которого импульсы от источника Us поступали на вход счетчика с частотой следования F = 10 Гц, равно ∆t = t2 – t1 = Ux/v. Зарегистрированное счетчиком за это время число импульсов N = FЧUx/v = 10∙2,5/1 = 25 совпадает с показаниями индикаторов 20 + 23 + 24 = 25.
Контрольные вопросы и задания
-
Охарактеризуйте два способа уравновешивающего преобразования и проведите их сравнительный анализ по длительности процесса уравновешивания.
-
Руководствуясь данными Приложения 5, определите основные характеристики АЦП на рис. 16, а.
-
В АЦП на рис. 16, а обнуление (сброс) счетчика осуществляется программой автоматически в момент пуска. Каким образом это может быть реализовано в практической конструкции АЦП аналогичного типа? Разработайте схему обнуления счетчика перед каждым циклом преобразования и проведите ее испытания.
17
















