Документация (1058292), страница 4
Текст из файла (страница 4)
Схема:
4.5 Функциональная схема цифрового управляющего устройства
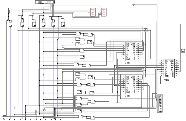
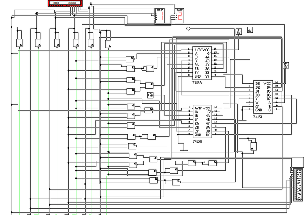
Функциональная схема разработанного цифрового управляющего устройства на основе мультиплексоров с 8-мью и 2-мя информационными входами и элементов Шеффера представлена на рисунке № 4.
5. Разработать функциональную схему ЦУУ, заданного логической функцией от 6-ти переменных на основе мультиплексоров с 8-ю и 2-мя информационными входами и двухвходовых логических элементов Шеффера.(2-ой вариант)
Построение схемы 8-2.
5.1 Построение таблицы на основе 1-ого уровня мультиплексирования
Управляющими сигналами мультиплексора по заданию являются сигналы X5 на первом уровне мультиплексирования и X4, X3, X1 на втором уровне мультиплексирования.
| У | |||
| 0 | 1 | ||
| 2 | 1 | ||
| 4 | 1 | ||
| 5 | 1 | ||
| 6 | 1 | ||
| 9 | 1 | ||
| 10 | 1 | ||
| 12 | 1 | ||
| 16 | 1 | ||
| 17 | 1 | ||
| 20 | 1 | ||
| 22 | 1 | ||
| 23 | 1 | ||
| 25 | 1 | ||
| 26 | 1 | ||
| 30 | 1 | ||
| 34 | 1 | ||
| 35 | 1 | ||
| 37 | 1 | ||
| 38 | 1 | ||
| 39 | 1 | ||
| 40 | 1 | ||
| 43 | 1 | ||
| 45 | 1 | ||
| 49 | 1 | ||
| 50 | 1 | ||
| 51 | 1 | ||
| 52 | 1 | ||
| 56 | 1 | ||
| 57 | 1 | ||
| 59 | 1 | ||
| 61 | 1 |
5.2 Первый уровень мультиплексирования
После выделения управляющих переменных для мультиплексоров 1-ого уровня, были получены следующие логические функции от четырех переменных, соответствующие входам мультиплексора 1-ого уровня мультиплексирования.
5.3 Второй уровень мультиплексирования
В данном случае второй уровень мультиплексирования реализует 2 функции для информационных входов мультиплексора первого уровня. При этом используются восьмивходовые мультиплексоры.
Для распределения сигналов по входам мультиплексора второго уровня также используются карты Карно соответствующих логических функций. Рассмотрим построение входных сигналов для мультиплексоров второго уровня.
В качестве управляющих переменных выбраны переменные Х4Х3Х1
D0:
| X4, X3, X1 X2,X0 | 000 | 001 | 011 | 010 | 110 | 111 | 101 | 100 |
| 00 | 1 | 1 | 1 | 1 | 1 | |||
| 01 | 1 | 1 | 1 | |||||
| 11 | 1 | 1 | ||||||
| 10 | 1 | 1 | 1 | 1 | 1 | 1 | ||
| D0 | D1 | D3 | D2 | D6 | D7 | D5 | D4 |
Входные сигналы для информационных входов 1 мультиплексора первого уровня:
D1:
| X3, X2, X1 X5,X0 | 000 | 001 | 011 | 010 | 110 | 111 | 101 | 100 |
| 00 | 1 | 1 | 1 | 1 | ||||
| 01 | 1 | 1 | 1 | 1 | 1 | 1 | ||
| 11 | 1 | 1 | 1 | 1 | ||||
| 10 | 1 | 1 | ||||||
| D0 | D1 | D3 | D2 | D6 | D7 | D5 | D4 |
Входные сигналы для информационных входов 2 мультиплексора первого уровня:
5.4 Обоснование выбора серии логических элементов
Для построения устройств автоматики и вычислительной техники широкое применение находят цифровые микросхемы серии К 155, которые изготавливают по стандартной технологии биполярных микросхем транзисторно-транзисторной логики (ТТЛ). Имеется свыше 100 наименований микросхем серии К 155. При всех своих преимуществах - высоком быстродействии, обширной номенклатуре, хорошей помехоустойчивости - эти микросхемы обладают большой потребляемой мощностью.
Было использовано 9 микросхем (6 К155ЛА8 и 3 К155КП7).
Анализатор:
5.5 Функциональная схема цифрового управляющего устройства
Функциональная схема разработанного цифрового управляющего устройства на основе мультиплексоров с 8-мью и 2-мя информационными входами и элементов Шеффера представлена на рисунке № 5.
6. Вывод
На основе проделанной работы можно сделать следующие выводы:
Как видно из спецификации к функциональным схемам, Цифровое Устройство Управления на основе мультиплексора имеет меньше микросхем, а значит при таком синтезе схема потребляет меньше мощности и выигрывает по стоимости.
7. Заключение
Мультиплексор позволяет реализовать логические функции, значительно снижая количество элементарных элементов. Вследствие этого мультиплексоры использовать гораздо предпочтительнее, чем простые элементы. Кроме этого их использование делает схему проще и нагляднее, снижает вероятность возникновения ошибки и время обработки самой функции.
8. Список литературы
1. Методические указания к курсовой работе.
2. Цифровые и аналоговые интегральные микросхемы: Справочник / С.В.Якубовский, Л.И. Ниссельсон, В.И. Кулешова и др. Под ред. С.В. Якубовского – М.: Радио и связь, 1990. – 496 с.: ил.
3. Дискретная математика.: Учебник для втузов. А.И.Белоусов, С.Б.Ткачев– М.: МГТУ.
4. Конспект лекций по Архитектуре ЭВМ..: Лекции. Преп. Спиридонов С.Б.– М.: МГТУ.
9. Приложение
Описание микросхем, используемых в курсовой работе
Двухвходовой логический элемент Пирса
В качестве двухвходового логического элемента Пирса была выбрана микросхема К155ЛЕ1. Микросхема представляет собой четыре логических элемента 2ИЛИ-НЕ в одном корпусе.
Электрические параметры:
| 1 | Номинальное напряжение питания | 5 В |
| 2 | Выходное напряжение низкого уровня | не более 0,4 В |
| 3 | Выходное напряжение высокого уровня | не менее 2,4 В |
| 4 | Входной ток низкого уровня | не более -1,6 мА |
| 5 | Входной ток высокого уровня | не более 0,04 мА |
| 6 | Входной пробивной ток | не более 1 мА |
| 7 | Ток потребления при низком уровне выходного напряжения | не более 33 мА |
| 8 | Ток потребления при высоком уровне выходного напряжения | не более 12 мА |
| 9 | Потребляемая статическая мощность на один логический элемент | не более 19,7 мВт |
| 10 | Время задержки распространения при включении | не более 15 нс |
| 11 | Время задержки распространения при выключении | не более 22 нс |
Трехвходовой логический элемент Пирса
В качестве двухвходового логического элемента Пирса выбрана микросхема К155ЛЕ4. Микросхема представляет собой четыре логических элемента 3ИЛИ-НЕ.
Электрические параметры:
| 1 | Номинальное напряжение питания | 5 В |
| 2 | Выходное напряжение низкого уровня | не более 0,4 В |
| 3 | Выходное напряжение высокого уровня | не менее 2,4 В |
| 4 | Входной ток низкого уровня | не более -1,6 мА |
| 5 | Входной ток высокого уровня | не более 0,04 мА |
| 6 | Входной пробивной ток | не более 1 мА |
| 7 | Ток потребления при низком уровне выходного напряжения | не более 16 мА |
| 8 | Ток потребления при высоком уровне выходного напряжения | не более 26 мА |
| 9 | Потребляемая статическая мощность на один логический элемент | не более 36,75 мВт |
| 10 | Время задержки распространения при включении | не более 11 нс |
| 11 | Время задержки распространения при выключении | не более 15 нс |
Двухвходовые логические элементы Шеффера
















