Документация (1058292), страница 3
Текст из файла (страница 3)
3.2 Карта Карно заданной логической функции
Карта Карно заданной логической функции имеет следующий вид:
3.3 Склейки карты Карно и МДНФ функции
Итоговая МДНФ будет выглядеть так:
Y2=K1+K2+K3+K4+K5+K6+K7+K8+K9+K10+K11+K12+K13+K14+K15+K16
Проверка:
Теперь реализуем на базисе двух- и трехвходовых логических элементов Пирса логическую функцию.
3.4 Обоснование выбора серий логических элементов
Для построения устройств автоматики и вычислительной техники широкое применение находят цифровые микросхемы серии К155
4.4.1 Двухвходовой логический элемент Пирса
В качестве двухвходового логического элемента Пирса оптимальным выбором будет микросхема К155ЛЕ1. Микросхема представляет собой четыре логических элемента 2ИЛИ-НЕ.
4.4.2 Трехвходовой логический элемент Пирса
В качестве трехвходового логического элемента Пирса оптимальным выбором будет микросхема К155ЛЕ4. Микросхема представляет собой три логических элемента 3ИЛИ-НЕ.
Анализатор:
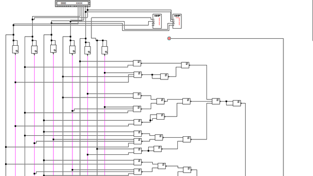
Схема:
Схема по кускам:
3.5 Функциональная схема цифрового управляющего устройства
Функциональная схема разработанного цифрового управляющего устройства на основе элементов Пирса представлена на рисунке № 3.
4. Разработать функциональную схему ЦУУ, заданного логической функцией от 6-ти переменных на основе мультиплексоров с 8-ю и 2-мя информационными входами и двухвходовых логических элементов Шеффера.(1-ый вариант)
Построение схемы 2-8
4.1 Карта Карно
Согласно заданию, требуется реализовать ЦУУ на мультиплексорах с 2-мя и 8-ю информационными входами и управляющими сигналами X4, X3, X1 и X5. Для распределения сигналов по информационным входам мультиплексора используется метод карт Карно.
Y=(0,2,4,5,6,9,10,12,16,17,20,22,23,25,26,30,34,35,37,38,39,40,43,45,49,50,51,52,
56,57,59,61)
| X0, X2, X5 X1, X3, X4 | 000 | 001 | 011 | 010 | 110 | 111 | 101 | 100 | |
| 000 | 1 | 1 | 1 | 1 | D0 | ||||
| 001 | 1 | 1 | 1 | 1 | 1 | D1 | |||
| 011 | 1 | 1 | 1 | 1 | D3 | ||||
| 010 | 1 | 1 | 1 | 1 | D2 | ||||
| 110 | 1 | 1 | D6 | ||||||
| 111 | 1 | 1 | 1 | D7 | |||||
| 101 | 1 | 1 | 1 | 1 | D5 | ||||
| 100 | 1 | 1 | 1 | 1 | 1 | 1 | D4 |
4.2 Минимизация логических функций после выделения управляющих переменных на 1-ом уровне мультиплексирования
Реализацию ЦУУ следует начать с первого уровня мультиплексирования, то есть с распределения входных сигналов на мультиплексор с восемью информационными входами и управляющими сигналами X4, X3, X1.
Для распределения сигналов по информационным входам мультиплексора обозначим строки карты Карно номерами входов мультиплексора соответственно номеру строки в двоичной системе счисления:
Далее полученные логические функции для 8 входов мультиплексора первого уровня реализуются на двухвходовых мультиплексорах второго уровня.
4.3 Карты Карно, устанавливающие соответствие информационных входов мультиплексоров 2-ого уровня выбранным управляющим переменным.
Второй уровень мультиплексирования
Второй уровень мультиплексирования реализует функции для каждого информационного входа мультиплексора первого уровня. При этом используются двухвходовые мультиплексоры. Для распределения сигналов по входам мультиплексора второго уровня также используются карты Карно соответствующих логических функций. Рассмотрим построение входных сигналов для мультиплексоров второго уровня.
В качестве управляющей переменной выбрана переменная X5.
-
Для входа D0:
-
Для входа D1:
-
Для входа D2:
-
Для входа D3:
-
Для входа D4:
-
Для входа D5:
-
Для входа D6:
-
Для входа D7:
| X0,X2 X5 | 00 | 01 | 11 | 10 | Входные сигналы для информационных входов 8 мультиплексора второго уровня: | |
| 0 | 1 | 1 | ||||
| 1 | 1 |
4.4 Обоснование выбора серии логических элементов
Для построения устройств автоматики и вычислительной техники широкое применение находят цифровые микросхемы серии К 155, которые изготавливают по стандартной технологии биполярных микросхем транзисторно-транзисторной логики (ТТЛ). Имеется свыше 100 наименований микросхем серии К 155. При всех своих преимуществах - высоком быстродействии, обширной номенклатуре, хорошей помехоустойчивости - эти микросхемы обладают большой потребляемой мощностью. Поэтому им на смену выпускают микросхемы серии К555, принципиальное отличие которых - использование транзисторов с коллекторными переходами, зашунтированными диодами Шоттки. В результате транзисторы микросхем серии К555 не входят в насыщение, что существенно уменьшает задержку выключения транзисторов. К тому же они значительно меньших размеров, что уменьшает емкости их р-n-переходов. В результате при сохранении быстродействия микросхем серии К555 на уровне серии К155 удалось уменьшить ее потребляемую мощность примерно в 4...5 раз.
Было использовано 9 микросхем (6 К155ЛА8, 2 К555КП11 и 1 К155КП7).
Анализатор:
















