[МП] Курсовой (1058251), страница 3
Текст из файла (страница 3)
3.2.1.3. Обоснование выбора серий логических элементов
Для построения устройств автоматики и вычислительной техники широкое применение находят цифровые микросхемы серии К155, которые изготавливают по стандартной технологии биполярных микросхем транзисторно-транзисторной логики (ТТЛ). Имеется свыше 100 наименований микросхем серии К155.
При всех своих преимуществах - высоком быстродействии, обширной номенклатуре, хорошей помехоустойчивости - эти микросхемы обладают большой потребляемой мощностью. Поэтому им на смену выпускают микросхемы серии К555, принципиальное отличие которых - использование транзисторов с коллекторными переходами, зашунтированными диодами Шоттки. В результате транзисторы микросхем серии К555 не входят в насыщение, что существенно уменьшает задержку выключения транзисторов. К тому же они значительно меньших размеров, что уменьшает емкости их р-n-переходов.
В результате при сохранении быстродействия микросхем серии К555 на уровне серии К155 удалось уменьшить ее потребляемую мощность примерно в 5 раз.
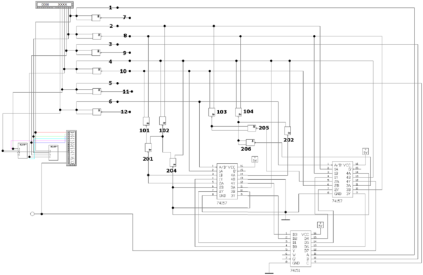
3.2.1.4. Модельная схема
Рисунок 6. Модельная схема.
3.2.2. Второй вариант синтеза
3.2.2.1. Первый уровень мультиплексирования
Таблица 5. Управляющая переменная
| термы функции | функция | ||
| 0 | 1 | ||
| 1 | 1 | ||
| 3 | 1 | ||
| 4 | 1 | ||
| 6 | 1 | ||
| 10 | 1 | ||
| 11 | 1 | ||
| 14 | 1 | ||
| 16 | 1 | ||
| 17 | 1 | ||
| 19 | 1 | ||
| 20 | 1 | ||
| 24 | 1 | ||
| 28 | 1 | ||
| 29 | 1 | ||
| 31 | 1 | ||
| 32 | 1 | ||
| 33 | 1 | ||
| 34 | 1 | ||
| 37 | 1 | ||
| 39 | 1 | ||
| 43 | 1 | ||
| 44 | 1 | ||
| 45 | 1 | ||
| 46 | 1 | ||
| 50 | 1 | ||
| 51 | 1 | ||
| 53 | 1 | ||
| 55 | 1 | ||
| 58 | 1 | ||
| 60 | 1 | ||
| 63 | 1 |
3.2.2.2. Второй уровень мультиплексирования
В данном случае второй уровень мультиплексирования реализует две функции для информационных входов мультиплексора первого уровня. При этом используются восьмивходовые мультиплексоры.
Для распределения сигналов по входам мультиплексора второго уровня также используются карты Карно соответствующих логических функций.
Рассмотрим построение входных сигналов для мультиплексоров второго уровня.
Таблица 6. Входные сигналы для информационных входов первого мультиплексора
Таблица 7. Входные сигналы для информационных входов второго мультиплексора
3.2.2.3. Обоснование выбора серий логических элементов
Для построения устройств автоматики и вычислительной техники широкое применение находят цифровые микросхемы серии К155, которые изготавливают по стандартной технологии биполярных микросхем транзисторно-транзисторной логики (ТТЛ). Имеется свыше 100 наименований микросхем серии К155. При всех своих преимуществах - высоком быстродействии, обширной номенклатуре, хорошей помехоустойчивости - эти микросхемы обладают большой потребляемой мощностью.
3.2.2.4. Модельная схема
Рисунок 7. Модельная схема.
4. Вывод
На основе проделанной работы можно сделать следующие выводы: как видно из спецификации к функциональным схемам, ЦУУ на основе мультиплексора имеет меньше микросхем, а значит при таком синтезе схема потребляет меньше мощности и выигрывает по стоимости.
5. Заключение
Мультиплексор позволяет реализовать логические функции, значительно снижая количество элементарных элементов. Вследствие этого мультиплексоры использовать гораздо предпочтительнее, чем простые элементы. Кроме этого их использование делает схему проще и нагляднее, снижает вероятность возникновения ошибки и время обработки самой функции.
6. Список литературы
-
Методические указания к курсовой работе.
-
Цифровые и аналоговые интегральные микросхемы: Справочник / С.В.Якубовский, Л.И. Ниссельсон, В.И. Кулешова и др. Под ред. С.В. Якубовского – М.: Радио и связь, 1990. – 496 с.: ил.
-
Дискретная математика.: Учебник для втузов. А.И.Белоусов, С.Б.Ткачев– М.: МГТУ.
-
Конспект лекций по Архитектуре ЭВМ: Лекции. Преп. Спиридонов С.Б.– М.: МГТУ.
7. Приложение
Показания Logic Analyzer:
1.















