[МП] Курсовой (1058251)
Текст из файла
Московский Государственный Технический Университет им. Н.Э.Баумана.
КУРСОВАЯ РАБОТА
по курсу “МИКРОПРОЦЕССОРЫ В УПРАВЛЯЮЩИХ СИСТЕМАХ».
(VII семестр)
ВАРИАНТ №18
Выполнил: Принял:
Студент гр. ИУ5-79 к.т.н., доцент Шигин А.В.
________ / Сидякин А.А. / ______________________
"___"______________2011 "___"______________2011
Москва 2011
Содержание
| 1. | Техническое задание | 3 |
| 2. | Синтез ЦУУ, заданного логической функцией от пяти двоичных переменных | 4 |
| 2.1. | На основе двух- и трёхвходовых логических элементов Шеффера | 4 |
| 2.1.1. | Карта Карно и минимизация логической функции | 4 |
| 2.1.2. | Обоснование выбора серий логических элементов | 6 |
| 2.1.3. | Модельная схема | 6 |
| 2.2. | На основе мультиплексоров с четырьмя информационными входами и элементов Пирса | 7 |
| 2.2.1. | Карта Карно и соответствие информационных входов мультиплексора с заданными управляющими переменными | 7 |
| 2.2.2. | Обоснование выбора серий логических элементов | 8 |
| 2.2.3. | Модельная схема | 8 |
| 3. | Синтез ЦУУ, заданного логической функцией от шести двоичных переменных | 9 |
| 3.1. | На основе двух- и трёхвходовых логических элементов Пирса | 9 |
| 3.1.1. | Карта Карно и минимизация логической функции | 9 |
| 3.1.2. | Обоснование выбора серий логических элементов | 12 |
| 3.1.3. | Модельная схема | 12 |
| 3.2. | На основе мультиплексоров с двумя и восемью информационными входами и двухвходовых логических элементов Шеффера | 13 |
| 3.2.1. | Первый вариант синтеза | 13 |
| 3.2.1.1. | Первый уровень мультиплексирования | 13 |
| 3.2.1.2. | Второй уровень мультиплексирования | 15 |
| 3.2.1.3. | Обоснование выбора серий логических элементов | 17 |
| 3.2.1.4. | Модельная схема | 17 |
| 3.2.2. | Второй вариант синтеза | 18 |
| 3.2.2.1. | Первый уровень мультиплексирования | 18 |
| 3.2.2.2. | Второй уровень мультиплексирования | 19 |
| 3.2.2.3. | Обоснование выбора серий логических элементов | 22 |
| 3.2.2.4. | Модельная схема | 22 |
| 4. | Вывод | 23 |
| 5. | Заключение | 23 |
| 6. | Список литературы | 23 |
| 7. | Приложение | 24 |
1. Техническое задание
1. Произвести синтез цифрового устройства управления (ЦУУ) в базисах мультиплексоров, логических элементов Шеффера и Пирса в соответствии с заданным вариантом логической функции и управляющих переменных.
• ЦУУ задано логической функцией от пяти двоичных переменных:
Произвести синтез:
а) на основе двух- и трёхвходовых логических элементов Шеффера.
б) на основе мультиплексоров с четырьмя информационными входами и элементов Пирса.
• ЦУУ задано логической функцией от шести двоичных переменных:
Произвести синтез:
а) на основе двух- и трёхвходовых логических элементов Пирса.
б) на основе мультиплексоров с двумя и восемью информационными входами (два варианта) и двухвходовых логических элементов Шеффера.
2. Произвести схемотехническое моделирование синтезированных схем ЦУУ с помощью программы Electronics Workbench (EWB).
3. Продемонстрировать работоспособность полученных моделей ЦУУ с индикацией заданных значений логической функции с помощью Word Generator из EWB и результата на выходе схемы с помощью Logic Analyzer и лампочки.
2. Синтез ЦУУ, заданного логической функцией от пяти двоичных переменных
2.1. На основе двух- и трёхвходовых логических элементов Шеффера
2.1.1. Карта Карно и минимизация логической функции
Таблица 1. Десятичные термы логической функции в двоичном виде.
Карта Карно данной логической функции:
Рисунок 1. Карта Карно логической функции.
Сгруппируем слагаемые:
Приведём к базису И-НЕ:
2.1.2. Обоснование выбора серий логических элементов
Для построения устройств автоматики и вычислительной техники широкое применение находят цифровые микросхемы серии К155, которые изготавливают по стандартной технологии биполярных микросхем транзисторно-транзисторной логики (ТТЛ). Имеется свыше 100 наименований микросхем серии К155. При всех своих преимуществах - высоком быстродействии, обширной номенклатуре, хорошей помехоустойчивости - эти микросхемы обладают большой потребляемой мощностью.
В качестве двухвходового логического элемента Шеффера оптимальным выбором будет микросхема К155ЛА8.
В качестве трёхвходового логического элемента Шеффера оптимальным выбором будет микросхема К155ЛА4.
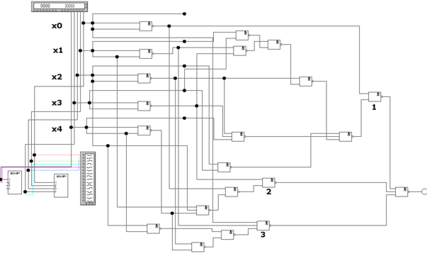
2.1.3. Модельная схема
Модельная схема разработанного ЦУУ на основе элементов Шеффера представлена на рисунке №2.
Рисунок 2. Модельная схема в базисе И-НЕ.
2.2. На основе мультиплексоров с четырьмя информационными входами и элементов Пирса
2.2.1. Карта Карно и соответствие информационных входов мультиплексора с заданными управляющими переменными.
Таблица 2. Соответствие значений функции управляющим переменным.
| термы функции | функция | ||||
| 0 | 1 | ||||
| 1 | 1 | ||||
| 3 | 1 | ||||
| 5 | 1 | ||||
| 6 | 1 | ||||
| 7 | 1 | ||||
| 9 | 1 | ||||
| 10 | 1 | ||||
| 12 | 1 | ||||
| 14 | 1 | ||||
| 16 | 1 | ||||
| 17 | 1 | ||||
| 18 | 1 | ||||
| 19 | 1 | ||||
| 21 | 1 | ||||
| 23 | 1 | ||||
| 26 | 1 | ||||
| 28 | 1 | ||||
| 29 | 1 | ||||
| 30 | 1 |
Входы мультиплексора:
Характеристики
Тип файла документ
Документы такого типа открываются такими программами, как Microsoft Office Word на компьютерах Windows, Apple Pages на компьютерах Mac, Open Office - бесплатная альтернатива на различных платформах, в том числе Linux. Наиболее простым и современным решением будут Google документы, так как открываются онлайн без скачивания прямо в браузере на любой платформе. Существуют российские качественные аналоги, например от Яндекса.
Будьте внимательны на мобильных устройствах, так как там используются упрощённый функционал даже в официальном приложении от Microsoft, поэтому для просмотра скачивайте PDF-версию. А если нужно редактировать файл, то используйте оригинальный файл.
Файлы такого типа обычно разбиты на страницы, а текст может быть форматированным (жирный, курсив, выбор шрифта, таблицы и т.п.), а также в него можно добавлять изображения. Формат идеально подходит для рефератов, докладов и РПЗ курсовых проектов, которые необходимо распечатать. Кстати перед печатью также сохраняйте файл в PDF, так как принтер может начудить со шрифтами.















