ПЗ (1058127), страница 3
Текст из файла (страница 3)
После распределения сигналов по входам мультиплексора были получены следующие выражения:
2.4 Приведение к элементам Пирса.
2.5 Обоснование выбора серии логических элементов
Для построения устройств автоматики и вычислительной техники широкое применение находят цифровые микросхемы серии К 155, которые изготавливают по стандартной технологии биполярных микросхем транзисторно-транзисторной логики (ТТЛ). Имеется свыше 100 наименований микросхем серии К 155. При всех своих преимуществах - высоком быстродействии, обширной номенклатуре, хорошей помехоустойчивости - эти микросхемы обладают большой потребляемой мощностью.
Мультиплексор с 4-мя информационными входами
В качестве мультиплексора с 4-мя информационными входами оптимальным выбором будет микросхема К155КП2. Микросхема представляет собой сдвоенный селектор-мультиплексор 4-1 с общими входами выбора данных и раздельными входами стробирования.
Так же использовались схемы К155ЛЕ1 (четыре логических элемента 2ИЛИ-НЕ).
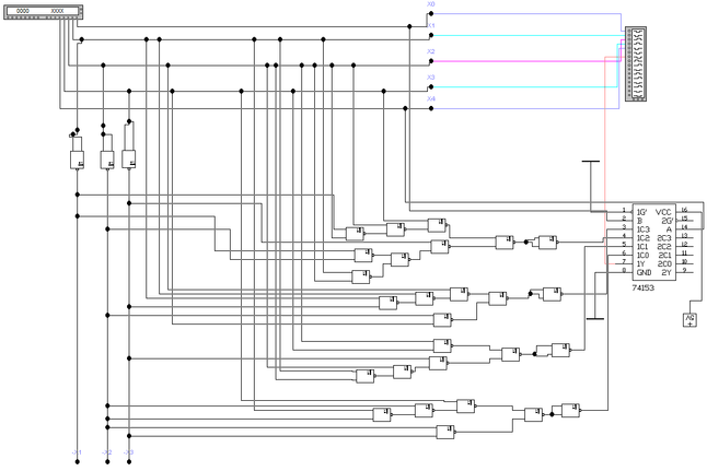
2.6 Функциональная схема цифрового управляющего устройства
Функциональная схема разработанного цифрового управляющего устройства на основе мультиплексоров с 4-мя информационными входами и элементов Пирса представлена на рисунке № 2.
Проведем моделирование. Для этого построим в программном пакете Electonics WorkBenсh следующую схему:
Для сравнения результатов работы схемы с таблицей истинности воспользуемся инструментом Logic Analyzer:
3. Произвести синтез цифрового устройства управления (ЦУУ), заданного логической функцией от 6-ти переменных на основе двух- и трехвходовых логических элементов Пирса
3.1 Табличная форма заданной логической функции
Табличная форма заданной логической функции, минтермы которой заданы в виде чисел в десятичной системе счисления, имеет вид:
Y=(0,2,3,5,6,10,14,15,17,18,19,20,23,25,29,303,31,32,36,37,39,41,44,46,49,50,51,53,54,56,60,61)
| N | X5 | X4 | X3 | X2 | X1 | X0 | Y |
| 0 | 0 | 0 | 0 | 0 | 0 | 0 | 1 |
| 1 | 0 | 0 | 0 | 0 | 0 | 1 | 0 |
| 2 | 0 | 0 | 0 | 0 | 1 | 0 | 1 |
| 3 | 0 | 0 | 0 | 0 | 1 | 1 | 1 |
| 4 | 0 | 0 | 0 | 1 | 0 | 0 | 0 |
| 5 | 0 | 0 | 0 | 1 | 0 | 1 | 1 |
| 6 | 0 | 0 | 0 | 1 | 1 | 0 | 1 |
| 7 | 0 | 0 | 0 | 1 | 1 | 1 | 0 |
| 8 | 0 | 0 | 1 | 0 | 0 | 0 | 0 |
| 9 | 0 | 0 | 1 | 0 | 0 | 1 | 0 |
| 10 | 0 | 0 | 1 | 0 | 1 | 0 | 1 |
| 11 | 0 | 0 | 1 | 0 | 1 | 1 | 0 |
| 12 | 0 | 0 | 1 | 1 | 0 | 0 | 0 |
| 13 | 0 | 0 | 1 | 1 | 0 | 1 | 0 |
| 14 | 0 | 0 | 1 | 1 | 1 | 0 | 1 |
| 15 | 0 | 0 | 1 | 1 | 1 | 1 | 1 |
| 16 | 0 | 1 | 0 | 0 | 0 | 0 | 0 |
| 17 | 0 | 1 | 0 | 0 | 0 | 1 | 1 |
| 18 | 0 | 1 | 0 | 0 | 1 | 0 | 1 |
| 19 | 0 | 1 | 0 | 0 | 1 | 1 | 1 |
| 20 | 0 | 1 | 0 | 1 | 0 | 0 | 1 |
| 21 | 0 | 1 | 0 | 1 | 0 | 1 | 0 |
| 22 | 0 | 1 | 0 | 1 | 1 | 0 | 0 |
| 23 | 0 | 1 | 0 | 1 | 1 | 1 | 1 |
| 24 | 0 | 1 | 1 | 0 | 0 | 0 | 0 |
| 25 | 0 | 1 | 1 | 0 | 0 | 1 | 1 |
| 26 | 0 | 1 | 1 | 0 | 1 | 0 | 0 |
| 27 | 0 | 1 | 1 | 0 | 1 | 1 | 0 |
| 28 | 0 | 1 | 1 | 1 | 0 | 0 | 0 |
| 29 | 0 | 1 | 1 | 1 | 0 | 1 | 1 |
| 30 | 0 | 1 | 1 | 1 | 1 | 0 | 1 |
| 31 | 0 | 1 | 1 | 1 | 1 | 1 | 1 |
| 32 | 1 | 0 | 0 | 0 | 0 | 0 | 1 |
| 33 | 1 | 0 | 0 | 0 | 0 | 1 | 0 |
| 34 | 1 | 0 | 0 | 0 | 1 | 0 | 0 |
| 35 | 1 | 0 | 0 | 0 | 1 | 1 | 0 |
| 36 | 1 | 0 | 0 | 1 | 0 | 0 | 1 |
| 37 | 1 | 0 | 0 | 1 | 0 | 1 | 1 |
| 38 | 1 | 0 | 0 | 1 | 1 | 0 | 0 |
| 39 | 1 | 0 | 0 | 1 | 1 | 1 | 1 |
| 40 | 1 | 0 | 1 | 0 | 0 | 0 | 0 |
| 41 | 1 | 0 | 1 | 0 | 0 | 1 | 1 |
| 42 | 1 | 0 | 1 | 0 | 1 | 0 | 0 |
| 43 | 1 | 0 | 1 | 0 | 1 | 1 | 0 |
| 44 | 1 | 0 | 1 | 1 | 0 | 0 | 1 |
| 45 | 1 | 0 | 1 | 1 | 0 | 1 | 0 |
| 46 | 1 | 0 | 1 | 1 | 1 | 0 | 1 |
| 47 | 1 | 0 | 1 | 1 | 1 | 1 | 0 |
| 48 | 1 | 1 | 0 | 0 | 0 | 0 | 0 |
| 49 | 1 | 1 | 0 | 0 | 0 | 1 | 1 |
| 50 | 1 | 1 | 0 | 0 | 1 | 0 | 1 |
| 51 | 1 | 1 | 0 | 0 | 1 | 1 | 1 |
| 52 | 1 | 1 | 0 | 1 | 0 | 0 | 0 |
| 53 | 1 | 1 | 0 | 1 | 0 | 1 | 1 |
| 54 | 1 | 1 | 0 | 1 | 1 | 0 | 1 |
| 55 | 1 | 1 | 0 | 1 | 1 | 1 | 0 |
| 56 | 1 | 1 | 1 | 0 | 0 | 0 | 1 |
| 57 | 1 | 1 | 1 | 0 | 0 | 1 | 0 |
| 58 | 1 | 1 | 1 | 0 | 1 | 0 | 0 |
| 59 | 1 | 1 | 1 | 0 | 1 | 1 | 0 |
| 60 | 1 | 1 | 1 | 1 | 0 | 0 | 1 |
| 61 | 1 | 1 | 1 | 1 | 0 | 1 | 1 |
| 62 | 1 | 1 | 1 | 1 | 1 | 0 | 0 |
| 63 | 1 | 1 | 1 | 1 | 1 | 1 | 0 |
















