ПЗ (1058125), страница 2
Текст из файла (страница 2)
-
Карта Карно для функции Y1
Для описанной выше логической функции построим карту Карно. По столбцам отображаются значения переменных X0, X1, а по строкам – X2, X3, X4.
|
X0X1 | 000 | 001 | 011 | 010 | 110 | 111 | 101 | 100 |
| 00 | 1 | 1 | 1 | 1 | 1 | 1 | ||
| 01 | 1 | 1 | 1 | 1 | ||||
| 11 | 1 | 1 | 1 | 1 | 1 | 1 | ||
| 10 | 1 | 1 | 1 | 1 |
1.3 Минимизация логической функции Y1
Для минимизации заданной логической функции применим метод карт Карно. Для этого выделим на карте Карно логические склейки.
Выделим из простых импликант все ядровые (убрав ядровую импликанту на карте окажется свободная единица, не закрытая никакой другой склейкой):
Для определения тупиковых ДНФ воспользуемся функцией Патрика, но т.к. мы будем оперировать с большим количеством склеек, то воспользуемся программой CarnoMinimizer:
Таким образом, полученная минимальная ДНФ представляет собой следующую функцию:
На карте Карно минимальной ДНФ соответствует следующее покрытие:
1.4 Синтез ЦУУ на основе логических элементов Шеффера
Преобразование минимальной ДНФ логической функции Y1 к базису «штрих Шеффера»
Теперь реализуем на базисе двух- и трехвходовых логических элементов Шеффера логическую функцию.
Произведем группировку слагаемых, чтобы избавиться от конъюнкции 4-х переменных:
Выразим в базисе И-НЕ остальные логические функции:
Используя приведенные выше тождества, преобразуем каждое из слагаемых:
Далее необходимо сложить 4 слагаемых. Сделаем это так:
Видно, что каждое из слагаемых необходимо инвертировать, поэтому в выражениях для них можно не реализовывать последнее отрицание.
1.5 Обоснование выбора серий логических элементов
Для построения устройств автоматики и вычислительной техники широкое применение находят цифровые микросхемы серии К 155, которые изготавливают по стандартной технологии биполярных микросхем транзисторно-транзисторной логики (ТТЛ). Имеется свыше 100 наименований микросхем серии К 155. При всех своих преимуществах - высоком быстродействии, обширной номенклатуре, хорошей помехоустойчивости - эти микросхемы обладают большой потребляемой мощностью.
Двухвходовой логический элемент Шеффера
В качестве двухвходового логического элемента Шеффера оптимальным выбором будет микросхема К155ЛА8. Микросхема представляет собой четыре логических элемента 2И-НЕ.
Трехвходовой логический элемент Шеффера
В качестве трехвходового логического элемента Шеффера оптимальным выбором будет микросхема К155ЛА4. Микросхема представляет собой три логических элемента 3И-НЕ.
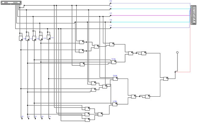
1.6 Функциональная схема цифрового управляющего устройства
Функциональная схема разработанного цифрового управляющего устройства на основе элементов Шеффера представлена на рисунке № 1.
Проведем моделирование. Для этого соберем в программном пакете Electonics WorkBenсh следующую схему:
Для сравнения результатов работы схемы с таблицей истинности воспользуемся инструментом Logic Analyzer:
2. Разработать функциональную схему ЦУУ, заданного логической функцией от 5-ти переменных на основе мультиплексоров с 4-мя информационными входами и логических элементах Пирса
2.1 Табличная форма заданной логической функции
Табличная форма заданной логической функции, термы которой заданы в виде чисел в десятичной системе счисления, имеет вид:
Y=(0,2,3,4,5,7,9,12,14,15,16,18,19,21,23,24,25,27,28,30)
2.2 Таблица, устанавливающая соответствие информационных входов мультиплексора с заданными управляющими переменными.
В качестве управляющих переменных даны X4X0.
|
|
|
|
|
|
|
| X4,X0 |
| |
| X4 | X3 | X2 | X1 | X0 | N | 00 | 01 | 10 | 11 |
| 0 | 0 | 0 | 0 | 0 | 0 | 1 | |||
| 0 | 0 | 0 | 0 | 1 | 1 | ||||
| 0 | 0 | 0 | 1 | 0 | 2 | 1 | |||
| 0 | 0 | 0 | 1 | 1 | 3 | 1 | |||
| 0 | 0 | 1 | 0 | 0 | 4 | 1 | |||
| 0 | 0 | 1 | 0 | 1 | 5 | 1 | |||
| 0 | 0 | 1 | 1 | 0 | 6 | ||||
| 0 | 0 | 1 | 1 | 1 | 7 | 1 | |||
| 0 | 1 | 0 | 0 | 0 | 8 | ||||
| 0 | 1 | 0 | 0 | 1 | 9 | 1 | |||
| 0 | 1 | 0 | 1 | 0 | 10 | ||||
| 0 | 1 | 0 | 1 | 1 | 11 | ||||
| 0 | 1 | 1 | 0 | 0 | 12 | 1 | |||
| 0 | 1 | 1 | 0 | 1 | 13 | ||||
| 0 | 1 | 1 | 1 | 0 | 14 | 1 | |||
| 0 | 1 | 1 | 1 | 1 | 15 | 1 | |||
| 1 | 0 | 0 | 0 | 0 | 16 | 1 | |||
| 1 | 0 | 0 | 0 | 1 | 17 | ||||
| 1 | 0 | 0 | 1 | 0 | 18 | 1 | |||
| 1 | 0 | 0 | 1 | 1 | 19 | 1 | |||
| 1 | 0 | 1 | 0 | 0 | 20 | ||||
| 1 | 0 | 1 | 0 | 1 | 21 | 1 | |||
| 1 | 0 | 1 | 1 | 0 | 22 | ||||
| 1 | 0 | 1 | 1 | 1 | 23 | 1 | |||
| 1 | 1 | 0 | 0 | 0 | 24 | 1 | |||
| 1 | 1 | 0 | 0 | 1 | 25 | 1 | |||
| 1 | 1 | 0 | 1 | 0 | 26 | ||||
| 1 | 1 | 0 | 1 | 1 | 27 | 1 | |||
| 1 | 1 | 1 | 0 | 0 | 28 | 1 | |||
| 1 | 1 | 1 | 0 | 1 | 29 | ||||
| 1 | 1 | 1 | 1 | 0 | 30 | 1 | |||
| 1 | 1 | 1 | 1 | 1 | 31 | ||||
2.3 Карта Карно устанавливающая соответствие информационных входов мультиплексора с выбранными управляющими переменными.
|
X0X4 | 000 | 001 | 011 | 010 | 110 | 111 | 101 | 100 |
| 00 | 1 | 1 | 1 | 1 | 1 | |||
| 01 | 1 | 1 | 1 | 1 | 1 | |||
| 11 | 1 | 1 | 1 | 1 | 1 | |||
| 10 | 1 | 1 | 1 | 1 | 1 |
X2X3X4
















