Отчёт21 (1056184)
Текст из файла
Московский Государственный Технический Университет
имени Н. Э. Баумана
Лабораторная работа №2 по курсу «ЭиМПТ »
Выполнила студентка группы БМТ 1 – 71:
Магай Т. А.
Преподаватель:
Нестеров А. В.
Москва 2008 г.
Задание
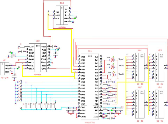
Рис.1. Электрическая принципиальная схема устройства индикации
Задание:
1. Написать программу в результате которой на индикаторах будет отображаться информация о годе, месяце и дне рождения при выполнении следующих условий:
- при нажатии кнопки «S1» на четыре индикатора выводится информация о годе рождения;
- при нажатии кнопки «S2» на двух верхних индикаторах выводится информация о дне рождения;
- при нажатии кнопки «S3» на двух нижних индикаторах выводится информация о месяце рождения;
- при остальных комбинациях кнопок на индикаторы выводится информация о числе выполнения лабораторной работы;
2. Рассчитать временные характеристики динамики индикации. Т.е. рассчитать время (частоту индикации, учитывая КИН глаза) программной задержки;
3. Опрос клавиатуры проводить 10 раз в секунду
Расчет программной задержки
Для программной задержки вывода информации на индикаторы используется следующая подпрограмма, которая размещается сразу после вывода числа на индикатор:
; ПОДПРОГРАММА - задержка во времени
;----------------------------------------------------------------------------------------------------------------------------------------------
DELAY:
ldi R16, X ; запись в РОН константы X (здесь X – первое число определяющих программную задержку)
A:
ldi R17, Y ; запись в РОН константы Y (здесь Y – второе число определяющих программную задержку)
B:
dec R17 ; декремент содержимого 17 РОН
brne B ; переход по "не равно" к метке, иначе - к следующей команде
dec R16 ; декремент содержимого 16 РОН
brne A ; переход по "не равно" к метке, иначе - к следующей команде
ret ; возвращение из подпрограммы
;----------------------------------------------------------------------------------------------------------------------------------------------
Подсчитаем число машинных циклов, за которое выполняется подпрограмма. Вложенный цикл включает в себя две команды: dec, brne – первая из которых выполняется за 1 машинный цикл, а вторая за 1 цикл, если флаг нуля установлен (числа равны) и за 2, если флаг нуля сброшен (числа не равны). Внешний же цикл состоит из трёх команд (ldi, dec, brne), команда ldi выполняется за 1 машинный цикл, остальные команды выполняются аналогично тому, как описано выше. Вложенный цикл выполняется такое число раз, какое мы записываем константой X, число же машинных циклов за которое выполняется внутренний цикл определяется выражением:
Перемножая число выполнений внутреннего цикла на число машинных циклов, за которое этот цикл выполняется, получаем:
Добавляя к этому числу число машинных циклов, за которое выполняются команды внешнего цикла, получаем число циклов выполнения внешнего цикла:
Вся же подпрограмма выполняется за
машинных циклов, т.к. мы учитываем выполнение вводной команды ldi за 1 цикл и команду возвращения из подпрограммы ret, выполняемую за 4цикла. В итоге получаем время выполнения всей подпрограммы:
Числа X и Y надо подобрать таким образом, чтобы человеческий глаз не воспринимал индикацию чисел мерцающей. Для этого частота мерцания должна быть больше 50 Гц. Учитывая также, что используются четыре индикатора, для времени, в течение которого каждый индикатор может оставаться активным, можем записать условие:
Это же время определяется тактовой частотой работы МК и числом машинных циклов в подпрограмме задержки:
Таким образом пользуясь условием (2) и выражениями (1), (3), определим необходимые числа X и Y:
Задавшись
и
, и применив (4) получим:
. Выберем
и получим частоту смены изображения на индикаторах
- мы будем воспринимать индикацию выбранного числа так, как будто все четыре цифры светятся одновременно.
Листинг программы
.include "m16def.inc"
.CSEG
.ORG 0
rjmp RESET ; вектор сброса
RESET:
;инициализация регистра УС
ldi R25, low(RAMEND)
out spl, R25
ldi R25, high(RAMEND)
out sph, R25
; инициализация портов ВВ
ser R18 ; во все разряды 18 РОН записываем единицы
out ddrC, R18 ; порт C программируется на вывод информации
out ddrB, R18 ; порт B программируется на вывод информации
clr R18 ; очищаем все разряды 18 РОН - записываем туда нули
out ddrD, R18 ; порт D программируется на ввод информации
.DEF keyboard1=R20
.DEF keyboard2=R21
.DEF temp=R22
.DEF temp2=R23
.DEF kod=R24
.DEF key=R25
.DEF led=R26
.DEF opros=R27
rjmp MAIN ; безусловный переход к телу основной прграммы
; ПОДПРОГРАММА - задержка во времени, задержка равна: t={R16}*({R17}+1)*3/F
;----------------------------------------------------------------------------------------------------------------------------------------------
DELAY:
ldi R16, 100
A:
ldi R17, 65
B:
dec R17 ; декремент содержимого РОН
brne B ; переход по "не равно" к метке, иначе - к следующей команде
dec R16 ; декремент содержимого РОН
brne A ; переход по "не равно" к метке, иначе - к следующей команде
ret ; возвращение из подпрограммы
;----------------------------------------------------------------------------------------------------------------------------------------------
; ПОДПРОГРАММА - определение нажатия кнопок клавиатуры
;----------------------------------------------------------------------------------------------------------------------------------------------
KEYBOARD:
;задаём дату выполнения - день/месяц
ldi keyboard1, $0A ; месяц выполнения
ldi keyboard2, $10 ; день выполнения
;проверяем нажатие кнопок:
sbis pinD, 0 ; если нулевой разряд PINC установлен (кнопка S1 не нажата, смотри схему), то следующая команда пропускается
ldi keyboard1, $C4 ; если кнопка S1 нажата, то записываем в РОН младший байт года
sbis pinD, 0 ; если нулевой разряд PINC установлен (кнопка S1 не нажата), то следующая команда пропускается
ldi keyboard2, $07 ; если кнопка S1 нажата, то записываем в РОН старший байт года
sbis pinD, 1 ; если первый разряд PINC установлен (кнопка S2 не нажата), то следующая команда пропускается
ldi keyboard1, $12 ; если кнопка S2 нажата, то записываем в РОН байт дня
sbis pinD, 2 ; если второй разряд PINC установлен (кнопка S3 не нажата), то следующая команда пропускается
ldi keyboard1, $0A ; если кнопка S1 нажата, то записываем в РОН байт месяца
; на выходе получаем РОН Keyboard1/2 содержащие информацию о дне, месяце, годе или дате выполнения лабораторной в зависимости от комбинации нажатых кнопок
ret ; возвращение из подпрограммы
;----------------------------------------------------------------------------------------------------------------------------------------------
; ПОДПРОГРАММА - разделение разрядов выбранных чисел
;----------------------------------------------------------------------------------------------------------------------------------------------
DIVIDE:
clr temp
DIVIDE1:
subi key,10 ; вычитаем из РОН число 10
brcs DIVIDE2 ; переход по флагу переноса, иначе переход к следующей команде
inc temp
rjmp DIVIDE1 ; безусловный переход по ссылке
DIVIDE2:
subi key,-10 ; вычитаем из РОН число -10
; таким образом в регистре "key" осталось число единиц, а в регистре "temp" - число десятков
ret ; возвращение из подпрограммы
;----------------------------------------------------------------------------------------------------------------------------------------------
; ПОДПРОГРАММА - перевод в код семисегментного индикатора (в подпрограмму необходимо предать содержимое одного РОН, чтобы на выходе получить код для семисегментного индикатора числа чодержащегося в передаваемом РОН)
;----------------------------------------------------------------------------------------------------------------------------------------------
TRANSLATE:
cpi temp2, 0 ; сравниваем число содержащееся в РОН temp2 с нулём
brne TRANSLATE1 ; если флаг нуля не установлен, то преходим по метке, иначе числа равны - преходим к следующей команде
ldi kod, $3F ; если же флаг нуля установлен записываем в выходной РОН "kod" код семисегментного индикатора для нуля
rjmp TRANSLATEEND ; безусловный переход в конец выполнения подпрограммы
TRANSLATE1:
cpi temp2, 1
brne TRANSLATE2
ldi kod, $06
rjmp TRANSLATEEND
TRANSLATE2:
cpi temp2, 2
brne TRANSLATE3
ldi kod, $5B
rjmp TRANSLATEEND
TRANSLATE3:
cpi temp2, 3
brne TRANSLATE4
ldi kod, $4F
rjmp TRANSLATEEND
TRANSLATE4:
cpi temp2, 4
brne TRANSLATE5
ldi kod, $67
rjmp TRANSLATEEND
TRANSLATE5:
cpi temp2, 5
brne TRANSLATE6
ldi kod, $6D
rjmp TRANSLATEEND
TRANSLATE6:
cpi temp2, 6
brne TRANSLATE7
ldi kod, $FD
rjmp TRANSLATEEND
TRANSLATE7:
cpi temp2, 7
brne TRANSLATE8
ldi kod, $07
rjmp TRANSLATEEND
TRANSLATE8:
cpi temp2, 8
brne TRANSLATE9
ldi kod, $7F
rjmp TRANSLATEEND
TRANSLATE9:
ldi kod, $6F
TRANSLATEEND:
ret ; возвращение из подпрограммы
;----------------------------------------------------------------------------------------------------------------------------------------------
MAIN:
rcall KEYBOARD ; вызываем подпрограмму, позволяющую определить нажатые кнопки (после её выполнения получаем информацию о выбранных числах в двух РОН, keyboard1 и keyboard2)
rcall IMAGE ; вызываем подпрограмму управления выводом чисел на семисегментный индикатор
rjmp MAIN ; безусловный переход в начало основной программы MAIN
; ПОДПРОГРАММА - вывод чисел на семисегментный индикатор
;----------------------------------------------------------------------------------------------------------------------------------------------
IMAGE:
; проверяем нажата ли хоть какая-нибудь кнопка
in temp, pinD ; записываем в РОН состояние входов порта D
cpi temp, $FF ; если не одна из кнопок не нажата то в результате этого сравнения будет установлен флаг нуля
breq NOTHING ; если флаг нуля будет установлен, то перейти по метке, иначе - дальше по программе:
mov key, keyboard1 ; подготавливаем младший байт числа, выбранного нажатием соответствующей кнопки, к разделению разрядов
rcall DIVIDE ; вызываем подпрограмму разделяющую разряды десятичного числа записанного в РОН "key"
cpi keyboard1, $12 ; сравниваем содержимое РОН с младшим байтом числа дня рождения
breq IMAGE1 ; если эти числа равны, то переходим по метке, иначе:
cpi keyboard1, $0A ; сравниваем содержимое РОН с младшим байтом числа месяца рождения
breq IMAGE1 ; если эти числа равны, то переходим по метке, иначе:
mov R18, key ; записываем число единиц в числе младшего байта выбранного числа в промежуточный 18 РОН
mov R19, temp ; записываем число десятков в числе младшего байта выбранного числа в промежуточный 19 РОН
mov key, keyboard2 ; подготавливаем старший байт числа к разделению разрядов
rcall DIVIDE ; вызываем подпрограмму разделяющую разряды десятичного числа записанного в РОН "key"
;подготовка к выводу чисел на индикаторы:
mov temp2, temp ; записываем в РОН "temp2" число десятков старшего байта года рождения
rcall TRANSLATE ; вызываем программу перевода чисел в код семисегментного индикатора
mov R28, kod ; записываем код для семисегментного индикатора старшего разряда года в промежуточный регистр РОН
mov temp2, key ; записываем в РОН "temp2" число единиц старшего байта года рождения
rcall TRANSLATE ; вызываем программу перевода чисел в код семисегментного индикатора
mov R29,kod ; записываем код для семисегментного индикатора третьего разряда года в промежуточный регистр РОН
mov temp2, R19 ; записываем в РОН "temp2" число десятков младшего байта года рождения
rcall TRANSLATE ; вызываем программу перевода чисел в код семисегментного индикатора
mov R30, kod ; записываем код для семисегментного индикатора второго разряда года в промежуточный регистр РОН
mov temp2, R18 ; записываем в РОН "temp2" число единиц младшего байта года рождения
rcall TRANSLATE ; вызываем программу перевода чисел в код семисегментного индикатора
ldi opros, $05 ; устанавливаем количество циклов вывода года до следующего опроса клавиатуры
GOYEAR:
; вывод старшего разряда года на первый индикатор
out portC, R28 ; вывод старшего разряда года с выходов порта C
ldi led, $FE ; указываем индикатор для вывода (здесь первый)
out portB, led ; программируем выходы порта B для работы первого индикатора
rcall DELAY ; вызываем временную задержку для того чтобы человеческий глаз мог воспринимать информацию, отображаемую на индикаторе
; вывод третьего разряда года на второй индикатор
out portC, R29 ; вывод третьего разряда года с выходов порта C
ldi led, $FD ; указываем индикатор для вывода (здесь второй)
out portB, led ; программируем выходы порта B для работы первого индикатора
rcall DELAY ; вызываем временную задержку для того чтобы человеческий глаз мог воспринимать информацию, отображаемую на индикаторе
; вывод второго разряда года на третий индикатор
out portC, R30 ; вывод второго разряда года с выходов порта C
ldi led, $FB ; указываем индикатор для вывода (здесь третий)
out portB, led ; программируем выходы порта B для работы первого индикатора
rcall DELAY ; вызываем временную задержку для того чтобы человеческий глаз мог воспринимать информацию, отображаемую на индикаторе
; вывод младшего разряда года на четвёртый индикатор
out portC, kod ; вывод младшего разряда года с выходов порта C
ldi led, $F7 ; указываем индикатор для вывода (здесь четвёртый)
out portB, led ; программируем выходы порта B для работы первого индикатора
rcall DELAY ; вызываем временную задержку для того чтобы человеческий глаз мог воспринимать информацию, отображаемую на индикаторе
dec opros
brne GOYEAR ; переход по "не равно",тем самым обеспечивается непрерывный вывод выбранного числа до следующего опроса клавиатуры
ret ; возвращение из подпрограммы IMAGE
NOTHING:
ldi opros, $FF ; устанавливаем количество циклов простоя до следующего опроса клавиатуры
NOTHING1:
dec opros ; декремент содержимого РОН
brne NOTHING1 ; перейти по "не равно", тем самым происходит задержка до следующего обращения к клавиатуре
ret ; возвращение из подпрограммы IMAGE
IMAGE1:
;подготовка к выводу чисел на индикаторы:
mov temp2, temp ; записываем в РОН "temp2" число десятков байта дня/месяца рождения
rcall TRANSLATE ; вызываем программу перевода чисел в код семисегментного индикатора
mov R28, kod ; записываем код для семисегментного индикатора старшего разряда дня/месяца в промежуточный регистр РОН
mov temp2, key ; записываем в РОН "temp2" число единиц байта дня/месяца рождения
rcall TRANSLATE ; вызываем программу перевода чисел в код семисегментного индикатора
ldi opros, $0A ; устанавливаем количество циклов простоя до следующего опроса клавиатуры
cpi keyboard1, $0A ; сравниваем содержимое РОН с байтом месяца рождения
breq IMAGE2
GODAY:
; вывод старшего разряда дня на первый индикатор
out portC, R28 ; вывод старшего разряда дня с выходов порта C
ldi led, $FE ; указываем индикатор для вывода (здесь первый)
out portB, led ; программируем выходы порта B для работы первого индикатора
rcall DELAY ; вызываем временную задержку для того чтобы человеческий глаз мог воспринимать информацию, отображаемую на индикаторе
; вывод третьего разряда дня на второй индикатор
out portC, kod ; вывод старшего разряда дня с выходов порта C
ldi led, $FD ; указываем индикатор для вывода (здесь второй)
out portB, led ; программируем выходы порта B для работы первого индикатора
rcall DELAY ; вызываем временную задержку для того чтобы человеческий глаз мог воспринимать информацию, отображаемую на индикаторе
dec opros
brne GODAY ; переход по "не равно",тем самым обеспечивается непрерывный вывод выбранного числа до следующего опроса клавиатуры
ret ; возвращение из подпрограммы IMAGE
IMAGE2:
GOMONTH:
; вывод старшего разряда месяца на первый индикатор
out portC, R28 ; вывод старшего разряда месяца с выходов порта C
ldi led, $FB ; указываем индикатор для вывода (здесь третий)
out portB, led ; программируем выходы порта B для работы первого индикатора
rcall DELAY ; вызываем временную задержку для того чтобы человеческий глаз мог воспринимать информацию, отображаемую на индикаторе
; вывод третьего разряда месяца на второй индикатор
out portC, kod ; вывод старшего разряда месяца с выходов порта C
ldi led, $F7 ; указываем индикатор для вывода (здесь четвёртый)
out portB, led ; программируем выходы порта B для работы первого индикатора
rcall DELAY ; вызываем временную задержку для того чтобы человеческий глаз мог воспринимать информацию, отображаемую на индикаторе
dec opros
brne GOMONTH ; переход по "не равно",тем самым обеспечивается непрерывный вывод выбранного числа до следующего опроса клавиатуры
ret ; возвращение из подпрограммы IMAGE
;----------------------------------------------------------------------------------------------------------------------------------------------
Рис.2 Инициализация портов C и B на вывод и порта D на ввод
Рис.3 Установка выходов порта C для отображения «1»
Рис.4 Вывод «1» на первом индикаторе
Рис. 5 Выполнение подпрограммы задержки отображения числа
Рис. 6 Установка выводов порта C для отображения «0»
Рис. 7 Вывод «0» на третьем индикаторе
Рис. 8. Окончание программы
Характеристики
Тип файла документ
Документы такого типа открываются такими программами, как Microsoft Office Word на компьютерах Windows, Apple Pages на компьютерах Mac, Open Office - бесплатная альтернатива на различных платформах, в том числе Linux. Наиболее простым и современным решением будут Google документы, так как открываются онлайн без скачивания прямо в браузере на любой платформе. Существуют российские качественные аналоги, например от Яндекса.
Будьте внимательны на мобильных устройствах, так как там используются упрощённый функционал даже в официальном приложении от Microsoft, поэтому для просмотра скачивайте PDF-версию. А если нужно редактировать файл, то используйте оригинальный файл.
Файлы такого типа обычно разбиты на страницы, а текст может быть форматированным (жирный, курсив, выбор шрифта, таблицы и т.п.), а также в него можно добавлять изображения. Формат идеально подходит для рефератов, докладов и РПЗ курсовых проектов, которые необходимо распечатать. Кстати перед печатью также сохраняйте файл в PDF, так как принтер может начудить со шрифтами.















