D31_eltekh_1 (1055324)
Текст из файла
Московский Государственный Технический Университет им. Н.Э. Баумана
Домашнее задание №1
по курсу Основы электропривода
вариант №70
Студент: Прохоров С.В.
Группа: МТ7-71
Преподаватель: Соловьёв В.А.
Москва 2015г.
Московский Государственный Технический Университет им. Н.Э. Баумана
Домашнее задание №1
по курсу Основы электропривода
вариант №68
Студент: Михайлов Д.А.
Группа: МТ7-71
Преподаватель: Соловьёв В.А.
Москва 2015г.
Московский Государственный Технический Университет им. Н.Э. Баумана
Домашнее задание №1
по курсу Основы электропривода
вариант №72
Студент: Чесноков
Группа: МТ7-71
Преподаватель: Соловьёв В.А.
Москва 2015г.
Задание: спроектировать комбинационное устройство цифровой электронной техники для автомата управления технологической операцией. На входы комбинационного устройства поступают входные сигналы от трех датчиков. На выходе формируется выходной сигнал Р, равный 1 при десятичных кодах входных величин 1, 3, 5, 6. При остальных кодах Р = 0.
1. Представление проектируемого устройства как функционального блока.
| Х1 | Х2 | Х3 | Р |
| 0 | 0 | 0 | 0 |
| 0 | 0 | 1 | 1 |
| 0 | 1 | 0 | 0 |
| 0 | 1 | 1 | 1 |
| 1 | 0 | 0 | 0 |
| 1 | 0 | 1 | 1 |
| 1 | 1 | 0 | 1 |
| 1 | 1 | 1 | 0 |
Логическое уравнение, связывающее входные и выходные сигналы в СДНФ, имеет вид:
2. Минимизация логического уравнения.
| Х2,Х1 Х3 | 00 | 01 | 11 | 10 |
| 0 | 0 | 1 | 1 | 0 |
| 1 | 0 | 1 | 0 | 1 |
Используя карту, получим минимизированное логическое уравнение:
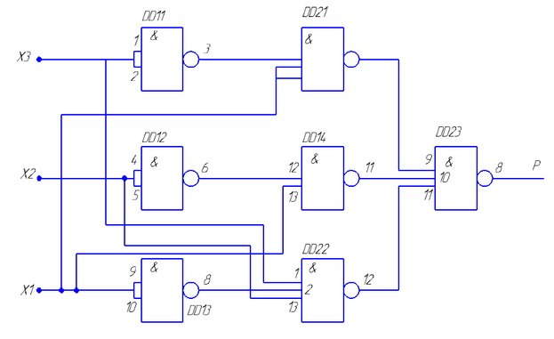
3. Построение электрической принципиальной схемы.
Преобразуем минимизированное уравнение, вводя двойную инверсию и пользуясь теоремой Де Моргана:
принципиальная схема, реализующая преобразованное логическое уравнение в базисе И–НЕ
Выбранные микросхемы:
Характеристики
Тип файла документ
Документы такого типа открываются такими программами, как Microsoft Office Word на компьютерах Windows, Apple Pages на компьютерах Mac, Open Office - бесплатная альтернатива на различных платформах, в том числе Linux. Наиболее простым и современным решением будут Google документы, так как открываются онлайн без скачивания прямо в браузере на любой платформе. Существуют российские качественные аналоги, например от Яндекса.
Будьте внимательны на мобильных устройствах, так как там используются упрощённый функционал даже в официальном приложении от Microsoft, поэтому для просмотра скачивайте PDF-версию. А если нужно редактировать файл, то используйте оригинальный файл.
Файлы такого типа обычно разбиты на страницы, а текст может быть форматированным (жирный, курсив, выбор шрифта, таблицы и т.п.), а также в него можно добавлять изображения. Формат идеально подходит для рефератов, докладов и РПЗ курсовых проектов, которые необходимо распечатать. Кстати перед печатью также сохраняйте файл в PDF, так как принтер может начудить со шрифтами.















