ДЗ 1, вариант №2 (1055314)
Текст из файла
Московский государствнный технический университет им. Н.Э. Баумана
кафедра «Электротехника и промышленная электроника»
Домашнее задание №1:
«Проектирование комбинационного устройства»
Вариант – 2, № п/п 6
Выполнил: студент МТ7 – 72
Пономарев М.А.
Проверил: Атаманов В.Н.
Москва 2012
Задание на проектирование комбинационного устройства представлено набором цифр. Его выходной сигнал
равен 1 при подаче на вход сигналов
сочетание которых является двоичным кодом заданных цифр. Для остальных входных сигналов
.
Набор цифр: 2, 3, 4, 5, 6.
-
Представим проектируемое устройство как функциональный блок:
Рис.1 Проектируемое устройство как функциональный блок.
-
Составим таблицу истинности:
Рис.2 Таблица истинности.
Логическое уравнение, связывающее входные и выходные сигналы имеет вид:
-
Минимизация логического уравнения с помощью карты Карно – Вейча.
Рис.3 Карта Карно – Вейча.
Записываем минимизированное булево уравнение:
;
Логическая схема, реализующая полученное минимизированное уравнение приведена на рис.4.
Рис.4
Выполним схему на основе уравнения в базисе И – НЕ. Преобразуем минимизированное уравнение, вводя двойную инверсию и пользуясь теоремой де Моргана:
;
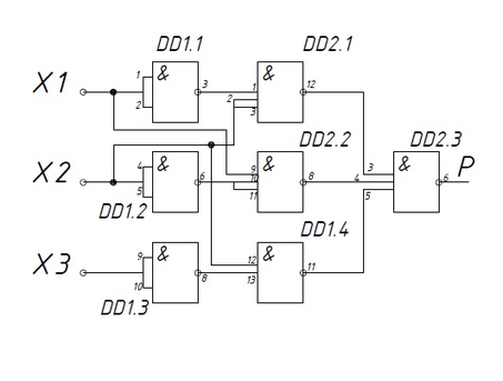
Логическая схема в базисе И – НЕ представлена на рис.5
Рис.5
Для выполнения логической схемы выбираем две микросхемы К155ЛА3, К155ЛА4.
-
Расчет быстродействия комбинационного устройства.
;
Рис.5 Печатная плата.
Рис.6 Принципиальная схема.
Характеристики
Тип файла документ
Документы такого типа открываются такими программами, как Microsoft Office Word на компьютерах Windows, Apple Pages на компьютерах Mac, Open Office - бесплатная альтернатива на различных платформах, в том числе Linux. Наиболее простым и современным решением будут Google документы, так как открываются онлайн без скачивания прямо в браузере на любой платформе. Существуют российские качественные аналоги, например от Яндекса.
Будьте внимательны на мобильных устройствах, так как там используются упрощённый функционал даже в официальном приложении от Microsoft, поэтому для просмотра скачивайте PDF-версию. А если нужно редактировать файл, то используйте оригинальный файл.
Файлы такого типа обычно разбиты на страницы, а текст может быть форматированным (жирный, курсив, выбор шрифта, таблицы и т.п.), а также в него можно добавлять изображения. Формат идеально подходит для рефератов, докладов и РПЗ курсовых проектов, которые необходимо распечатать. Кстати перед печатью также сохраняйте файл в PDF, так как принтер может начудить со шрифтами.
















