МТ11-15220062, 21010062 - Программа ПММиНП (1053540), страница 3
Текст из файла (страница 3)
Типовые варианты заданий и вопросы для подготовки.
Модуль 1 «Требования к системам микро и наноперемещений. Основные типы прецизионных механизмов»
Задача №1
Опишите принцип работы шагового двигателя.
| Задача №2 Дано:
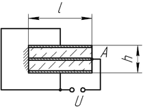
Определить: Относительное вертикальное перемещение т. А модуля при изгибной деформации. | Рис. 3. Схема пьезоэлектрического модуля |
Модуль 2 «Расчет точности и быстродействия прецизионных механизмов »
Задача №1
Понятие «гистерезис». Влияние на параметры механизмов. Привести примеры.
Задача №2
Дано:
-
Кинематическая схема привода.
Выполнить:
Анализ и синтез системы автоматического регулирования прецизионного привода (по вариантам), расчет динамических параметров – постоянной времени, перерегулирования, запасов устойчивости по фазе и амплитуде, динамической точности по положению, скорости и ускорению.
Порядок расчета:
-
Разработка функциональной и структурной схем системы автоматического регулирования (САР) привода;
-
Определение передаточных функций элементов САР привода:
-
описание работы элементов привода при помощи дифференциальных уравнений;
-
преобразование дифференциальных уравнений по Лапласу;
-
определение коэффициентов и постоянных времени передаточных функций;
-
Построение логарифмических амплитудных характеристик (ЛАХ) и фазочастотных характеристик (ФЧХ) САР привода;
-
Построение графиков переходных процессов в САР привода;
Анализ и синтез САР по параметрам устойчивости, качества и точности, выбор типа корректирующих звеньев или регулятора и определение их характеристик.
Модуль 4 «Управление устройствами микро- и наноперемещений »
Задача №1
Опишите принцип работы датчика положения емкостного типа.
Задача №2
| Дано:
Определить:
| Рис. 4. Схема демпфера с пружиной |
Раздел 6. Образовательные технологии
При изучении дисциплины предусмотрено применение интерактивных анимированных разделов лекционного курса.
Раздел 7. Методическое обеспечение дисциплины
7.1. Основная учебная литература
1. Михайлов В.П., Базиненков А.М. Прецизионные механизмы микро- и наноперемещений / МГТУ им. Н.Э. Баумана. Курс лекций.- 2012.
2. Механика и физика точных вакуумных механизмов: Моногр., В 2 т. / А.Т. Александрова, Н.С. Вагин, Н.В. Василенко и др.; Под ред. Е.А. Деулина. - М.: НПК “Интелвак”; Вакууммаш, 2002. - Т.1. - 176 с.
3. Механика и физика точных вакуумных механизмов: Моногр., В 2 т. / А.Т. Александрова, Н.С. Вагин, Н.В. Василенко и др.; Под ред. Е.А. Деулина. - М.: НПК “Интелвак”; Вакууммаш, 2002. - Т.2. - 152 с.
7.2. Дополнительная учебная литература (при необходимости список может включать статьи учебно-методического характера в периодических изданиях).
1. Вибрация – друг или враг. / К.В.Фролов. – М.: Изд-во Наука, 1984. - 141 c.
2. Вибрации в технике: Справочник в 6 томах. / Под ред. В.Н. Челомея. – М.: Машиностроение, 1981. – т.6. Защита от вибраций и ударов / Под ред. К.В. Фролова. 1981. – 456 с., ил.
3. Система виброизоляции прецизионного технологического оборудования. / Н.И. Камышный, М.В. Курчанова, П.В. Логинов // Известия вузов. Машиностроение. 1988. - №10 – с.150-155.
4. Nanophysics and nanotechnology. An introduction to Modern Concept in Nanoscience / Edward L. Wolf // Wiley-VCH Verlag GmbH & Co. KGaA, Weinheim, ISBN 3-527-40407-4, 2004
7.3. Кафедральные издания и методические материалы
1. Наборы электронных презентаций
2. Образцы выполнения домашних работ
7.4. Электронные ресурсы (с указанием названия и полного электронного адреса).
Журнал "Нано- и микросистемная техника"
http://www.microsystems.ru/literature.php/
Журнал "Наноинженерия"
http://www.portalnano.ru/read/massmedia/psmi/nanoengineering/
Вкуумная техника и технология
http://www.vacuum.ru/magazine.html
SPIE Digital Library
http://spiedigitallibrary.org
The World Intellectual Property Organization (WIPO)
http://www.wipo.int/portal/index.html.en
European Patent Office
http://www.wipo.int/portal/index.html.en
Информационно-поисковая система Российских патентных документов
http://www1.fips.ru/wps/wcm/connect/content_ru/ru/inform_resources/inform_retrieval_system/
United States Patent and Trademark Office
www.uspto.gov
7.5. Литература по тематике научно-исследовательской работы (печатные издания и электронные ресурсы)
Раздел 8. Материально-техническое обеспечение дисциплины
Методические материалы:
-
Курс лекций в электронном виде, раздаваемый студентам на первом занятии и обеспечивающий их самостоятельную работу.
-
Набор электронных презентаций для использования в аудиторных занятиях.
-
Набор оценочных средств для контроля усвоения материала дисциплины.
Используемое оборудование:
Мультимедийный проектор.
Рецензент организация, должность, Ф.И.О. ______________
Председатель методической комиссии факультета ____
(Ф.И.О.) ___________________ «____» __________ 201_ г.
Декан факультета _______
(Ф.И.О.) ___________________ «____» __________ 201_ г.
СОГЛАСОВАНО:
Согласование с деканами выпускающих факультетов обязательно по всем дисциплинам
Декан (ы) факультета(ов) _______
(Ф.И.О.) ___________________ «____» __________ 201_ г.
Начальник Методического управления
Васильев Н.В. ___________________ «____» __________ 201_ г.
2
документ из 7 страниц















