РПЗ ТНУ17-03 (1053141), страница 2
Текст из файла (страница 2)
Подшипник крюка шариковый упорный однорядный №8204H Cоа = 32000Н
Упорный подшипник выбирается из условий статической грузоподъемности.
6300Н 32000Н –условие выполняется, подшипник проходит с запасом.
2.Расчет металлоконструкции.
2.1 Выбор основных размеров.
Высота балки:
Высота балки по условиям жесткости:
h=L/25=2500/25=100мм
Принимаем стандартную прямоугольную трубу с h = 180мм ГОСТ8645-68
Для нее: b = 80мм, S = 10мм, А = 4680мм2
Ширина сечения стрелы: b = 0.5h = 0.5*180 = 90мм
Масса 1 погонного метра трубы 36.74кг
Определение веса металлоконструкции:
Материал стрелы – Ст3. Удельные вес стали =78.5 * 10-6 Н/мм3
2.2 Проверка статического прогиба:
Определим координаты центра тяжести сечения стрелы:
т.к. сечение имеет симметричную форму
y0 = h/2 = 160/2 = 80мм
Прогиб стрелы не должен превышать допустимый прогиб. Для данного типа крана допустимый прогиб - [fcт] = L / 400 = 2500 / 400 = 6.25 мм
Прогиб:
Прогиб меньше допустимого.
Формула взята стандартная для нашей расчетной схемы из книги 6 списка литературы.
2.3 Проверка прочности.
Допускаемое нормальное напряжение [] = 140 МПа
Допускаемое касательное напряжения для сварных швов:
[
] = 0,6[]= 0,6 * 140 = 84 МПа
Напряжение изгиба в вертикальной плоскости:
Момент сопротивления изгибу:
Момент в вертикальной плоскости равен:
Следовательно стрела с приведёнными выше геометрическими размерами обладает достаточной прочностью.
2.4 Расчет подшипников опорного узла.
Расчет нагрузки действующей на подшипники.
Схема нагрузки балки силами:
П
одбор подшипников.
Выбираем шариковые радиально упорные подшипники.
Подшипник 36209. d = 45, Сr = 71002H, C0r =25100H.
e = 0.43, Y = 1.4, Y0 = 0.8. = 120
Определяем эквивалентную статическую нагрузку. Подшипники рассчитываем по статической грузоподъёмности, так как скорость вращения менее 10 об/мин.
P0 = X0Fr + Y0Fa (Fa = RА ) Fr=0
P0= 1.04*3725 = 3874H
Y0 = 0.22 ctg12=1.04
P0 Cor
Выбранные подшипники удовлетворяют требованиям.
Значения моментов в точках С и В
М= Q*0.4L = 6300*0.4*2500 = 8*106Нмм
М= Q*0.5L –RВ*0.1L = 5000*0.5*4000 – 9463*0.1*4000= 6.21*106Нмм
3. РАСЧЕТ СОЕДИНЕНИЙ
3.1 Шпоночные соединения.
Рассчитаем шпоночное соединение при соединении тихоходного вала с барабаном. Шпонку выбираем призматическую по ГОСТ 23360-78 исходя из размеров тихоходного вала.
Для диаметра вала d=40 мм принимаем призматическую шпонку по
: bh =87 (t1 = 4).
Определяем расчетную длину призматической шпонки:
Принимаем длину шпонки
lшп = 43 мм
lст = 70 мм
“Шпонка 8743 ГОСТ 23360 –78”
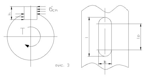
3.2 Расчет соединения стрелы крана с опорным узлом.
Расчет оси на смятие.[см]
см =
МПа
см см=0.4т=96Мпа
Расчет оси на срез.
П
ринимаем [ср] = 0,3т = 0.3 * 240 = 72МПа
О
сь отвечает необходимым требованиям по прочности.
3.3 Расчет болтового соединения крепления крана к стене.
Необходимая сила затяжки болта из условия несдвигаемости:
г
де Kcц – коэффициент запаса сцепления;
z – число болтов; f – коэффициент трения для стыка металл – бетон;
i – число рабочих стыков.
Необходимая сила затяжки болта из условия не раскрытия стыка: min ст>0
min ст = зат - м
Напряжение на стыке от затяжки болтов:
Н
апряжение на стыке от действия момента:
г
де - коэффициент основной нагрузки.
М1=RА*l1 =3725*160= 0.6*106Нмм
Вводя коэффициент запаса по не раскрытию стыка, получим:
П
ринимаем силу затяжки болта Fзат = 3317 Н, большую из двух необходимых.
Условие прочности болта имеет вид:
г
де А1 – площадь болта по диаметру d1;
Суммарная внешняя нагрузка приходящаяся на один болт:
Н
еобходимый диаметр болта из расчёта необходимой площади:
г
де []p = т / Sт – допускаемое напряжение для расчёта на растяжение;
т = 320 – предел текучести материала болта, для болтов класса прочности 4.8
Sт = 4 – коэффициент запаса прочности, для болтов с d < 30мм.
П
о результатам расчеты выбираем болт М16, т.к. у него d1 = 14,294
Проверка на прочность бетонного основания.
max ст = зат + м []см
где []см = 1.8 МПа – допустимое для бетона напряжение смятия.
Б
етонное основание достаточно прочное.
3.4 Блоки
Основные размеры ручья:
Принимаем R=4мм;
Принимаем h=14мм;
Подшипники блока:
Частота вращения наиболее быстроходного блока подвески крюка:
Наибольшая нагрузка на подшипник блока полиспастов:
Zn- число подшипников
Эквивалентная динамическая нагрузка на подшипник блока
Pe=Fn*V*Kb*Khe =6300*1.2*1.3*1 = 9828H
Принимаем подшипники шариковые однорядные ГОСТ8338-75
№304 d=20мм, Сr=15900H, С0r= 7800H
4. Механизм поворота.
Исходные данные:
Режим работы – 4М
4.1. Схема механизма.
Привод механизма представляет из себя электродвигатель со встроенным тормозом, закрытый одноступенчатый редуктор, открытую зубчатую пару, колесо которой является ребордой колеса тележки. Будем использовать механизм передвижения с тремя колесами при этом одно сделаем приводным.
4.2 Колеса
Применим одноребордные колеса с бочкообразным ободом. При точечном начальным контакте для стальных колес предварительный диаметр:
, где
— наибольшая нагрузка на колесо.
Gстр = S*L*стали = 1010Н
Предварительный диаметр колес
Для определения скорости механизма передвижения по рельсу воспользуемся формулой:
V = 2**n*R =2*3.14*1*1.5 = 9.42м/мин
Где n =1 - частота поворота крана, мин-1
R = 1.5 – радиус поворота, м
К
онтактное напряжение при точечном контакте
– коэффициент эквивалентности,
m =0,113 – коэффициент, зависящий от отношения
,
.
Допускаемое напряжение определяем по формуле
- допускаемое напряжение при наработке N=104 циклов
Наработка колеса
t - машинное время работы, ч;
– частота вращения колеса;
= 0.85 – коэффициент, учитывающий уменьшение средней частоты вращения в периоды неустановившихся движений.
4.3 Сопротивление передвижению.
Сопротивление передвижению при установившейся скорости и ходовых колесах с ребордами без направляющих роликов, Н
=0,15 – (при материале колес – сталь ) коэффициент трения качения.
Приведенный коэффициент трения f в подшипниках качения принимаем f=0,01 – шариковый подшипник.
Диаметр подшипников колес d = 0,2D = 25 мм.
Коэффициент kр, учитывает трение реборд о рельс. kр=2,5 – механизм с тележкой.
4.4 Двигатель.
Мощность при установившемся движении, кВт:
где = 0,93 – КПД при зубчатом редукторе.
Предварительный выбор мощности двигателя:
Принимаем двигатель: 4АС71А6У3 с мощностью РН=0,4 кВт,
nдв= 920 мин-1, Tmax/Tном=2.1; J = 1.7*10-3 кг*м2
Нм - номинальный момент двигателя;
Рн- номинальная мощность двигателя при ПВ=40%;
Требуемое передаточное отношение привода
примем передаточное отношение механизма i = 36
Скорость приемлема т.к. не превышает допустимую погрешность на 10%.
Приведенный момент инерции при пуске,
кгм2
c – двигатель с короткозамкнутым ротором.
Здесь
- кратность максимального момента двигателя, принимаем по каталогу;
- загрузка двигателя; Рст- статическая мощность установившегося движения (ее определение дано выше).
Где Jпр.п- приведенный к валу электродвигателя момент инерции при пуске, кгм2;
nн = nдв – номинальная частота вращения элетродвигателя (принимаем по каталогу), мин-1;
Среднее ускорение:
двигатель не проходит, так как ускорение не лежит в допустимом пределе
0.2-0.3 м/с2
Принимаем двигатель со встроенным электромагнитным тормозом:
4А63В4/12Е2У1.2 с мощностью РН=0,06 кВт,
nдв= 450 мин-1, Tmax/Tном= 1.6; J = 1.1*10-4 кг*м2 ; Tмах.торм=0.3Нм исполнение IM3001
Коррекция предварительных расчетов.
Номинальный вращающий момент:
Нм - номинальный момент двигателя;
Рн- номинальная мощность двигателя при ПВ=40%;
Требуемое передаточное отношение привода
примем передаточное отношение редуктора i = 18
Скорость приемлема т.к. не превышает допустимую погрешность на 10%.
Приведенный момент инерции при пуске,
кгм2
















