РПЗ (1053039)
Текст из файла
Содержание.
Техническое задание:
-
Механизм подъема
-
Двигатель
-
Канат
-
Барабан
-
Диаметр барабана
-
Длина барабана
-
Диаметр винтов для крепления каната к барабану
-
-
Редуктор
-
Расчет основных характеристик
Тормоз
-
Расчет основных характеристик
Муфта
1.6.1 Расчет основных характеристик
-
Металлоконструкция
-
Выбор основных размеров
-
Проверка статического прогиба
-
Определение веса металлоконструкции
-
Проверка прочности
-
Выбор подшипников опор крана
-
2.5.1. Нагрузка на опорные узлы
2.5.2. Выбор подшипников
-
Блоки
3. Механизм поворота.
3.1 Выбор электродвигателя.
3.2 Кинематический расчет.
3.3 Выбор редуктора.
3.4 Расчет предохранительной муфты.
3.4.1. Расчет упругих элементов.
3.4.2 Расчет шлицевых соединений.
4. Расчет болтов крепления опоры крана к стене.
4.1 Определение реакций в опорах.
4.2. Габаритные размеры и схема установки болтов.
4.3 Расчет верхней опоры.
4.3.1Стрела крана перпендикулярна стене.
4.3.2Стрела крана параллельна стене.
4.4 Расчет нижней опоры.
4.4.1Стрела крана перпендикулярна стене.
4.4.2Стрела крана параллельна стене
4.5Расчет болтов.
-
Механизм подъема.
Назначение механизма подъема настенного поворотного крана.
В соответствии с заданными требованиями данный механизм подъема настенного поворотного крана предназначен для вертикального перемещения грузов массой до 1250 кг (заданная максимальная грузоподъемность – 12500 Н) на высоту до трех метров.
Механизм подъема настенного поворотного крана состоит из следующих основных элементов:
-
двигатель
-
редуктор
-
барабан
-
тормоз
-
Двигатель.
Исходные данные: Q =12,5 kH
V = 6,3 м/мин.
H = 3 м
Группа режима работы: 4М
t Σ = 4000 часов
Gзах = 0.03 Q
KHE = 0.8
t = 2
a = 2
m = 1
Мощность при подъеме номинального груза весом Q с установившейся скоростью V:
В
соответствии с ПВ выбираем двигатель 4АС90L6У3 со следующими характеристиками:
nc = 1000 минֿ¹
Рн = 1.7 кВт
nн = 920 минֿ¹
Вращающий момент на валу электродвигателя:
-
Канат
Кпд полиспаста:
Где η = 0.98 – кпд блока
Наибольшая сила натяжения в канате:
Р
азрушающая нагрузка на канат:
К – коэффициент запаса прочности каната
П
о каталогу выбираем канат двойной свивки типа ЛК-РО конструкции
по ГОСТ 7668-80.
Диаметр каната dk = 8.1 мм
Fразр = 37000 Н
Предел прочности проволоки – 180 Мпа
-
Барабан
1.3.1 Диаметр барабана
1.3.2 Длина барабана
Шаг нарезки:
Длина барабана:
П
ринимаем длину барабана = 160 мм
Расстояние до начала нарезки:
Д
лина рабочей части барабана:
Д
лина части барабана, на которой размещаются разгружающие витки:
Д
лина части барабана, на которой размещается крепление каната:
Прочность борабана:
1.3.3. Диаметр винтов для крепления каната к барабану:
Сила затяжки винтов:
Принимаем класс прочности винтов 4.8, тогда предел текучести = 180 МПа. Допустимое напряжение сжатия
-
Редуктор
1.4.1. Расчет основных характеристик.
Крутящий момент на барабане:
Н
еобходимое передаточное отношение редуктора:
Ф
актическая скорость подъема:
Наибольший момент на тихоходном валу редуктора:
Проверка редуктора выдержать консольную нагрузку:
Выбираем редуктор Ц3У-160
-
Тормоз.
-
Расчет основных характеристик.
-
Момент на грузовом шкиве:
Необходимый момент торможения:
-
Муфта.
-
Расчет основных характеристик.
-
Номинальный момент:
Выбираем муфту МУВП
2. Металлоконструкция.
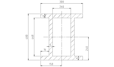
2.1 Выбор основных размеров.
Высота сечения стрелы:
Ширина сечения стрелы:
Толщина стенки:
Толщина верхнего пояса:
Высота эквивалентного сечения:
Расстояние между подшипниками:
Координаты центра тяжести сечения:
х=150мм; у=240мм;
Площадь поперечного сечения колонны:
Расчетная длина стрелы:
2.2 Проверка статического прогиба.
Расчетная схема:
Эпюра от основной нагрузки
Эпюра от единичной силы
Нагрузки в точке С и реакции в опорах 1 и 2 от силы Q:
Изгибающие моменты точки С и 1 от нагрузки Q:
Нагрузка в точке С и реакции в опорах от единичной силы:
Изгибающий момент в точке С:
Осевая сила сжимающая колонну от силы Q
, от единичной силы
Тогда получим прогиб за счет деформации колонны:
Прогиб за счет деформации стрелы:
Усилие в стреле от единичной силы
тогда прогиб:
Общий прогиб:
Допускаемый прогиб:
2.3 Определение веса металлоконструкции.
Вес крюковой подвески:
Координата центра тяжести стрелы:
2.4 Проверка прочности.
Допускаемое нормальное напряжение
Допускаемое касательное напряжение в том числе и для сварных швов
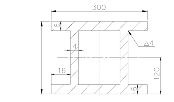
Подвижная колонна.
Момент инерции опасного сечения:
Момент сопротивления изгибу:
Напряжения изгиба:
Высота концевого сечения подвижной колонны:
Момент инерции концевого сечения подвижной колонны:
Статический момент:
Сила среза:
Касательные напряжения в сварных швах:
Принимаем опасные сечения стрелы и подвижной колонны - одинаковыми.
Момент, изгибающий стрелу в вертикальной плоскости:
Напряжение изгиба в вертикальной плоскости:
Момент, изгибающий стрелу в горизонтальной плоскости:
Момент инерции сечения стрелы в горизонтальной плоскости:
Момент сопротивления изгибу:
Напряжение изгиба в горизонтальной плоскости:
Наибольшие, нормальные напряжения в стреле:
Расчетное сечение удовлетворяет необходимым требованиям по прочности.
2.5 Выбор подшипников опор крана.
2.5.1. Нагрузка на опорные узлы.
Определение вертикальной нагрузки:
Определение горизонтальной нагрузки:
2.5.2. Выбор подшипников.
Условие выбора:
Выбираем:
-
Сферический двухрядный подшипник № 8315 средняя серия
ГОСТ 28428-90
-
Упорный шариковый № 8210Н легкая серия ГОСТ 7872-89
-
Блоки
Основные размеры ручья:
Принимаем R=6мм;
Принимаем h=20мм;
3. Механизм поворота.
3.1 Выбор электродвигателя.
Номинальная частота вращения электродвигателя:
Ориентируемся на электродвигатель с
то
Передаточное отношение привода:
Ориентируемся на волновой редуктор, тогда КПД привода
Приведенный момент инерции:
Приведенный момент инерции стрелы:
Приведенный момент инерции колонны:
Приведенный момент инерции при пуске:
Окружная скорость груза:
Время пуска:
Номинальный момент электродвигателя, требуемый по условию разгона:
Мощность электродвигателя при ПВ=60%, требуемая по условию разгона:
Момент сопротивления повороту относительно оси колонны:
f=0.01-приведенный коэффициент трения в подшипнике.
Мощность электродвигателя при установившемся движении
По каталогу выбираем двигатель с мощностью:
Выбираем двигатель 4АА63А4У3
Корректировка предварительного расчета.
Номинальный вращающий момент электродвигателя:
Передаточное отношение привода:
Принимаем i=914;
Приведенный момент инерции груза и крюка:
Приведенный момент инерции стрелы:
Приведенный момент инерции при пуске:
Относительное время пуска:
Время пуска:
Ускорение при пуске:
Двигатель проходит.
3.2 Кинематический расчет.
Общее передаточное отношение:
i=914;
Передаточное отношение редуктора:
Передаточное отношение открытой зубчатой передачи(ОЗП):
Модуль передачи.
Принимаем m=3мм;
Минимальное число зубьев шестерни из условия неподрезания зубьев:
Число зубьев колеса:
Межосевое расстояние:
Принимаем по ряду нормальных чисел Ra20 a=360мм;
Суммарное число зубьев:
Число зубьев шестерни:
Число зубьев колеса:
Фактическое передаточное отношение ОЗП:
Общее передаточное отношение:
Фактическая частота вращения крана:
Погрешность частоты вращения крана:
Допуск на частоту вращения соблюдается.
Делительный диаметр шестерни:
Делительный диаметр колеса:
3.3 Выбор редуктора.
Наибольший вращающий момент на тихоходном валу:
Коэффициент долговечности:
Эквивалентный момент:
Выбираем редуктор ВМз-80 по ГОСТ 16162-70;
Номинальная нагружающая сила на тиходном валу:
Максимальная окружнаяи сила на шестерне:
d=80мм-внутренний диаметр гибкого колеса;
3.4 Расчет предохранительной муфты.
Момент тормаза:
Д
авление на рабочей поверхности фрикционных дисков:
3.4.1. Расчет упругих элементов.
Характеристики
Тип файла документ
Документы такого типа открываются такими программами, как Microsoft Office Word на компьютерах Windows, Apple Pages на компьютерах Mac, Open Office - бесплатная альтернатива на различных платформах, в том числе Linux. Наиболее простым и современным решением будут Google документы, так как открываются онлайн без скачивания прямо в браузере на любой платформе. Существуют российские качественные аналоги, например от Яндекса.
Будьте внимательны на мобильных устройствах, так как там используются упрощённый функционал даже в официальном приложении от Microsoft, поэтому для просмотра скачивайте PDF-версию. А если нужно редактировать файл, то используйте оригинальный файл.
Файлы такого типа обычно разбиты на страницы, а текст может быть форматированным (жирный, курсив, выбор шрифта, таблицы и т.п.), а также в него можно добавлять изображения. Формат идеально подходит для рефератов, докладов и РПЗ курсовых проектов, которые необходимо распечатать. Кстати перед печатью также сохраняйте файл в PDF, так как принтер может начудить со шрифтами.















