Диплом ПАЧИНИН 1 (1052006), страница 3
Текст из файла (страница 3)
Рисунок 1.6. Поперечные связи продольных балок.
Прикрепление поперечной балки к фермам пролетного строения выполнено без развития высоты балки вблизи фермы. Уголки прикрепления протянуты несколько выше поперечной балки, расположены выше пояса. Крайние поперечные балки снабжены парными уголками жесткости в местах установки домкратов. Поперечные балки не имеют как верхних, так и нижних горизонтальных листов. Крепление поперечной балки к фермам показано на (рис.1.7)
Рисунок 1.7. Прикрепление поперечных балок к ферме.
1.5.2. Пролетное строение с плоскостенчатыми балкам
Металлическое пролетное строение под нагрузку Н-7 расчетной длиной Lр=23,00(м), полной длиной Lп=23,60(м).
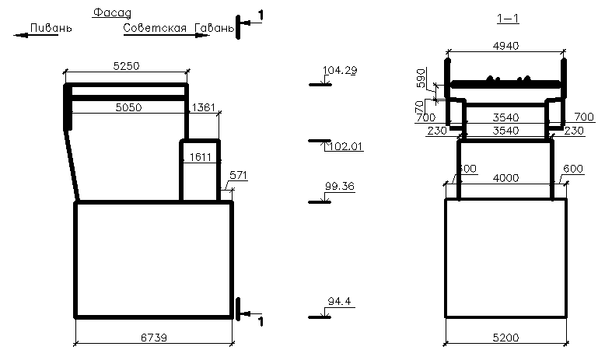
Рисунок 1.2. Схема пролетного строения.
Все соединения элементов пролетных строений осуществлены на заклепках
из стали Ст.3. Элементы металлического п/с выполнены из стали Ст.3.
1.5.3. Опоры моста
Береговые опоры (опора №0 и №3) массивные монолитные индивидуальной проектировки. Фундаменты устоев выполнены из бутобетона мелкого заложения на естественном основании. Оголовки опор и тело выполнены из монолитного железобетона.
Год постройки береговых опор 1946 г.
Рисунок 1.3. Конструкция береговой опоры №0
Рисунок 1.4. Конструкция промежуточной опоры №2
1.6 Оценка технического состояния
На момент натурного осмотра и обследования моста были обнаружены следующие неисправности и дефекты.
Вид дефекта или повреждения
1.Опора 0
1.2. Скол бетона балластного корыта с оголением и коррозией арматуры
1.3. Вертикальная трещина на боковой поверхности (поперек оси моста)
1.4. Частичное разрушение подферменной плиты
1.5. Вертикальная трещина (силовая) зоне шкафной стенки
1.6. Снижение прочности бетона (меньше 10мпа)
2. Опора 2
2.1. Трещины многочисленные (хаотические) в теле поры
2.3. Частичное разрушение штукатурного слоя
2.4. Скол бетона
2.5. Снижение прочности бетона
2.6. Отсутствие сливной призмы
3. Пролетное строение 1
3.1. Коррозия горизонтальных листов нижних поясов главных балок
3.2. Коррозия головок заклепок
3.3. Слабые и дефектные заклепки
3.4. Механические повреждения связей между главными балками
3.5. Слабые и дефектные заклепки в вертикальном стыке
3.6. Нестандартные опорные части
3.7. Пролет не закреплен от поперечного смещения
3.8. Упирание торца балок пролетного строения в шкафную стенку устоя
4. Балки проезжей части пролетного строения 2
4.1. Коррозия горизонтальных листов нижних поясов главных балок
4.2. Коррозия головок заклепок
4.3. Слабые и дефектные заклепки
4.4. Механические повреждения связей между главными балками
5. Элементы главных ферм пролетного строения 2
5.1. Коррозия элементов верхнего пояса
5.2. Искривление нижних элементов портальных поперечных рам
5.3. Шелушение антикоррозийного лакокрасочного покрытия
Балльная оценка технического состояния искусственных сооружений характеризует уровень их эксплуатационной надежности на дистанции пути в целом или на участке железной дороги. Величина оценки зависит от качества текущего содержания и ремонта сооружений, входит в основные показатели работы дистанции пути и является одним из критериев оценки ее деятельности.
Дефект наибольшей категории, даже если он всего один, определяет базовую балльную оценку сооружения Кбаз. Чтобы существенно повысить балльную оценку сооружения, необходимо, в первую очередь, устранить наиболее опасные дефекты, по которым была установлена базовая оценка.
Для того, чтобы стимулировать сначала работы на сооружениях с дефектами худшей категории, каждый из дефектов, в зависимости от его категории, учитывается со своим коэффициентом (в долях балла).
Согласно инструкции по состоянию содержанию ИССО приведенные бальные оценки состояния
и
искусственных сооружений определяют вычитанием из базовых бальных оценок соответствующих поправок, учитывающих категорию дефектов и их количество, по следующей формуле:
где
базовые относительные оценки состояния и содержания сооружения, определяемые дефектом наибольшей категории, который обнаружен на искусственном сооружении см.;
количество дефектов соответственно для I, II и III категории;
коэффициенты, учитывающие категорию дефектов, соответственно для I, II и III категорий см.
Для приведенных балльных оценок состояния
и содержания
каждого искусственного сооружения устанавливают следующие показатели качества:
Неудовлетворительная балльная оценка сооружения при отсутствии на нем дефектов III категории не является основанием для введения особых условий эксплуатации.
Таблица №1.5. - Характеристики дефектов искусственных сооружений
| Характеристика дефекта | Категория дефекта | Базовая бальная оценка,
| Коэффициенты учитывающие категорию дефекта (в долях балла) | |
| 1. Дефекты, влияющие на безопасность, отсутствуют. Сооружение рассчитано под нагрузку С14 и Н8, его грузоподъемность не снижена. Остаточный срок службы любого элемента сооружения без ремонта не менее 85% от его нормативного значения. На сооружении необходимо выполнять только профилактические и предупредительные работы. | - | 5 | - | |
| 2. Мелкие отдельные дефекты, не оказывающие влияния на безопасность. Грузоподъемность сооружения снижена до уровня, при котором обеспечен пропуск поездов с вагонами, имеющими погонную нагрузку до 105 кН/м пути (10,5 тс/м пути) при нагрузке от оси локомотивов и вагонов на рельсы до 270 кН (27 тс), а также допускающие пропуск транспортеров грузоподъемностью до 300т со скоростью не менее 40 км/ч и со скоростью не менее 25 км/ч при грузоподъемности 301–500т. Остаточный срок службы любого элемента сооружения без ремонта составляет от 42 до 85 % его нормативного значения. Дефекты на ранней стадии развития могут быть устранены при текущем содержании. | I | 4.50 |
| |
| 3. Дефекты, развитие которых создаст угрозу безопасности Грузоподъемность сооружения снижена до уровня, при котором обеспечен пропуск поездов с вагонами, имеющими погонную нагрузку до 75 кН/м пути (7,5 тс/м пути) при нагрузке от оси локомотивов и вагонов на рельсы до 260 кН (26 тс), а также допускающие пропуск транспортеров грузоподъемностью до 300т со скоростью не менее 15 км/ч. Остаточный срок службы любого элемента сооружения без ремонта составляет от 5 до 42 % его нормативного значения. Дефекты могут быть устранены работами, направленными на поддержание прочностных характеристик элементов сооружения и на продление срока их службы и выполняемыми в рамках капитального ремонта, как правило, без проекта | II | 3.50 |
| |
| 4. Серьезные дефекты, оказывающие влияние на безопасность, требуют особых условий эксплуатации вплоть до введения ограничений. Грузоподъемность сооружения снижена до уровня, при котором пропуск обращающихся нагрузок без ограничений не обеспечен. Остаточный срок службы любого элемента сооружения составляет 5 и менее % от его нормативного значения. Дефекты могут быть устранены работами, направленными на обновление элементов сооружения и выполняемыми в рамках капитального ремонта по специальному проекту | III | 2.50 |
| |
Таблица №1.6. - Перечень дефектов обнаруженных на мосту
| Вид дефекта или повреждения | Величина дефекта | Категория дефекта | Категория технического состояния элемента | Уровень ремонта |
| 1.Береговая опора 3 1.2. Скол бетона балластного корыта с оголением и коррозией арматуры 1.3. Вертикальная трещина на боковой поверхности (поперек оси моста) 1.4. Частичное разрушение подферменной плиты 1.5. Вертикальная трещина (силовая) зоне шкафной стенки 1.6. Снижение прочности бетона (меньше 10МПа) | II | Капитальный ремонт | ||
| >3-5 см | 1 | |||
| 3-5мм | 2 | |||
| >10% | 1 | |||
| 2,0 мм | 1 | |||
| меньше 10МПа | 1 | |||
| 2. Промежуточная опора 1 2.1. Трещины многочисленные (хаотические) в теле поры 2.3. Частичное разрушение штукатурного слоя 2.4. Скол бетона 2.5. Снижение прочности бетона 2.6. Отсутствие сливной призмы | II | Капитальный ремонт | ||
| до 2,0 мм | 1 | |||
| до 5 м2 | 1 | |||
| >20 см | 2 | |||
| меньше 10МПа | 1 | |||
| - | 1 | |||
| 3. Пролетное строение 1 3.1. Коррозия горизонтальных листов нижних поясов главных балок 3.2. Коррозия головок заклепок 3.3. Слабые и дефектные заклепки 3.4. Механические повреждения связей между главными балками 3.5. Слабые и дефектные заклепки в вертикальном стыке 3.6. Нестандартные опорные части 3.7. Пролет не закреплен от поперечного смещения 3.8. Упирание торца балок пролетного строения в шкафную стенку устоя | III | Реконструкц ия или срочный капитальный ремонт | ||
| до 4мм | 2 | |||
| до 10мм | 2 | |||
| до 20% | 1 | |||
| до 10 см в плане | 2 | |||
| до 20 % | 3 | |||
| - | 2 | |||
| - | 2 | |||
| - | 1 | |||
| 4. Балки проезжей части пролетного строения 2 4.1. Коррозия горизонтальных листов нижних поясов главных балок 4.2. Коррозия головок заклепок 4.3. Слабые и дефектные заклепки 4.4. Механические повреждения связей между главными балками | III | Реконструкц ия или срочный капитальный ремонт | ||
| до 4мм | 2 | |||
| > 10мм | 3 | |||
| до 20% | 1 | |||
| до 10 см в плане | 2 | |||
| 5. Элементы главных ферм пролетного строения 2 5.1. Коррозия элементов верхнего пояса 5.2. Искривление нижних элементов портальных поперечных рам 5.3. Шелушение антикоррозийного лакокрасочного покрытия | II | Капитальный ремонт | ||
| до 3мм | 2 | |||
| до 0,025 | 2 | |||
| до 15 % | 1 |
















