Диплом ПАЧИНИН 1 (1052006), страница 9
Текст из файла (страница 9)
е>1, следовательно работает на сжатие только часть сечения. Требуется уточнить класс допускаемой нагрузки.
;
23.19м2 – площадь сжатой части сечения;
.
5. Расчет опоры на опрокидывание
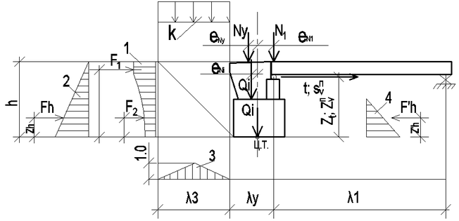
Устой на опрокидывание загружают не выгоднейшим образом, располагая нагрузку только на призме обрушения.
k - допускаемая временная вертикальная нагрузка;
1 – эпюра горизонтального (бокового) давления на устой от транспортных средств на призме обрушения; 2 – эпюра бокового давления от собственного веса грунта; 3 – линия влияния вертикальных нормальных сил
; 4- эпюра грунта засыпки.
Рисунок Б.4. Схема загружения промежуточной опоры на максимальную нагрузку в продольном направлении.
, (Б.10)
, (Б.11)
, (Б.12)
(Б.13)
где
– коэффициент условий;
– коэффициент надежности по назначению.
mу=0.8;
=1.1;
;
;
;
тс;
;
;
=1.21; ηk=0.8; остальные значения приведены в пункте 2.1.
тс*м;
.
6. Расчет опоры на опрокидывание
Схема загружения устоя приведена на рисунке Б.4. Допускаемая нагрузка равна:
(Б.14)
где
– коэффициент трения, f=0.5;
– коэффициент надежности по назначению;
- равнодействующая и плечо действия горизонтального давления от веса грунта;
– суммарная площадь линии влияния вертикальной временной нагрузки.
Все исходные данные приведены под соответствующими обозначениями в предыдущих пунктах.
7. Класс опоры
Классы промежуточной опоры в расчетных сечениях вычисляются по формуле:
; (Б.15)
где
– интенсивность эталонной нагрузки;
-динамический коэффициент,
.
Эквивалентную
и единичную
нагрузки для треугольно-прямоугольных линий влияния вычисляют по формуле:
; (Б.16)
где
– значения эквивалентных нагрузок треугольных линий влияния соответственно длиной
и λ;
– табличные значения единичных эквивалентных нагрузок.
Приложение Б
Расчет грузоподъемности опоры №2
1. Общие положения
Грузоподъемность промежуточных опор определяют:
по среднему давлению;
по максимальному давлению;
по эксцентриситету приложения равнодействующей нагрузок с нахождением относительного эксцентриситета;
по устойчивости против опрокидывания.
Максимальное давление (у наиболее загруженной грани) определяют как в продольном, так и в поперечном направлении к оси моста. Все опоры по среднему давлению и симметричные однопутные опоры по эксцентриситету приложения равнодействующей рассчитывают только в продольном относительно оси моста направлении.
Расчетные сопротивления кладки мостовых опор на порядок больше расчетных сопротивлений грунтов основания, поэтому при небольшой разнице площадей сечений по подошве и по обрезу фундамента классы по кладке можно не определять.
2. Расчет опор по среднему давлению
Расчетная схема промежуточной опоры по среднему давлению (рисунок Б.1) предусматривает загружение временной вертикальной нагрузкой обоих опирающихся на нее пролетных строений. В расчет по среднему давлению вводят только вертикальные постоянные нагрузки и искомую временную нагрузку. Площадь линии влияния равна:
(Б.1)
где
– длина загружения первого и второго пролета соответственно.
, (Б.2)
где
- собственный вес частей тела опоры выше расчетного сечения с соответствующим коэффициентом надежности по нагрузкам;
,
- суммарная интенсивность постоянных нагрузок от веса пролетных строений (соответственно 1 и 2), смотровых приспособлений, коммуникаций и д.р;
,
- интенсивность нагрузки от веса мостового полотна, распределенной по длине пролетного строения;
,
- коэффициенты надежности по нагрузкам.
Допускаемая временная вертикальная нагрузка k определяется по формуле:
(Б.3)
где
– из формул Б.1 и Б.2;
R – расчетное сопротивление кладки или несущая способность грунта;
А – рабочая площадь поперечного сечения;
m– коэффициент условий работы;
– коэффициент надежности по назначению;
– доля вертикальной нагрузки передающаяся на многопутную опору.
Длины загружения линии влияния вычисляются по формуле:
, (Б.4)
где
- длины консолей продольных балок;
- расчетные пролеты пролетных строений, опирающихся на опору.
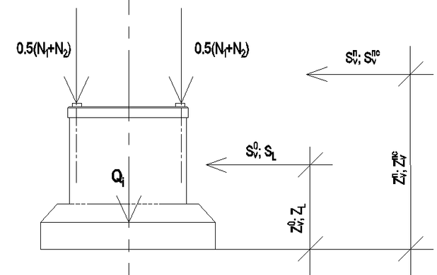
k - допускаемая временная вертикальная нагрузка;
1 - линия влияния вертикальной (нормальной) нагрузки
и
плечи от центра тяжести до нормальных сил
Рисунок Б.1. Схема загружения промежуточной опоры с разрезными пролетными строениями для расчета по среднему давлению.
2.1. В сечении по подошве фундамента
Вес частей опоры выше подошвы фундамента -
=615.98тс;
=1.1;
=1.1;
=1.1; m=1.0;
=0.72;
=2.25тс/м;
=0.7тс/м; расчетное сопротивление основания - R=93.72тс/м2; А=72.73м2;
=1.13.
;
.
2.2. В сечении по обрезу фундамента
Вес частей опоры выше обреза фундамента -
=253.94тс;
=1.1;
=1.1;
=1.1; m=0.9;
=1;
=2.25тс/м;
=0.7тс/м; расчетное сопротивление кладки опоры - R=522тс/м2; А=21.44м2;
=1.13.
;
.
2.3. В сечении по сколу в теле опоры
Вес частей опоры выше обреза фундамента -
=79.39тс;
=1.1;
=1.1;
=1.1; m=0.9;
=1;
=2.25тс/м;
=0.7тс/м; расчетное сопротивление кладки опоры - R=522тс/м2; А=19.25м2;
=1.13.
;
.
3. Расчет опор по максимальному давлению
Грузоподъемность промежуточных опор по максимальному давлению определяют как в продольном, так и в поперечном направлении. Расчет в продольном направлении. На максимальное давление промежуточную опору следует проверять по двум расчетным схемам, загружая временной нагрузкой оба пролета (см. рисунок Б.1) или один (больший) пролет (рисунок Б.2). Допускаемую временную нагрузку определяют по формуле (Б.5) в которой, применительно к расчету промежуточной опоры: W - момент сопротивления сечения для наиболее сжатой грани; А - площадь поперечного сечения;
- радиус ядра сечения;
- определяется по формуле (Б.2):
(Б.5)
k - допускаемая временная вертикальная нагрузка;
1 - линия влияния вертикальной (нормальной) нагрузки
Рисунок Б.2. Схема загружения промежуточной опоры на максимальную нагрузку в продольном направлении.
Площади линий влияния нормальных сил и изгибающих моментов определяют по формулам при загружении одного пролета Б.6 и Б.7, а сумму моментов от постоянных сил с учетом действия прочих временных нагрузок по формуле независимо от количества загруженных пролетов Б.8:
(Б.6)
(Б.7)
, (Б.8)
где
-горизонтальные расстояния (плечи) от центра тяжести сечения до соответствующих нагрузок;
-вертикальные плечи нагрузок до уровня рассматриваемого сечения;
-продольные ветровые нагрузки на пролетное строение и на опору;
-коэффициенты надежности по соответствующим нагрузкам;
- коэффициент передачи продольного усилия через опорные части;
- коэффициенты сочетаний временных нагрузок;
- полная длина пролетного строения;
– коэффициент учитывающий снятие динамических добавок к тормозным силам.
При загружении двух пролетов площади линий влияния нормальных сил и изгибающих моментов определяют по формулам Б.9 и Б.10:
(Б.9)
, (Б.10)
Сумму моментов от постоянных сил с учетом действия прочих временных нагрузок по формуле независимо от количества загруженных пролетов
Расчет в поперечном направлении. Расчетная схема представлена на рисунке Б.3.
Рисунок Б.3. Схема загружения промежуточной опоры на максимальную нагрузку в поперечном направлении.
Временной вертикальной нагрузкой загружают два пролета. По формуле Б.5 находят допускаемую временную нагрузку. Площадь линии влияния изгибающих моментов находят по формуле:
(Б.11)
где
- горизонтальные расстояния (плечи) от центра тяжести сечения до соответствующих нагрузок;
– плечо центробежной силы
.
Так как опора симметричная и однопутная
=0 и мост располагается на прямой центробежная сила
=0. Следовательно
.
Сумма моментов от постоянных сил, ветра и ледовой нагрузке равна:
; (Б.12)
где
– поперечная ветровая нагрузка на подвижной состав, находящийся на пролетном строении, и плечо этой нагрузки.
Остальные буквенные обозначения приведены в выше приведенных формулах.
3.1. В сечении по подошве фундамента в продольном направлении при загружении одного пролета
m=1.2;
=0.72;
;
;
;
=6.37м;
;
тс;
;
;
; расчетное сопротивление основания - R=93.72тс/м2; W=70.34м3;
=1.16; ηk=0.8; ρ=0.97м; остальные значения приведены в пункте 2.1.















