Оформленное ДЗ (1041570)
Текст из файла
Пестриков Андрей МТ11-82
ДЗ_3
Вариант 26
-
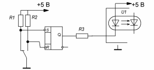
Подключить датчик ДК с выходом «Сухой контакт» к контроллеру с входом «Открытый катод СД». Обеспечить ток через светодиод и на линии связи 8 мА, питание анода светодиода – 5 В. Обеспечить аппаратное подавление дребезга контактов.
Решение:
Напряжение на светодиоде UСД =1.6 В
-
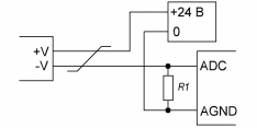
Обеспечить подключение датчика датчика температуры с диапазоном -50..+100°С, с токовым выходом 4..20 мА и питанием +12..+42 В к входу АК контроллера 0..10 В. Рассчитать и выбрать нагрузочный резистор. Выводы датчика +V, -V. Рассчитать и построить характеристику Т(I). Сколько градусов приходится на одну дискрету, если преобразование 12-и разрядное.
Решение:
Сопротивление нагрузочного резистора:
Характеристика датчика:
Интервал в 150˚С делится на 212=4096 дискрет, т.е. на одну дискрету приходится:
-
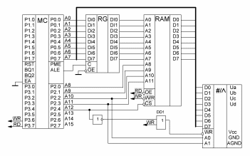
Подключить к МК внешнее ОЗУ на 4 кБ и ЦАП MAX-506. Дать пример обращения к третьему каналу ЦАП.
Решение:
Обращение к третьему каналу ЦАП:
MOV A,#11010111b
MOV DPTR,#XXX110XXXXXXXXXXb ;Х – произвольное значение
MOV @DPTR,A
Характеристики
Тип файла документ
Документы такого типа открываются такими программами, как Microsoft Office Word на компьютерах Windows, Apple Pages на компьютерах Mac, Open Office - бесплатная альтернатива на различных платформах, в том числе Linux. Наиболее простым и современным решением будут Google документы, так как открываются онлайн без скачивания прямо в браузере на любой платформе. Существуют российские качественные аналоги, например от Яндекса.
Будьте внимательны на мобильных устройствах, так как там используются упрощённый функционал даже в официальном приложении от Microsoft, поэтому для просмотра скачивайте PDF-версию. А если нужно редактировать файл, то используйте оригинальный файл.
Файлы такого типа обычно разбиты на страницы, а текст может быть форматированным (жирный, курсив, выбор шрифта, таблицы и т.п.), а также в него можно добавлять изображения. Формат идеально подходит для рефератов, докладов и РПЗ курсовых проектов, которые необходимо распечатать. Кстати перед печатью также сохраняйте файл в PDF, так как принтер может начудить со шрифтами.















