Домашка (1041560)
Текст из файла
Московский Государственный технический Университет им. Н. Э. Баумана
Факультет: «Машиностроительные технологии»
Кафедра: «Электронные технологии в машиностроении»
Домашнее задание №2
по дисциплине
«Системы автоматизированного управления»
Вариант № 23
Студентка:
группы МТ11-82
Макарова Ю.С.
Преподаватель:
Рябов В.Т.
Москва
2015г.
ЗАДАНИЕ 1
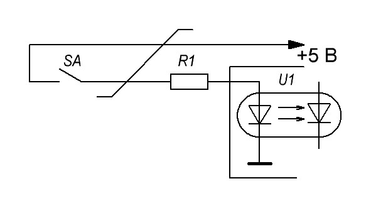
Подключить датчик ДК с выходом «Сухой контакт» к контроллеру с входом «Открытый анод СД». Обеспечить ток через светодиод и на линии связи 10 мА.
Принимаем
Полученное значение присутствует в ряду номинальных сопротивлений резисторов.
ЗАДАНИЕ 2
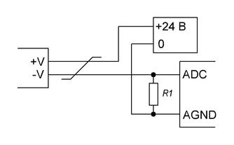
Обеспечить подключение датчика температуры с диапазоном 0..400°С, с токовым выходом 4..20 мА и питанием +12..+42 В к входу АК контроллера 0..5 В. Рассчитать и выбрать нагрузочный резистор. Выводы датчика +V, -V. Рассчитать и построить характеристику Т(I). Сколько градусов приходится на одну дискрету, если преобразование 12-и разрядное.
Сопротивление нагрузочного резистора
Рассчитаем характеристику датчика:
Интервал температур шириной в 400˚С делится на 212 дискрет, то есть на одну дискрету приходится:
ЗАДАНИЕ 3
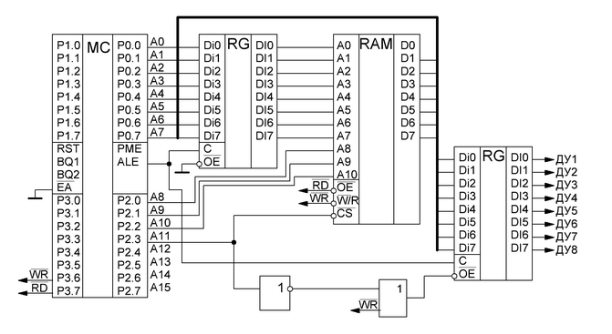
3. Подключить к МК внешнее ОЗУ на 2 кБ и регистр на 8 ДУ. Дать примеры обращения к младшей и старшей ячейке ОЗУ.
Обращение к младшей ячейке ОЗУ:
MOV DPTR,#0000h ;записываем адрес младшей ячейки в
;указатель данных
MOV A,#01010101 ;задаём значение, записываемое в ячейку
MOVX @DPTR,A ;записываем значение в ячейку
Обращение к старшей ячейке:
MOV DPTR,#07FFh ;записываем адрес старшей ячейки в
;указатель данных
MOVX A,@DPTR ;считываем в аккумулятор содержимое ячейки
Характеристики
Тип файла документ
Документы такого типа открываются такими программами, как Microsoft Office Word на компьютерах Windows, Apple Pages на компьютерах Mac, Open Office - бесплатная альтернатива на различных платформах, в том числе Linux. Наиболее простым и современным решением будут Google документы, так как открываются онлайн без скачивания прямо в браузере на любой платформе. Существуют российские качественные аналоги, например от Яндекса.
Будьте внимательны на мобильных устройствах, так как там используются упрощённый функционал даже в официальном приложении от Microsoft, поэтому для просмотра скачивайте PDF-версию. А если нужно редактировать файл, то используйте оригинальный файл.
Файлы такого типа обычно разбиты на страницы, а текст может быть форматированным (жирный, курсив, выбор шрифта, таблицы и т.п.), а также в него можно добавлять изображения. Формат идеально подходит для рефератов, докладов и РПЗ курсовых проектов, которые необходимо распечатать. Кстати перед печатью также сохраняйте файл в PDF, так как принтер может начудить со шрифтами.















