Оформленное ДЗ (1041558)
Текст из файла
Московский ордена Ленина, ордена Октябрьской Революции и ордена Трудового Красного Знамени Государственный Технический Университет имени Н. Э. Баумана
ФАКУЛЬТЕТ: Машиностроительные Технологии
КАФЕДРА: “Электронные технологии в
машиностроение”
Домашняя работа №3
по курсу «Системы автоматического управления»
Студент
Загребельный. Д.В.
Группы МТ11-82
Преподаватель
18 баллов, см. замечания к вопросу 3 Рябов В.Т.
Москва 2015г
ЗАДАНИЕ
Вариант 21.
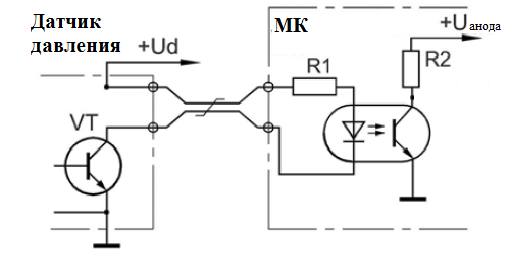
1. Подключить активный датчик с выходом «Открытый коллектор, открытый эмиттер n-p-n фототранзистора оптопары» и питанием 12 В к контроллеру со входом «Открытый анод СД». Рассчитать балластный резистор светодиода, если анод подключен к 0 В, номинальный ток светодиода – 12 мА.
2. Обеспечить подключение датчика датчика температуры с диапазоном -50..+100°С, с токовым выходом 4..20 мА и питанием +12..+42 В к входу АК контроллера 0..5 В. Рассчитать и выбрать нагрузочный резистор. Выводы датчика +V, -V. Рассчитать и построить характеристику Т(I). Сколько градусов приходится на одну дискрету, если преобразование 12-и разрядное.
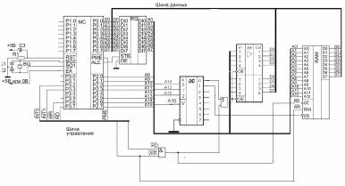
3. Подключить к МК внешнее ОЗУ на 8 кБ и буфер на 8 ДК. Дать примеры обращения к младшей и старшей ячейке ОЗУ.
Решение
Дано: Ud = 12B, Iсд = 12мА, Uанода = 0В, Uкэ =0,5В, Uсд =1,6 В
1. Схема подключения датчика к микроконтроллеру:
Исходя из данных условия, можем вычислить балластное сопротивление:
-
Диапазон -50..+100ºС
-
Токовый выход 4..20 мА
-
Питание +12..+42 В
-
АК контроллер 0 - 5 В
Схема подключения температурного датчика к АК контроллеру:
Rн = Uвх(max)/Imax = 5/0.02 = 250Ом
Сопротивление нагрузочного резистора = 250 Ом.
График зависимости T(I):
При условии что преобразование 12 – ти разрядное получим:
3. Внешнее ОЗУ на 8кБ и буфер на 8 ДК
Входы буфера должны быть подключены к датчикам ДК на объекте.
Характеристики
Тип файла документ
Документы такого типа открываются такими программами, как Microsoft Office Word на компьютерах Windows, Apple Pages на компьютерах Mac, Open Office - бесплатная альтернатива на различных платформах, в том числе Linux. Наиболее простым и современным решением будут Google документы, так как открываются онлайн без скачивания прямо в браузере на любой платформе. Существуют российские качественные аналоги, например от Яндекса.
Будьте внимательны на мобильных устройствах, так как там используются упрощённый функционал даже в официальном приложении от Microsoft, поэтому для просмотра скачивайте PDF-версию. А если нужно редактировать файл, то используйте оригинальный файл.
Файлы такого типа обычно разбиты на страницы, а текст может быть форматированным (жирный, курсив, выбор шрифта, таблицы и т.п.), а также в него можно добавлять изображения. Формат идеально подходит для рефератов, докладов и РПЗ курсовых проектов, которые необходимо распечатать. Кстати перед печатью также сохраняйте файл в PDF, так как принтер может начудить со шрифтами.
















