Оформленное ДЗ (1041553)
Текст из файла
Московский ордена Ленина, ордена Октябрьской Революции и ордена Трудового Красного Знамени Государственный Технический Университет имени Н. Э. Баумана
ФАКУЛЬТЕТ: Машиностроительные Технологии
КАФЕДРА: “Электронные технологии” МТ11
КУРС: “Системы автоматического управления”
«Домашнее задание №3
Вариант 20»
Группа: МТ11-82
Студент: Жулёва Т.С
Преподаватель: Рябов В.Т.
-
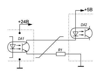
У оптопары перепутаны эмиттер и коллектор.
-
Вопрос 3 см. замечания в тексте.
Исправлено
Москва 2015
-
Подключить активный датчик с выходом «Открытый коллектор, открытый эмиттер n-p-n фототранзистора оптопары» и питанием 24 В к контроллеру со входом «Открытый катод СД». Рассчитать балластный резистор светодиода, если анод подключен к 5 В, номинальный ток светодиода – 10 мА.
Принимаем:
Тогда:
-
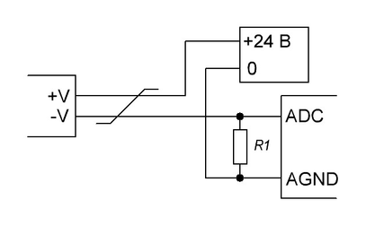
Обеспечить подключение датчика температуры с диапазоном 0..400°С, с токовым выходом 4..20 мА и питанием +12..+42 В к входу АК контроллера 0..5 В. Рассчитать и выбрать нагрузочный резистор. Выводы датчика +V, -V. Рассчитать и построить характеристику Т(I). Сколько градусов приходится на одну дискрету, если преобразование 16-и разрядное.
Сопротивление нагрузочного резистора
Характеристика датчика:
Диапазон в 100˚С делится на 216=65536 дискрет, т.е. на одну дискрету приходится:
-
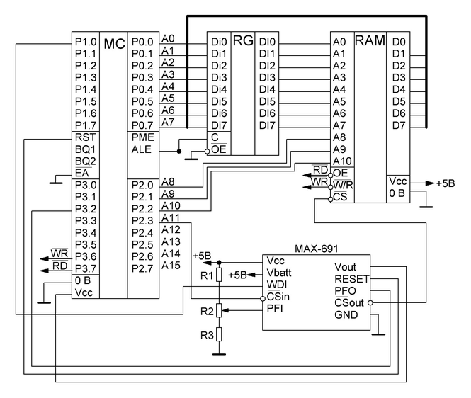
Подключить к МК супервизор МАХ-691 и энергонезависимое ОЗУ на 2 кБ. Обеспечить сохранение резидентного ОЗУ при падении напряжения ниже 4.75 В.
Задаём диапазон регулирования потенциала на входе PFI от 1 до 1.5В. Рассчитаем требуемые сопротивления, приняв ток в ветви 1 мА.
Характеристики
Тип файла документ
Документы такого типа открываются такими программами, как Microsoft Office Word на компьютерах Windows, Apple Pages на компьютерах Mac, Open Office - бесплатная альтернатива на различных платформах, в том числе Linux. Наиболее простым и современным решением будут Google документы, так как открываются онлайн без скачивания прямо в браузере на любой платформе. Существуют российские качественные аналоги, например от Яндекса.
Будьте внимательны на мобильных устройствах, так как там используются упрощённый функционал даже в официальном приложении от Microsoft, поэтому для просмотра скачивайте PDF-версию. А если нужно редактировать файл, то используйте оригинальный файл.
Файлы такого типа обычно разбиты на страницы, а текст может быть форматированным (жирный, курсив, выбор шрифта, таблицы и т.п.), а также в него можно добавлять изображения. Формат идеально подходит для рефератов, докладов и РПЗ курсовых проектов, которые необходимо распечатать. Кстати перед печатью также сохраняйте файл в PDF, так как принтер может начудить со шрифтами.
















