Оформленное ДЗ (1041523)
Текст из файла
Московский государственный технический университет имени Н.Э. Баумана
Факультет «Машиностроительные технологии»
Кафедра «Электронные технологии в машиностроении»
Домашнее задание по курсу
«Системы автоматического управления»
Вариант 12
Студент: Салахетдинова Н.В.
Группа: МТ11-82
Нет примера обращения к линии ДК в третьем вопросе. 14 баллов.
Москва 2015 г.
-
Подключить активный датчик с выходом «Открытый коллектор n-p-n» и питанием 10 В к контроллеру со входом «Открытый катод СД». Рассчитать балластный резистор светодиода, если анод подключен к 5 В номинальный ток светодиода – 8 мА.
Сопротивление резистора:
-
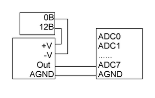
Обеспечить подключение датчика температуры с диапазоном 0..100°С, потенциальным выходом 0..10 В и питанием +12 В к входу АК контроллера 0..10 В. Выводы датчика +V, -V, Out, AGND. Рассчитать и построить характеристику Т(U). Сколько градусов приходится на дискрету, если преобразование 10-и разрядное.
На одну дискрету приходится:
Характеристика датчика:
-
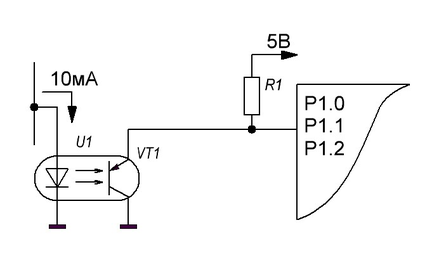
Подключить к порту Р1.1 датчик ДК с выходным током в 10 мА. Дать пример обращения к линии.
Для устранения помех гальванически развязываем датчик от МК.
Резистор R1 обеспечивает потенциал 3В на входе Р1.1 при закрытом транзисторе, ток потребления порта – 1мА:
Характеристики
Тип файла документ
Документы такого типа открываются такими программами, как Microsoft Office Word на компьютерах Windows, Apple Pages на компьютерах Mac, Open Office - бесплатная альтернатива на различных платформах, в том числе Linux. Наиболее простым и современным решением будут Google документы, так как открываются онлайн без скачивания прямо в браузере на любой платформе. Существуют российские качественные аналоги, например от Яндекса.
Будьте внимательны на мобильных устройствах, так как там используются упрощённый функционал даже в официальном приложении от Microsoft, поэтому для просмотра скачивайте PDF-версию. А если нужно редактировать файл, то используйте оригинальный файл.
Файлы такого типа обычно разбиты на страницы, а текст может быть форматированным (жирный, курсив, выбор шрифта, таблицы и т.п.), а также в него можно добавлять изображения. Формат идеально подходит для рефератов, докладов и РПЗ курсовых проектов, которые необходимо распечатать. Кстати перед печатью также сохраняйте файл в PDF, так как принтер может начудить со шрифтами.















