Оформленное ДЗ (1041518)
Текст из файла
Рубцов Максим МТ11-81 Вариант 11
-
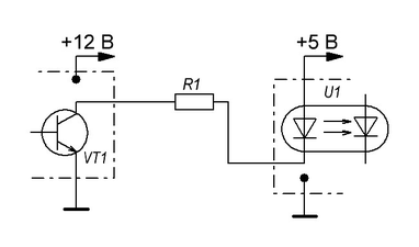
Подключить активный датчик с выходом «Открытый коллектор n-p-n» и питанием 12 В к контроллеру со входом «Открытый катод СД». Рассчитать балластный резистор светодиода, если анод подключен к 5 В номинальный ток светодиода – 12 мА.
Принимаем:
Сопротивление балластного резистора:
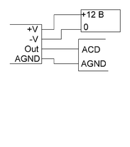
2. Обеспечить подключение датчика давления с диапазоном 0..100 кПа, потенциальным выходом 0..10 В и питанием +12 В к входу АК контроллера 0..10 В. Выводы датчика +V, -V, Out, AGND. Рассчитать и построить характеристику Р(U). Сколько Паскалей приходится на дискрету, если преобразование 16-и разрядное.
Цена одной дискреты:
-
Подключить к МК импульсную линию с возможностью измерения длительности импульсов до 1 секунды. Как ее измерить?
Подключаем импульсную линию к выводу МК Р3.2
0: LJMP START
0B: LJMP SCHET
START:
ORL TMOD,00001001b ;Установить бит Gate0 и режим 1 Т/С0
CLR TMOD.2 ;Установить Т/С0 в состояние «таймер»
ORL TCON,00010000b ;Установить бит TR0
MOV TH0,#0 ;Обнуляем старший байт Т/С0
MOV TL0,#0 ;Обнуляем младший байт Т/С0
MOV TICK,#0 ; Обнуляем счётчик переполнений таймера
WAIT: JNB P3.2,WAIT ; Ждём прерывания
SJMP START
SCHET:
m1: JB P3.2,m2 ;проверяем не прекращён ли импульс
SJMP m3 ; выходим из подпрограммы, если импульс прекращён
m2: JNB TF0,m1 ;проверяем флаг переполнения Т/С0
CLR TF0 ;обнуляем флаг
INC TICK ;увеличиваем число переполнений на 1
SJMP m1 ;идём в начало и ждём следующего переполнения
m3: RTI
Переменная TICK соответствует длине исследуемого импульса. При подключении к МК резонатора с частотой 12МГц максимальная длина исследуемого импульса равна: 65535*255=16711425 мкс=16,711425 с
Характеристики
Тип файла документ
Документы такого типа открываются такими программами, как Microsoft Office Word на компьютерах Windows, Apple Pages на компьютерах Mac, Open Office - бесплатная альтернатива на различных платформах, в том числе Linux. Наиболее простым и современным решением будут Google документы, так как открываются онлайн без скачивания прямо в браузере на любой платформе. Существуют российские качественные аналоги, например от Яндекса.
Будьте внимательны на мобильных устройствах, так как там используются упрощённый функционал даже в официальном приложении от Microsoft, поэтому для просмотра скачивайте PDF-версию. А если нужно редактировать файл, то используйте оригинальный файл.
Файлы такого типа обычно разбиты на страницы, а текст может быть форматированным (жирный, курсив, выбор шрифта, таблицы и т.п.), а также в него можно добавлять изображения. Формат идеально подходит для рефератов, докладов и РПЗ курсовых проектов, которые необходимо распечатать. Кстати перед печатью также сохраняйте файл в PDF, так как принтер может начудить со шрифтами.
















