3 (1041512)
Текст из файла
-
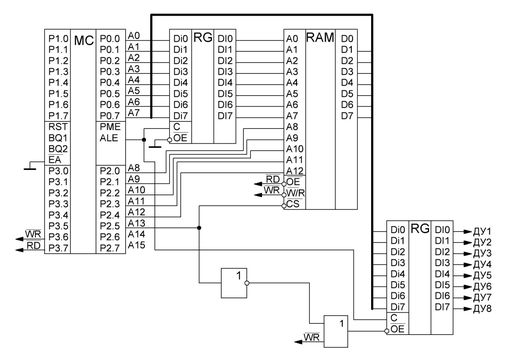
Подключить к МК внешнее ОЗУ на 8 кБ и регистр на 8 ДУ. Дать пример включения линии ДУ3.
Включение линии ДУ3 (считаем, что включение осуществляется нулём):
MOV DPTR,XX1XXXXXXXXXXXXX ;X – любое значение
MOVX A,@DPTR ;Читаем регистр
ANL A,#11111011b ;Устанвливаем третий бит в ноль
MOVX @DPTR,A ;Записываем новое значение в регистр
Характеристики
Тип файла документ
Документы такого типа открываются такими программами, как Microsoft Office Word на компьютерах Windows, Apple Pages на компьютерах Mac, Open Office - бесплатная альтернатива на различных платформах, в том числе Linux. Наиболее простым и современным решением будут Google документы, так как открываются онлайн без скачивания прямо в браузере на любой платформе. Существуют российские качественные аналоги, например от Яндекса.
Будьте внимательны на мобильных устройствах, так как там используются упрощённый функционал даже в официальном приложении от Microsoft, поэтому для просмотра скачивайте PDF-версию. А если нужно редактировать файл, то используйте оригинальный файл.
Файлы такого типа обычно разбиты на страницы, а текст может быть форматированным (жирный, курсив, выбор шрифта, таблицы и т.п.), а также в него можно добавлять изображения. Формат идеально подходит для рефератов, докладов и РПЗ курсовых проектов, которые необходимо распечатать. Кстати перед печатью также сохраняйте файл в PDF, так как принтер может начудить со шрифтами.
















