Оформленное ДЗ (1041508)
Текст из файла
Московский государственный технический университет имени Н.Э. Баумана
Факультет «Машиностроительные технологии»
Кафедра «Электронные технологии в машиностроении»
Домашнее задание по курсу
«Системы автоматического управления»
Вариант №7
18 баллов. Два балла сняты за задержку, замечания не принципиальны
Группа: МТ11-81
Студент: Кузищева Д.М.
Преподаватель: Рябов В.Т.
2015 г
Задание 1
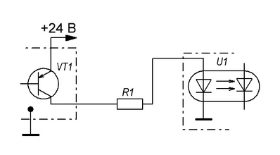
Подключить активный датчик с выходом «Открытый коллектор p-n-p» и питанием 24 В к контроллеру со входом «Открытый анод СД». Рассчитать балластный резистор светодиода, если катод подключен к 0 В, номинальный ток светодиода – 10 мА.
Пусть UСД=1.6 В, а UКЭ=0.5 В, тогда сопротивление резистора:
Задание 2
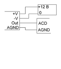
Обеспечить подключение датчика давления с диапазоном 0..100 кПа, потенциальным выходом 0..10 В и питанием +12 В к входу АК контроллера 0..10 В. Выводы датчика +V, -V, Out, AGND.
Рассчитать и построить характеристику Р(U). Сколько Паскалей приходится на дискрету, если преобразование 10-и разрядное.
Цена одной дискреты:
Задание 3
3. Подключить к МК ЦАП MAX-506, регистр ДУ и буфер ДК. Дать пример обращения к третьей линии ДК.
Обращение к линии ДК3
MOV DPTR,0000h ; заносим в указатель данных адрес буфера
MOVX A, @DPTR ; читаем байт из буфера
ANL A,#00000100b ; маскируем третий бит. Биты считают слева, начиная с нулевого
JZ rel ; выполняем подпрограмму, если бит равен нулю
Характеристики
Тип файла документ
Документы такого типа открываются такими программами, как Microsoft Office Word на компьютерах Windows, Apple Pages на компьютерах Mac, Open Office - бесплатная альтернатива на различных платформах, в том числе Linux. Наиболее простым и современным решением будут Google документы, так как открываются онлайн без скачивания прямо в браузере на любой платформе. Существуют российские качественные аналоги, например от Яндекса.
Будьте внимательны на мобильных устройствах, так как там используются упрощённый функционал даже в официальном приложении от Microsoft, поэтому для просмотра скачивайте PDF-версию. А если нужно редактировать файл, то используйте оригинальный файл.
Файлы такого типа обычно разбиты на страницы, а текст может быть форматированным (жирный, курсив, выбор шрифта, таблицы и т.п.), а также в него можно добавлять изображения. Формат идеально подходит для рефератов, докладов и РПЗ курсовых проектов, которые необходимо распечатать. Кстати перед печатью также сохраняйте файл в PDF, так как принтер может начудить со шрифтами.
















