1 (1041490)
Текст из файла
-
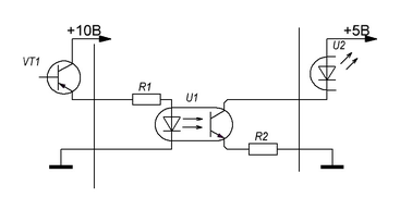
Подключить активный датчик с выходом «Открытый коллектор p-n-p» и питанием 10 В к контроллеру со входом «Открытый катод СД». Рассчитать балластный резистор светодиода, если анод получает питание +5 В, номинальный ток светодиода – 8 мА.
Рассчитаем сопротивления резисторов, приняв UСД=1,6В, UКЭ=0,5В
Из ряда номинальных сопротивлений резисторов выбираем 365 Ом и 988 Ом.
У p-n-p –транзистора к эмиттеру подключают «(-)». - Исправлено
Характеристики
Тип файла документ
Документы такого типа открываются такими программами, как Microsoft Office Word на компьютерах Windows, Apple Pages на компьютерах Mac, Open Office - бесплатная альтернатива на различных платформах, в том числе Linux. Наиболее простым и современным решением будут Google документы, так как открываются онлайн без скачивания прямо в браузере на любой платформе. Существуют российские качественные аналоги, например от Яндекса.
Будьте внимательны на мобильных устройствах, так как там используются упрощённый функционал даже в официальном приложении от Microsoft, поэтому для просмотра скачивайте PDF-версию. А если нужно редактировать файл, то используйте оригинальный файл.
Файлы такого типа обычно разбиты на страницы, а текст может быть форматированным (жирный, курсив, выбор шрифта, таблицы и т.п.), а также в него можно добавлять изображения. Формат идеально подходит для рефератов, докладов и РПЗ курсовых проектов, которые необходимо распечатать. Кстати перед печатью также сохраняйте файл в PDF, так как принтер может начудить со шрифтами.
















