Проект (1041451), страница 2

Файл №1041451 Проект (Готовые курсовые проекты неизвестного варианта) 2 страницаПроект (1041451) страница 22017-12-26СтудИзба
Просмтор этого файла доступен только зарегистрированным пользователям. Но у нас супер быстрая регистрация: достаточно только электронной почты!

Текст из файла (страница 2)


Рис.14 Эпюры изгибающего момента для верхнего пояса в двух плоскостях уОz и хОz

Наиболее нагруженными являются точки 1 и 2.

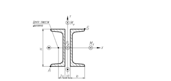
      1. Расчетная схема:

Х, Y - центральные оси сечения;

Z0 – координаты центра тяжести швеллера;

Н – высота швеллера;

b – ширина полки швеллера.

Рис. 5.2. Расчетная схема поперечного сечения верхнего пояса.

      1. Допускаемые напряжения при статическом нагружении :

где [σ]р – допускаемое напряжение при растяжении;

m=1.1 – коэффициент неполноты расчета (учитывает влияние горизонтальной фермы);

Ryn=250 МПа – нормативное сопротивление при растяжении;

γm=1.05 – коэффициент надежности по материалу.

      1. Допускаемое напряжение при работе на выносливость:

где α – коэффициент учитывающий число циклов нагружения (n=106);

γv – коэффициент учитывающий асимметрию цикла нагружения;

Rv=36 МПа – расчетное сопротивление;

      1. Расчетные изгибающие моменты:

где Мх – изгибающий момент относительно оси X;

Му – изгибающий момент относительно оси Y;

      1. Подбор сечения верхнего пояса:

Подбор размера швеллера производился методом перебора, то есть брался произвольный швеллер, и производились расчеты:

  1. На статическую прочность;

  2. На устойчивость;

  3. На сопротивление усталости.

Если требования хотя бы одного из расчета не выполнялись, то брался следующий типоразмер швеллера и расчеты производились заново, до тех пор, пока не выполнялись условия всех расчетов.

Принимаем швеллер №22 ГОСТ 8240-89.

      1. Проверочный расчет на статическую прочность:

Прочность данного сечения необходимо проверить в двух точках: А, Б

(см. Рис. 5.2.).

Момент инерции поперечного сечения относительно оси Х:

где - собственный момент инерции швеллера относительно оси Х.

Момент инерции поперечного сечения относительно оси Y:

где - собственный момент инерции швеллера относительно оси Y;

Z0=22.1 мм – координата центра тяжести швеллера;

Площадь поперечного сечения:

Напряжение в точке А:

где YA=H/2=220/2=110 мм – координата точки А по оси Y;

ХА=b+5=82+5=87 мм – координата точки А по оси Х;

Знак минус означает, что действующее напряжение – сжимающее. Статическая прочность в точке А обеспечивается.

Напряжение в точке Б:

где YБ=Н/2=220/2=110 мм – координата точки Б по оси Y;

ХБА=82 мм – координата точки Б по оси Х;

Статическая прочность в точке Б обеспечивается.

Заключение: Статическая прочность обеспечивается во всех точках сечения.

      1. Проверочный расчет общей устойчивости:

Максимальная гибкость сечения:

где - длина полуволны изогнутой оси стержневого элемента;

μ=1 – коэффициент Эйлера (учитывает тип закрепления стержневого элемента);

- минимальный радиус инерции поперечного сечения;

- минимальный момент инерции поперечного сечения.

Условие устойчивости:

В случаи, когда на поперечное сечение действует два изгибающих момента необходимо произвести две проверки устойчивости:

  1. В плоскости действия максимального изгибающего момента МХ;

  2. В случаи совместного действия изгибающих моментов МХ и МY.

В плоскости действия максимального изгибающего момента МХ:

- условие устойчивости;

где φу=0.82 – коэффициент понижения допускаемых напряжений (выбирается в зависимости от λmax по СНиП);

- коэффициент учитывающий влияния изгибающего момента МХ на устойчивость;

α=0.6 – коэффициент учитывающий тип поперечного сечения;

- относительный эксцентриситет (коэффициент показывающий, как работает стержневой элемент, как балка или стойка);

-момент сопротивления изгибу поперечного сечения относительно оси OX;

Ymax=Н/2=220/2=110 мм – максимальная координата поперечного сечения по оси Y;

Общая устойчивость в плоскости действия максимального изгибающего момента Мх обеспечивается.

В случаи совместного действия изгибающих моментов МХ и МY :

- условие устойчивости;

где φ – коэффициент учитывающий влияния двух изгибающих моментов МХ и МY на устойчивость;

φ/у=0.7 – коэффициент понижение допускаемых напряжений (выбирается в зависимости от λmax и mу по СНиП);

- коэффициент учитывающей влияния изгибающего момента МY на устойчивость; - относительный эксцентриситет (коэффициент показывающий, как работает стержневой элемент, как балка или стойка);

-момент сопротивления изгибу поперечного сечения относительно оси OY;

Xmax=b+5= – максимальная координата поперечного сечения по оси X;

Общая устойчивость в случаи совместного действия изгибающих моментов Мх и МY обеспечивается.

Заключение: Общая устойчивость стержневого элемента обеспечивается.

      1. Проверочный расчет на сопротивление усталости.

Условие прочности:

Заключение:

Сопротивление усталости обеспечивается.

    1. Нижний пояс.

      1. Схема нагружения и исходные данные:


PZ=491.4 кН;

ρ=0.021;

Тип сечения: Два швеллера.

Материал: ВСт3сп;

Расчетная группа по СНиП: 7-я.

Рис. 5.3. Схема нагружения нижнего пояса главной фермы.

      1. Допускаемое напряжение при работе на выносливость:

      1. Определение сечения швеллера:

- условие прочности;

- требуемая площадь одного швеллера;

Выбираем швеллер №20 ГОСТ 8240-89. Площадь швеллера Аш=2340 мм2;

    1. Раскосы.

      1. Схема нагружения и исходные данные:


Тип сечения: Два уголка.

Материал: ВСт3сп;

Расчетная группа по СНиП: 7-я.

Рис. 5.4. Схема нагружения раскосов главной фермы.

      1. Выбор сеченияуголка:

- допускаемое напряжение;

- условие прочности;

- требуемая площадь одного уголка

- для раскосов Р3, Р4,;

Результаты расчета сведены в таблицу 5.5.

Таблица 5.5. Подбор типоразмера швеллера.

№ раскоса

PZ, кН

ρ

γv

[σ], МПа

Aт у, мм2

Раскос Р3

-148.5

-0.053

1.61

104

714

Раскос Р4

135.7

-0.152

1.51

97

700

Как видно из таблицы 5.5 требуемая площадь уголка Ау=714 мм2 (раскос Р3). Выбираем уголок №7,5 ГОСТ 8240-56. Площадь уголка Ау=739 мм2;

      1. Проверочный расчет общей устойчивости:

Максимальная гибкость:

где - длина полуволны изогнутой оси стержневого элемента;

μ=1 – коэффициент Элейра (учитывает тип закрепления стержневого элемента);

- минимальный радиус инерции поперечного сечения;

- минимальный момент инерции поперечного сечения.

- площадь поперечного сечения раскоса;

- минимальный собственный момент инерции уголка.

Z0=16.7 – координата центра тяжести уголка;

Условие устойчивости:

;

где φ=0.76 – коэффициент понижение допускаемых напряжений (выбирается в зависимости от λmax по СНиП);

Общая устойчивость обеспечивается.

    1. Стойки:

      1. Схема нагружения и исходные данные:

Т ип сечения: Два уголка.

Материал: ВСт3сп;

Расчетная группа по СНиП: 7-я.

Pz=75.5 кН;

ρ=0.007.

Рис. 5.5. Схема нагружения стоек главной фермы.

      1. Выбор сечения уголка:

- допускаемое напряжение;

- условие прочности;

- требуемая площадь одного уголка;

Выбираем уголок №5 ГОСТ 8509-57. Площадь уголка Ау=296 мм2;

      1. Проверочный расчет общей устойчивости:

Максимальная гибкость:

где - длина полуволны изогнутой оси стержневого элемента;

μ=1 – коэффициент Элейра (учитывает тип закрепления стержневого элемента);

- минимальный радиус инерции поперечного сечения;

- минимальный момент инерции поперечного сечения.

- площадь поперечного сечения раскоса;

- минимальный собственный момент инерции уголка.

Z0=19 мм – координата центра тяжести уголка;

Условие устойчивости:

где φ=0.81 – коэффициент понижение допускаемых напряжений (выбирается в зависимости от λmax по СНиП);

Заключение:

Общая устойчивость обеспечивается.

  1. Расчет главной фермы второго варианта.

    1. Верхний пояс:

      1. Схема нагружения и исходные данные:

Pz=495 кН;

L2=1400 мм;

D=75 кН;

DG=9 кН;

ρ=0.021 ;

Материал: ВСт3сп;

Расчетная группа по

СНиП: 4-я.


Рис. 7.1. Схема нагружения верхнего пояса главной фермы.

      1. Расчетная схема:


Х, Y - центральные оси сечения;

Z0 – координаты центра тяжести тавра;

Н – высота тавра;

b – ширина полки тавра;

S – толщина стенки тавра.

Рис. 7.2. Расчетная схема поперечного сечения верхнего пояса.

      1. Допускаемые напряжения при статическом нагружении :

где [σ]р – допускаемое напряжение при растяжении;

m=1.1 – коэффициент неполноты расчета (учитывает влияние горизонтальной фермы);

Характеристики

Тип файла
Документ
Размер
2,39 Mb
Тип материала
Высшее учебное заведение

Список файлов курсовой работы

Готовые курсовые проекты неизвестного варианта
!Проект
1
L1.frw
L111.frw
_3.frw
_21.frw
________.frw
3
Tihonov4.dwg
Tihonov4.frw
27__350_
______1.DWG
______2.DWG
______2.frw
______3.DWG
28
C_____.DWG
C_____.frw
C______.DWG
C______.frw
L1.DWG
L1.frw
L4.DWG
L4.frw
L4.frw.bak
Свежие статьи
Популярно сейчас
Зачем заказывать выполнение своего задания, если оно уже было выполнено много много раз? Его можно просто купить или даже скачать бесплатно на СтудИзбе. Найдите нужный учебный материал у нас!
Ответы на популярные вопросы
Да! Наши авторы собирают и выкладывают те работы, которые сдаются в Вашем учебном заведении ежегодно и уже проверены преподавателями.
Да! У нас любой человек может выложить любую учебную работу и зарабатывать на её продажах! Но каждый учебный материал публикуется только после тщательной проверки администрацией.
Вернём деньги! А если быть более точными, то автору даётся немного времени на исправление, а если не исправит или выйдет время, то вернём деньги в полном объёме!
Да! На равне с готовыми студенческими работами у нас продаются услуги. Цены на услуги видны сразу, то есть Вам нужно только указать параметры и сразу можно оплачивать.
Отзывы студентов
Ставлю 10/10
Все нравится, очень удобный сайт, помогает в учебе. Кроме этого, можно заработать самому, выставляя готовые учебные материалы на продажу здесь. Рейтинги и отзывы на преподавателей очень помогают сориентироваться в начале нового семестра. Спасибо за такую функцию. Ставлю максимальную оценку.
Лучшая платформа для успешной сдачи сессии
Познакомился со СтудИзбой благодаря своему другу, очень нравится интерфейс, количество доступных файлов, цена, в общем, все прекрасно. Даже сам продаю какие-то свои работы.
Студизба ван лав ❤
Очень офигенный сайт для студентов. Много полезных учебных материалов. Пользуюсь студизбой с октября 2021 года. Серьёзных нареканий нет. Хотелось бы, что бы ввели подписочную модель и сделали материалы дешевле 300 рублей в рамках подписки бесплатными.
Отличный сайт
Лично меня всё устраивает - и покупка, и продажа; и цены, и возможность предпросмотра куска файла, и обилие бесплатных файлов (в подборках по авторам, читай, ВУЗам и факультетам). Есть определённые баги, но всё решаемо, да и администраторы реагируют в течение суток.
Маленький отзыв о большом помощнике!
Студизба спасает в те моменты, когда сроки горят, а работ накопилось достаточно. Довольно удобный сайт с простой навигацией и огромным количеством материалов.
Студ. Изба как крупнейший сборник работ для студентов
Тут дофига бывает всего полезного. Печально, что бывают предметы по которым даже одного бесплатного решения нет, но это скорее вопрос к студентам. В остальном всё здорово.
Спасательный островок
Если уже не успеваешь разобраться или застрял на каком-то задание поможет тебе быстро и недорого решить твою проблему.
Всё и так отлично
Всё очень удобно. Особенно круто, что есть система бонусов и можно выводить остатки денег. Очень много качественных бесплатных файлов.
Отзыв о системе "Студизба"
Отличная платформа для распространения работ, востребованных студентами. Хорошо налаженная и качественная работа сайта, огромная база заданий и аудитория.
Отличный помощник
Отличный сайт с кучей полезных файлов, позволяющий найти много методичек / учебников / отзывов о вузах и преподователях.
Отлично помогает студентам в любой момент для решения трудных и незамедлительных задач
Хотелось бы больше конкретной информации о преподавателях. А так в принципе хороший сайт, всегда им пользуюсь и ни разу не было желания прекратить. Хороший сайт для помощи студентам, удобный и приятный интерфейс. Из недостатков можно выделить только отсутствия небольшого количества файлов.
Спасибо за шикарный сайт
Великолепный сайт на котором студент за не большие деньги может найти помощь с дз, проектами курсовыми, лабораторными, а также узнать отзывы на преподавателей и бесплатно скачать пособия.
Популярные преподаватели
Добавляйте материалы
и зарабатывайте!
Продажи идут автоматически
7021
Авторов
на СтудИзбе
260
Средний доход
с одного платного файла
Обучение Подробнее