_______2 (1041249), страница 2
Текст из файла (страница 2)
DG=20.2 кН;
ρ=0.013;
Материал: ВСт3сп;
Расчетная группа по СНиП: 7-я.
Рис. 5.1. Схема нагружения верхнего пояса главной фермы.
-
Расчетная схема:
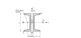
Х, Y - центральные оси сечения;
Z0 – координаты центра тяжести швеллера;
Н – высота швеллера;
b – ширина полки швеллера.
Рис. 5.2. Расчетная схема поперечного сечения верхнего пояса.
-
Допускаемые напряжения при статическом нагружении:
где [σ]р – допускаемое напряжение при растяжении;
m=1.1 – коэффициент неполноты расчета (учитывает влияние горизонтальной фермы);
Ryn=250 МПа – нормативное сопротивление при растяжении;
γm=1.05 – коэффициент надежности по материалу.
где [σ]с – допускаемое напряжение при сжатии;
Run=370 МПа – нормативное сопротивление при сжатии.
-
Допускаемое напряжение при работе на выносливость:
где α – коэффициент учитывающий число циклов нагружения (n=106);
γv – коэффициент учитывающий асимметрию цикла нагружения;
Rv=36 МПа – расчетное сопротивление;
-
Расчетные изгибающие моменты:
где Мх – изгибающий момент относительно оси X;
Му – изгибающий момент относительно оси Y;
-
Подбор типоразмера швеллера:
Подбор типоразмера швеллера производился методом перебора, то есть брался произвольный швеллер и производились расчеты:
-
На статическую прочность;
-
На устойчивость;
-
На сопротивление усталости.
Если требования хотя бы одного из расчета не выполнялись, то брался следующий типоразмер швеллера и расчеты производились заново, до тех пор, пока не выполнялись условия всех расчетов.
Принимаем швеллер №33 ГОСТ 8240-80.
-
Проверочный расчет на статическую прочность:
Прочность данного сечения необходимо проверить в двух точках: А, Б
(см. Рис. 5.2.).
Момент инерции поперечного сечения относительно оси Х:
где
- собственный момент инерции швеллера относительно оси Х.
Момент инерции поперечного сечения относительно оси Y:
где
- собственный момент инерции швеллера относительно оси Y;
Z0=25.9 мм – координата центра тяжести швеллера;
Площадь поперечного сечения:
Напряжение в точке А:
где YA=H/2=330/2=165 мм – координата точки А по оси Y;
ХА=b+5=105+5=110 мм – координата точки А по оси Х;
Знак минус означает, что действующее напряжение – сжимающее. Статическая прочность в точке А обеспечивается.
Напряжение в точке Б:
где YБ=Н/2=330/2=165 мм – координата точки Б по оси Y;
ХБ=ХА==110 мм – координата точки Б по оси Х;
Статическая прочность в точке Б обеспечивается.
Заключение:
Статическая прочность обеспечивается во всех точках сечения.
-
Проверочный расчет общей устойчивости:
Максимальная гибкость сечения:
где
- длина полуволны изогнутой оси стержневого элемента;
μ=1 – коэффициент Элейра (учитывает тип закрепления стержневого элемента);
- минимальный радиус инерции поперечного сечения;
- минимальный момент инерции поперечного сечения.
Гибкость одного швеллера:
где
- минимальный радиус инерции одного швеллера;
Расчетная гибкость сечения:
Условие устойчивости:
В случаи, когда на поперечное сечение действует два изгибающих момента необходимо произвести две проверки устойчивости:
-
В плоскости действия максимального изгибающего момента МХ;
-
В случаи совместного действия изгибающих моментов МХ и МY.
В плоскости действия максимального изгибающего момента МХ:
где φу=0.82 – коэффициент понижение допускаемых напряжений (выбирается в зависимости от λmax по СНиП);
- коэффициент учитывающий влияния изгибающего момента МХ на устойчивость;
α=0.6 – коэффициент учитывающий тип поперечного сечения;
- относительный эксцентриситет (коэффициент показывающий, как работает стержневой элемент, как балка или стойка);
-момент сопротивления изгибу поперечного сечения относительно оси OX;
Ymax=Н/2=330/2=165 мм – максимальная координата поперечного сечения по оси Y;
Общая устойчивость в плоскости действия максимального изгибающего момента Мх обеспечивается.
В случаи совместного действия изгибающих моментов МХ и МY:
где φxу – коэффициент учитывающий влияния двух изгибающих моментов МХ и МY на устойчивость;
φ/у=0.7 – коэффициент понижение допускаемых напряжений (выбирается в зависимости от λmax и mу по СНиП);
- коэффициент учитывающей влияния изгибающего момента МY на устойчивость;
- относительный эксцентриситет (коэффициент показывающий, как работает стержневой элемент, как балка или стойка);
-момент сопротивления изгибу поперечного сечения относительно оси OY;
Xmax=b+5 – максимальная координата поперечного сечения по оси X;
Общая устойчивость в случаи совместного действия изгибающих моментов Мх и МY обеспечивается.
Заключение:
Общая устойчивость стержневого элемента обеспечивается.
-
Проверочный расчет на сопротивление усталости.
Условие прочности:
Заключение:
Сопротивление усталости обеспечивается.
-
Нижний пояс.
-
Схема нагружения и исходные данные:
PZ=938.3 кН;
ρ=0.016;
Тип сечения: Два швеллера.
Материал: ВСт3сп;
Расчетная группа по СНиП: 7-я.
Рис. 5.3. Схема нагружения нижнего пояса главной фермы.
-
Допускаемое напряжение при работе на выносливость:
-
Определение типоразмера швеллера:
- требуемая площадь одного швеллера;
Выбираем швеллер №33 ГОСТ 8240-56. Площадь швеллера Аш=4650 мм2;
-
Раскосы.
-
Схема нагружения и исходные данные:
Тип сечения: Два швеллера.
Материал: ВСт3сп;
Расчетная группа по СНиП: 7-я.
Рис. 5.4. Схема нагружения раскосов главной фермы.
Как видно из таблицы 5.4., неизвестно какой раскос имеет самое опасное сочетание нагрузок, поэтому расчет на сопротивление усталости будем производит для всех.
-
Выбор типоразмера швеллера:
- для раскосов Р3, Р4, Р5, Р6, Р7, Р8;
- требуемая площадь одного швеллера;
Результаты расчета сведены в таблицу 5.5.
Таблица 5.5. Подбор типоразмера швеллера.
| № раскоса | PZ, кН | ρ | γv | [σ], МПа | Aт ш, мм2 |
| Раскос Р1 | -298.8 | 0.019 | 2.04 | 131 | 1140 |
| Раскос Р2 | 253.3 | 0.017 | 1.69 | 109 | 1162 |
| Раскос Р3 | -344 | -0.03 | 1.63 | 105 | 1638 |
| Раскос Р4 | 313.8 | -0.13 | 1.53 | 98 | 1601 |
| Раскос Р5 | -283.6 | -0.25 | 1.43 | 92 | 1541 |
| Раскос Р6 | 253.4 | -0.4 | 1.32 | 85 | 1490 |
| Раскос Р7 | -223.3 | -0.59 | 1.20 | 77 | 1450 |
| Раскос Р8 | 193 | -0.84 | 1.07 | 69 | 1399 |
Как видно из таблицы 5.5 требуемая площадь швеллера Аш=1638 мм2 (раскос Р4). Выбираем швеллер №14 ГОСТ 8240-56. Площадь уголка Аш=1700 мм2;
-
Проверочный расчет общей устойчивости:
Максимальная гибкость:
где
- длина полуволны изогнутой оси стержневого элемента;
μ=1 – коэффициент Элейра (учитывает тип закрепления стержневого элемента);
- минимальный радиус инерции поперечного сечения;
- минимальный момент инерции поперечного сечения.
- площадь поперечного сечения раскоса;
- минимальный собственный момент инерции швеллера.
Z0=16.7 – координата центра тяжести уголка;
Условие устойчивости:
где φ=0.76 – коэффициент понижение допускаемых напряжений (выбирается в зависимости от λmax по СНиП);
Общая устойчивость обеспечивается.
-
Стойки:
-
Схема нагружения и исходные данные:
Материал: ВСт3сп;
Расчетная группа по СНиП: 7-я.
Pz=169.5 кН;
ρ=0.005.
Рис. 5.5. Схема нагружения стоек главной фермы.
-
Выбор типоразмера уголка:
















