А.И. Кондаков, Ю.А. Островский - Разработка маршрутных технологических процессов изготовления деталей (1038479), страница 6
Текст из файла (страница 6)
Схемы установки корпуса в МТП его изготовления показаны на рис. 10:
а) постоянными базами при изготовлении корпуса могут быть выбраны 2 отверстия 8Н8 и перпендикулярная им плоскость, обрабатываемые за один установ в операции 005 (рис.10, а), при этом заготовка устанавливается в центровых стойках, монтируемых на
Рис. 8 Схемы установки вала в МТП его изготовления
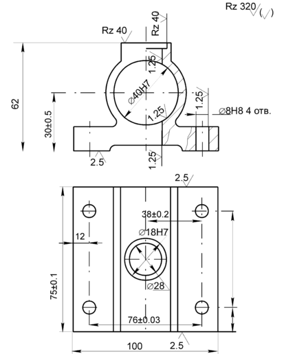
Рис. 9 Эскиз корпуса
Рис. 10 Схемы установки корпуса в МТП его изготовления
столе станка, с базированием по отверстию одному из торцов и боковой грани основания (лишена 6 степеней свободы);
б) обработка остальных поверхностей корпуса проводится на станках с ЧПУ соответствующей компоновки, установка заготовок осуществляется на постоянные базы, обработанные в операции 005, установочные элементы приспособления – плоские опорные пластины, цилиндрический и срезанный (ромбический) палец (рис.10, б, в).
На основе МТП разрабатывается операционная технология изготовления детали: конкретизируется содержание операций, определяются промежуточные размеры и т.д. Может измениться и МТП. Целесообразно проводить документирование МТП в МК и КЭ после разработки и согласования операционной технологии. Пример оформления МК приведен в приложении.
Литература
1. Технология машиностроения: В 2 т., Т.1. Основы технологии машиностроения: Учебник для вузов/В. М. Бурцев, А. С. Васильев, А. М. Дальский и др.; Под ред. А. М. Дальского. – М.: Изд-во МГТУ им. Н.Э. Баумана, 1998. – 564с.
2. Технология машиностроения: В 2 т., Т.2. Производство машин: Учебник для вузов /В. М. Бурцев, А. С. Васильев, О. М. Деев и др.; Под ред. Г. Н. Мельникова. – М.: Изд-во МГТУ им. Н. Э. Баумана, 1998. – 640 с.
3. Порядок внедрения стандартов единой технологической документации. РДМТ 1.001-99: Методические указания для курсового и дипломного проектирования / В. П. Тихонов, А. Б. Истомин, Ю. А. Макаров и др. – М: Изд‑во МГТУ им. Н. Э. Баумана, 2000.–24с.
4. Справочник технолога-машиностроителя. В 2-х т. Т.1/Под ред. А. Г. Косиловой и Р. К. Мещерякова – 4-е изд., перераб. и доп. – М.: Машиностроение, 1985 .– 658 с.
5. Машиностроение. Энциклопедия / Ред. совет: К. В. Фролов (пред.) и др. – М.: Машиностроение. Технология изготовления деталей машин Т.III-3. /А. М. Дальский, А. Г. Суслов, Ю. Ф. Назаров и др.; Под общ. ред. А. Г. Суслова. – 2000. – 840с.
6. Качество машин: Справочник. В 2 т. Т.1 / А. Г. Суслов, Э. Д. Браун, Н. А. Виткявич и др. – М.: Машиностроение, 1995 .– 256с.
Оглавление
| Общая методика разработки маршрутных технологических процессов изготовления деталей | |
| Определение маршрутов обработки основных поверхностей заготовки | |
| Выбор технологических баз и схем установки | |
| Определение содержания и последовательности выполнения технологических операций | |
| Определение типов применяемого оборудования и оснастки | |
| Эскизирование маршрутных технологических процессов | |
| Литература | |
| Приложение. Пример оформления маршрутной карты (МК) |
















