А.И. Кондаков, Ю.А. Островский - Разработка маршрутных технологических процессов изготовления деталей (1038479), страница 5
Текст из файла (страница 5)
При выборе оборудования (станка) обычно рассматривают альтернативные варианты. Для уменьшения их числа или даже для выбора единственного используют следующие критерии:
1. Соответствие размеров рабочей зоны станка габаритным размерам обрабатываемой заготовки (или нескольких одновременно обрабатываемых заготовок).
2. Соответствие типа станка типу производства.
3. Наименьшая стоимость станкоминуты (минимизация коэффициента машино-часа).
4. Полнота использования технологических возможностей станка.
5. Соответствие класса станка этапу технологического процесса, на котором планируется его использование.
6. Наименьшая отпускная цена станка и реальность его приобретения.
7. Необходимость использования имеющихся станков.
Характерные размеры рабочей зоны определяются группой станка. Так, например, для станков токарной группы это – диаметр обрабатываемой детали над станиной (над суппортом), длина обрабатываемой детали; для станков фрезерной группы – размеры рабочей поверхности стола, перемещения вертикального стола.
Тип станка в значительной мере определяется типом производства:
1. Единичное производство – применяют станки, отличающиеся гибкостью и универсальностью формообразования поверхностей, большим диапазоном габаритов обрабатываемых поверхностей, отсутствием автоматизации (токарно‑винторезные, токарно‑карусельные, вертикально‑ и радиально‑сверлильные, горизонтально‑фрезерные консольные, круглошлифовальные и т.п.).
2. Мелкосерийное и серийное производство – используют станки с меньшей универсальностью, но с большей производительностью и с автоматизацией управления (токарно‑револьверные полуавтоматы, сверлильные одно и многошпиндельные полуавтоматы, барабанно‑сверлильные, с ЧПУ и др.).
3. Крупносерийное и массовое производство – применяют станки с узкой специализацией, высокой производительностью и высоким уровнем автоматизации (агрегатные станки, гибкие автоматические линии из станков с ЧПУ, жесткие автоматические линии из агрегатных и специальных станков).
Для оборудования каждого типа определены значения удельных затрат на его содержание и эксплуатацию за 1 машиночас или за 1 станкоминуту [4]. Выбор оборудования с меньшими значениями коэффициента машиночаса позволяет уменьшить затраты при его использовании в производстве.
Каждый тип оборудования обладает определенными технологическими возможностями, характеризующимися:
– множеством использующихся технологических методов;
– предельными размерами поверхностей, которые могут быть обработаны указанными технологическими методами;
– возможностью применения указанных технологических методов в автоматическом режиме.
Так, например, токарно-винторезный станок 16К30 при автоматическом получении размеров обработанных поверхностей может использовать лишь 4 инструмента (резца) установленных в суппорте. При необходимости использования в операции большего числа резцов нужно использовать станки других типов.
Класс выбранного станка (таблица 8) должен соответствовать характеру обработки и этапу технологического процесса, на котором он используется. Допускаемые отклонения для регламентированных нормативами показателей точности станков при переходе от класса к классу составляют геометрическую прогрессию со знаменателем 1,6.
При разработке МТП для новых производств преимущество отдают более дешевым станкам отечественного производства, а при разработке МТП для действующих производств выбор осуществляют, в первую очередь, среди имеющегося (и не загруженного полностью) оборудования.
Таблица 8.
Общая характеристика классов станка
| Обозначение класса | Наименование | Характеристика применения |
| Н | Нормальной | Изготовление деталей с точностью размеров 7-8 квалитета |
| П | Повышенной | Базовые элементы конструкции отвечают более высоким требованиям, чем у станков класса Н |
| В | Высокой | Специальная конструкция элементов и высшее качество их изготовления, особые условия эксплуатации |
| А | Особо высокой | Изготовление прецизионных деталей |
| С | Сверхточные | Изготовление сверхпрецизионных деталей |
Одновременно с выбором станка устанавливают вид станочного приспособления, необходимого для выполнения на данном станке намеченной операции. Преимущество отдают универсальным приспособлением, часто являющимся принадлежностью станка (патроны, тиски, люнеты и т.д.). При выборе ориентируются на выбранную ранее схему установки заготовки и характер (черновые, промежуточные, окончательные) технологических баз. В единичном и мелкосерийном производствах широко применяют обработку в универсальных приспособлениях. В крупносерийном и массовом производствах главным образом используют специальные приспособления.
На выбор типа режущего инструмента влияют: группа и тип станка; характеристики метода обработки; материал обрабатываемой заготовки; размеры и конфигурация заготовки; требуемые точности и шероховатости обрабатываемых поверхностей; тип производства. В маршрутной карте указывают: наименование инструмента, марку материала режущей части, номер стандарта.
Выбор измерительного инструмента в значительной мере определяется типом производства. В единичном и мелкосерийном производствах применяют универсальный измерительный инструмент (линейки, штангенциркули, микрометры, нутромеры, глубиномеры, штихмассы и т.п.). В серийном и массовом производствах применяют специальный измерительный инструмент (калибры, пробки, шаблоны), а также измерительные приспособления, в том числе и автоматизированные. В маршрутную карту заносят: наименование, тип измерительного инструмента; его размер или диапазон измерений; стандарт.
При разработке МТП бывает очень полезным определение типов применяемого оборудования (даже альтернативных) еще до определения содержания и последовательности операций. В этом случае ориентация на использование оборудования выбранных типов позволяет резко упростить определение содержания операций.
Эскизирование маршрутных технологических процессов
Разработка МТП иллюстрируется эскизами выполнения технологических операций, представляемых в КЭ.
Эскизы, как правило, изображают для всех технологических операций, за исключением тех, при выполнении которых не происходит изменений формы, размеров, параметров шероховатости, а также иных видимых изменений состояния предмета производства (химико-термическая обработка, слесарные, моечные, комплектовочные и т.д.).
Эскиз операции, соответствующий маршрутному описанию технологического процесса изготовления детали, должен включать:
1. Изображение заготовки в состоянии соответствующем завершению технологической операции, с выделением контуров поверхностей, подвергнутых технологическому воздействию, либо линией красного цвета, либо черной утолщенной линией. Изображение заготовки может быть значительно упрощенным, но с сохранением приближенных пропорций между ее элементами. Если операция выполняется за несколько установов, возможно изображение эскиза для каждого установа отдельно.
2. Размерные линии, размеры, отклонения размеров, обозначения параметров шероховатости и другие технологические атрибуты указывают только для поверхностей, обработанных в данной операции. Отклонения размеров указывают, как правило, в численном виде (для массового и крупносерийного производств могут указываться и символьные обозначения) для всех выдерживаемых размеров. Знаки отклонений промежуточных размеров поверхностей указывают: для валов в “–”, для отверстий в “+”; симметричные отклонения целесообразно указывать только для заключительных операций.
3. Схему установки, изображенную с использованием принятых условных обозначений (см. табл.3 – 6), поставленных на соответствующие базовые поверхности заготовки.
Внимание! На эскизах, соответствующих маршрутному описанию технологического процесса не изображают инструменты и не указывают направлений движений исполнительных органов оборудования в процессе выполнения операции.
Примеры эскизов показаны на рис. 4.
Последовательность смены схем установки заготовок в ходе МТП проиллюстрирована примерами: для деталей, изображенных на эскизах (заменяющих рабочие чертежи вследствие ограниченности объема указаний), показаны основные схемы установки заготовок в последовательности соответствующих МТП.
Внимание! На эскизах для упрощения не показаны выдерживаемые размеры, технологические атрибуты и т.д., поэтому они могут рассматриваться лишь как основа эскизов маршрутного описания технологических процессов. Приведенные схемы установки не являются единственно возможными.
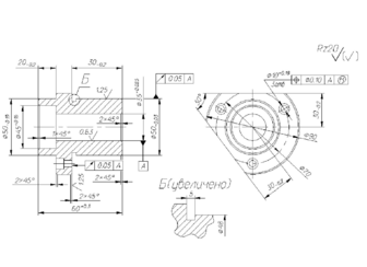
Пример 1. Деталь – втулка (рис. 5). Тип производства: серийный. Материал: сталь 20. Заготовка: штамповка на горизонтально-ковочной машине.
Схемы установки втулки в МТП ее изготовления показаны на рис. 6. Комментарии к рис. 6:
а) на операциях 015, 020 может выполняться получистовая и чистовая обработка основных поверхностей втулки, схемы заготовки см. рис.6, а, б;
б) при выполнении операции 025 используется накладной кондуктор, который закрепляется вместе с заготовкой, устанавливаемой на стол станка (см. рис. 6, в), заготовка лишена 5 степеней свободы;
в) при фрезеровании лысок (см. рис. 6, г) заготовка лишена 6 степеней свободы, так как она обрабатывается в автоматическом цикле и должна быть жестко фиксирована в системе координат оборудования;
д) при окончательной обработке наружной цилиндрической поверхности и торца обеспечивают заданную точность взаимного расположения (см. рис. 6, д), заготовку устанавливают на жесткую консольную оправку.
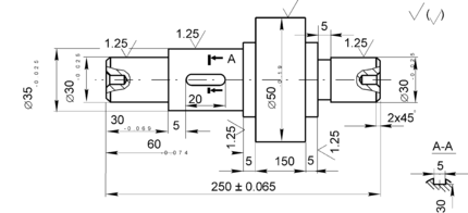
Пример 2. Деталь – вал (рис. 7.). Тип производства: серийный. Материал: сталь 40Х. Заготовка: горячая объемная штамповка в закрытых штампах.
Рис. 4 Пример выполнения эскизов маршрутного описания технологических процессов для соответствующих операций
Рис. 4 Продолжение
Рис.5 Эскиз втулки
Операция 005 Токарно-винторезная с ЧПУ Операция 010 Токарно-винторезная с ЧПУ
Оборудование: Токарно-винторезный Оборудование: Токарно-винторезный
станок мод. 16К30Ф3 станок мод.16К30Ф3
а
Операция 025 Радиально-сверлильная
Оборудование: Радиально-сверлильный
станок мод. 2М55
б
Рис.6 Схема установки втулки в МТП ее изготовления
Рис. 6 Схемы установки втулки в МТП ее изготовления (продолжение)
Рис. 7 Эскиз вала
Схемы установки вала в МТП его изготовления показаны на рис.8. Комментарии к рис.8:
а) постоянными базами, используемыми на большинстве операций изготовления вала являются центровые отверстия, обрабатываемые в операции 005 МТП на фрезерно-центровальном станке (рис. 8, а);
б) в операциях 010, 015 осуществляется основное формообразование поверхностей вала (рис. 8, б, в), заготовка при этом устанавливается в центрах (левый центр – плавающий; правый – вращающийся) и приводится в движение с помощью поводкового устройства;
в) получистовая, чистовая токарные, а также при необходимости, обработка круглым шлифованием на отделочном этапе МТП могут выполняться при установке заготовки по схемам, изображенным на рис. 8,б, в;
г) фрезерование шпоночного паза выполняют на этапе получистовой обработки при установке заготовки в призмы (рис. 8, г), в принципе, возможно использование и центровых отверстий, однако схема установки должна обеспечить допуск симметричности шпоночного паза относительно вертикальной оси вала и минимальную погрешность расположения паза вдоль горизонтальной оси.
Внимание! Если технические требования на изготовление вызовут необходимость в термической обработке, например, закалке вала, то после выполнения термической операции выполняют восстановление постоянных баз (центровых отверстий).
Пример 3. Деталь – корпус (рис. 9). Тип производства: серийный. Материал: серый чугун СЧ18. Заготовка: литье в песчаные формы.
















