Расчет и проектирование автоматизированного оборудования (1037537), страница 4
Текст из файла (страница 4)
Подставив в (2.2) заданное значение n0 и рассчитанное по (2.4) значение m , получим время холостого хода tx для способа загрузки со шлюзованием кассеты на n0 подложек. Сравнив его со временем tx при n= 1, можно судить о преимуществе одного из сравниваемых вариантов по меньшему tx .
Анализ формулы (2.2) показывает, что при определенном соотношении величин t`3, t`к и m существует оптимальное значение nопт, при котором выбранная в качестве целевой функции величина tx будет минимальна.
На рис.4 показана зависимость tx от n при различных значениях m . Кривая tx(n) в зависимости от значения m монотонно увеличивается (кривая “а”), уменьшается (кривые “в”,”г”) и имеет экстремум (кривая “б”).
Кривая “а” на рис.4 соответствует способам загрузки со шлюзованием кассеты ( см. рис.3.в,г) с большим значением m (например, с очень длительной откачкой шлюза). Кривая “б” на рис. соответствует тому же способу загрузки, но с меньшим значением m, при котором минимум tx соответствует вполне определенному числу одновременно шлюзуемых подложек nопт . Наилучший по критерию tx→min результат для того же способа загрузки дают такие режимы работы установки, при которых m= 1 (кривая “в” на рис. ). В этом случае при увеличении числа подложек в кассете длительность загрузки асимптотически приближается к сумме (tн + t`3) .
Кривая “г” на рис. 4 соответствует способу загрузки подложек с помощью СМИФ-контейнера (см. рис.3,д ), при котором m→ 0, а значение tx асимптотически стремится к tн.
Взяв частную производную ∂tx/∂n в формуле (2.2) и приравняв ее к нулю, получим выражение для расчета оптимального количества одновременно шлюзуемых подложек:
nопт = [t`к /(t`3(m-1)]1/m (2.4)
для случая, соответствующего кривой “б” на рис. .Оптимальное значение nопт>1 может иметь место только при условии
t`к /t`3 > m-1 (2.5)
Из выражения (2.5) следует, что на величину nопт кроме m влияет и отношение t`к/t`3 ,т.е. режимы работы установки. С увеличением отношения t`к/t`3 более эффективным становится способ загрузки с одновременным шлюзованием нескольких подложек, причем это проявляется более заметно при небольших значениях m.
Если вычисленное по (2.5)значение nопт не совпадает со значением nо (вместимость стандартной кассеты), то по разности значений nо и nопт можно судить о близости выбранного варианта загрузочного устройства к оптимальному (т.е. обеспечивающему txmin). Варьируя с помощью конструктивных изменений значения tn0 , t` и m, можно добиться, что значение nо будет близко к nопт, а цикловая производительность установки с выбранными режимами работы – максимальной.
Образцы листов курсового проекта
Лист 1. Содержит варианты структурно-компоновочных схем шлюзовых загрузочных
устройств ( 3 варианта); техническую характеристику по каждому варианту;
Условные обозначения и таблица наименований элементов шлюзовых ЗУ.
«Пример выполнения первого листа проекта»
( см приложение1)
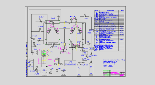
Лист 2. Содержит комплексную принципиальную схему проектируемой установки.
Разработка чертежей принципиальных схем проектируемой установки (за
исключением электрической схемы) выполняется на основании имеющейся
технической документации (ТО и технический паспорт) на базовый образец-
аналог промышленной установки. При выполнении графических работ по схемам
обязательным является выполнение требований ЕСКД и соответствующих
ГОСТов на обозначение элементов схем (ГОСТ 2.301…2.316 –89).
Пример выполнения второго листа проекта
Лист 3. Содержит общий вид проектируемой установки (в двух проекциях).
Общий вид проектируемой вакуумной установки на чертеже обозначается с габаритными и внешними присоединительными размерами; приводятся выноски-позиции сборочных единиц, деталей, крепежа; спецификация и основные технические требования на сборку и наладку; техническая характеристика установки.
Пример выполнения третьего листа
Лист 4. Содержит сборочный чертеж разрабатываемого узла установки (в качестве примера изображен механизм возвратно-поступательного перемещения для подачи инструмента). Чертеж выполнен с необходимым и достаточным количеством проекций, разрезов и сечений для проработки рабочих чертежей узла. Содержит технические требования на условия сборки и эксплуатации в составе установки, размеры (присоединительные, посадочные, габаритные и справочные).
Пример выполнения четвертого листа
Лист 5 Лист является дополнительным по отношению к листу 4 в части детальной проработки узлов и оригинальных деталей на уровне рабочего проекта.
Содержит: сборочные чертежи типовых или нестандартных деталей узлов,
модернизированных с учетом специфики проектируемой установки, (по заданию
руководителя); сборочные чертежи оригинальных узлов, сконструированных самим
студентом деталировку нестандартных и оригинальных узлов, самостоятельно
вычерченных студентом.
Планировка листа – в виде 4..8 чертежей на формате А3…А4.
















