Правила оформления (1032484)
Текст из файла
Требования к оформлению статьи для публикации в сборник «Студенческая весна: Машиностроительные технологии»
Для публикации оригинальной статьи в сборник «Студенческая весна: Машиностроительные технологии» авторы должны строгого следовать приведенным требованиям, составленным в соответствии с требованиями журнала «Молодежный научный вестник»:
-
Ключевые слова к статье. Ключевых слов должно быть не менее трех, они должны быть представлены на русском и на английском языках (перевод).
-
Аннотацию на русском языке (600 знаков).
При наборе текста статьи необходимо соблюдать следующие требования:
- размер страницы А4, ориентация книжная, размер полей: по 2 см по каждой стороне;
- размер основного шрифта ‑ 12 пт, формул – 14 пт, межстрочный интервал ‑ 1.15, системная гарнитура шрифтов ‑ Times New Roman;
- подзаголовки выделяются полужирным шрифтом с выравниванием по левому краю, со стандартным абзацным отступом;
- объем статьи должен составлять не менее 5 – 7 страниц;
- все слова внутри абзаца разделяются только одним пробелом;
- перед знаком препинания пробелы не ставятся, после знака препинания ‑ один пробел;
- между последней цифрой числа и обозначением единицы измерения следует оставлять пробел (352 МПа, 30 оС, 10 %). Пробел должен быть неразрывным Ctrl-Shift-пробел;
- при наборе должны различаться длинные тире (—) (Alt+0151), короткие тире (–) (Alt+0150) и дефисы (-);
- после инициалов (перед фамилией), перед сокращениями и между ними ставится неразрывный пробел (1998 год, т.д., т.е., и т.п., н.э., Н.В. Гоголь и т.д.);
- выделения курсивом, полужирным, прописным обеспечиваются средствами Word, подчеркивания в качестве выделений не допускаются.
Латинские обозначения, кроме устойчивых форм, наименований типа max, min, cos, sin, tg, log, exp, det и т.д. набираются курсивом. Русские, греческие обозначения и цифры всегда набираются прямым шрифтом.
Набор математических и химических формул должен быть по всему тексту единообразным по применению шрифтов и знаков, способу выключки формул, набранных отдельными строчками, по применению индексов, линеек. Желательно ориентировать формулы, набранные отдельной строкой по центру.
Перенос в формулах допускается делать на знаках соотношений (=,~,<,>), на отточии (...), на знаках (+) и (-), (*) с дублированием знака на другой строке.
Индексационная нумерация используется, как правило, при делении текста на главы и параграфы.
Нумеровать следует наиболее важные формулы, на которые приводятся ссылки в последующем тексте. В зависимости от объема статьи и ее структуры используется сквозная и индексационная нумерация формул, таблиц, рисунков.
Наиболее важные формулы, а также длинные и громоздкие формулы, содержащие знаки суммирования, произведения, дифференцирования, интегрирования, располагают на отдельных строках. Там же – и все нумерованные формулы. Для экономии места несколько коротких однотипных формул, выделенных из текста, можно помещать на одной строке, а не одну под другой. Небольшие и несложные формулы, не имеющие самостоятельного значения, размещают внутри строк текста
На все нумерованные формулы должны быть ссылки. Они оформляются в той же графической форме, что и после формулы, т.е. арабскими цифрами в круглых скобках. Например: в формуле (1.7); из уравнения (5.4) вытекает... и т.д.
Следует соблюдать правила пунктуации в тексте с формулами.
Формулы включаются в предложение как его равноправный элемент, поэтому в конце формулы и в тексте перед ними знаки препинания ставят в соответствии с правилами пунктуации
Двоеточие перед формулами ставят
а) после обобщающего слова;
б) если этого требует построение текста, предшествующего формуле
Многоточие применяется при пропуске членов в ряду суммирования, вычитания или равенства. При этом знаки операции ставятся и перед многоточием и после него
В системах уравнений, в матрицах и определителях при пропуске строк делается отточие на полную строку:
5 0 0 0
0 5 0 0. . .
0 0 0 5
Основные требования к содержанию и оформлению таблиц – существенность, полнота показателей, характеризирующих процесс, предмет или явление, четкость и ясность представления, экономичность, единообразие. Ссылка на таблицу в тексте обязательна и должна быть до представления (расположения) самой таблицы. Ссылка должна органически входить в текст, а не выделяться в самостоятельную фразу, повторяющую тематический заголовок таблицы (табл. 1.2).
Слово "таблица" и ее порядковый номер (арабскими цифрами) ставят над заголовком в правом верхнем углу, выделяя его курсивом или разрядкой. Название помещают на следующей строке по центру.
Обычно таблица состоит из следующих элементов
- порядковый номер таблицы и тематический заголовок (боковик);
- заголовки вертикальных граф (головка);
- горизонтальные и вертикальные графы (основная часть).
Боковик, как и головка, должен быть лаконичным, обычно в Им. п. ед. или мн. числа. После заголовков таблицы, боковика, граф точки не ставят.
Графа "номер по порядку" не допускается. Если в тексте только одна таблица, то номер ей не присваивается, слово "таблица" не пишется.
При переносе таблицы на следующую страницу головка не повторяется. В этом случае пронумеровывают графы и повторяют их нумерацию на следующей странице, а вместо тематического заголовка пишут "Продолжение табл. 1.2". Если таблица продолжается на трех и более страницах, на последней странице пишут "Окончание табл. 1.2".
Иллюстрации (рисунки) должны обогащать содержание печатного произведения, помогать читателю лучше, полнее и глубже воспринимать его. Каждая имеющаяся иллюстрация должна отвечать тексту, а текст – иллюстрации. Все иллюстрации должны быть пронумерованы. Обычно используется сквозная или индексационная (подглавная) нумерация. Если рисунок один – он не нумеруется, ссылка на него делается словом "рисунок" без сокращений, а под самим рисунком ничего не пишется
Рисунок необходимо помещать на той же полосе или на развороте, что и ссылка на него.
Ссылка на рисунок состоит:
1) из условного названия и порядкового номера с необходимым контекстом, оборотом речи, например, "Как видно из рис. 9. ..."; "... представлен на рисунке 9"; сокращение "см." используется при повторной ссылке на рисунок, например, (см. рис. 7); можно делать ссылку в круглых скобках: (рис. 5);
2) условного названия иллюстрации, порядкового номера и буквенного или словесного обозначения ее части. Например: (рис. 7, а.; рис. 2. и т.д.)
Каждая иллюстрация снабжается подрисуночной подписью. Подпись под иллюстрацией обычно имеет четыре основных элемента:
- наименование графического сюжета, обозначаемое сокращенно словом "Рис. 2.
- порядковый номер иллюстрации, который указывается без значка № арабскими цифрами;
- тематический заголовок иллюстрации (после точки с большой буквы);
- экспликацию (расшифровку рисунка), которая поясняет рисунок. Перед ней ставиться знак двоеточие. Между элементами экспликации точка с запятой.
Чтобы при публикации статьи не происходило нарушения верстки, настоятельно рекомендуется рисунок и подрисуночную надпись оформлять в виде таблицы, где одна ячейка – это сам рисунок, а вторая – подпись к нему.
Список литературы в статьях следует оформлять в соответствии с требованиями, представленными на http://technomag.bmstu.ru/data/2014/04/14/1235010382/literat.pdf .
Пример оформления статьи
УДК 621.382
ВЫТЯЖКА ДЕТАЛЕЙ С НАКЛОННЫМ ФЛАНЦЕМ
Елена Александровна Рукавичко
Студент 4 курса
Кафедра «Технологии обработки давлением»
Московский государственный технический университет имени Н.Э.Баумана
Научный руководитель: В.А.Кривошеин
Доцент кафедры «Технологии обработки давлением»
Ключевые слова: вытяжка (drawing), модернизация (improvement), локализация(localization).
Аннотация: В данной работе рассмотрена деталь типа «Крышка» с наклонным фланцем. Процесс вытяжки деталей такого типа не рассмотрен в отечественной и зарубежной литературе по обработке металлов давление, нет рекомендаций по выбору формы исходной заготовки и предельном коэффициенте формоизменения. Поэтому исследование этого процесса представляет определенный научный интерес и имеет практическое применение в производстве. …(10 – 12 строк).
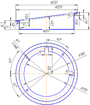
В работе рассмотрен процесс вытяжки детали типа «Крышка» с наклонным фланцем. Процесс вытяжки деталей такого типа не рассмотрен в литературе по обработке металлов давление, нет рекомендаций по выбору формы исходной заготовки и предельном коэффициенте формоизменения. Поэтому исследование этого процесса представляет определенный научный интерес и имеет практическое применение в производстве. Чертеж исследуемой детали представлен на рис. 1.
Характеристики составных элементов установки приведены в таблице 1.
Таблица 1
Название таблицы 1
| Название элемента | Характеристика | Назначение элемента |
Список литературы
-
Рудман Л. И. Справочник конструктора штампов: Листовая штамповка. М.: Машиностроение, 1988. – 496 с.
-
Попов Е.А., Ковалев В.Г., Шубин И.Н. Технология и автоматизация листовой штамповки. Издательство МГТУ им. Н.Э. Баумана, 2000. – 480 с.
Характеристики
Тип файла документ
Документы такого типа открываются такими программами, как Microsoft Office Word на компьютерах Windows, Apple Pages на компьютерах Mac, Open Office - бесплатная альтернатива на различных платформах, в том числе Linux. Наиболее простым и современным решением будут Google документы, так как открываются онлайн без скачивания прямо в браузере на любой платформе. Существуют российские качественные аналоги, например от Яндекса.
Будьте внимательны на мобильных устройствах, так как там используются упрощённый функционал даже в официальном приложении от Microsoft, поэтому для просмотра скачивайте PDF-версию. А если нужно редактировать файл, то используйте оригинальный файл.
Файлы такого типа обычно разбиты на страницы, а текст может быть форматированным (жирный, курсив, выбор шрифта, таблицы и т.п.), а также в него можно добавлять изображения. Формат идеально подходит для рефератов, докладов и РПЗ курсовых проектов, которые необходимо распечатать. Кстати перед печатью также сохраняйте файл в PDF, так как принтер может начудить со шрифтами.
















