1 (1024320), страница 2
Текст из файла (страница 2)
80
Размер, мкм
Рис.
Приложение.
ГОСТ 25346-89
(СТ СЭВ 145-88)
УДК 621.753.1/.2:62-182.8:006.354 Группа Г12
ГОСУДАРСТВЕННЫЙ СТАНДАРТ СОЮЗА ССР
Основные нормы взаимозаменяемости
ЕДИНАЯ СИСТЕМА ДОПУСКОВ И ПОСАДОК
Общие положения, ряды допусков и основных отклонений
Basic norms of interchangeability.
Unified system of tolerances and fits.
General, series of tolerances
and fundamental deviations
ОКСТУ 0070
Дата введения 01.01.90
Несоблюдение стандарта преследуется по закону
Настоящий стандарт распространяется на гладкие элементы деталей, цилиндрические и ограниченные параллельными плоскостями, а также на образованные ими посадки и устанавливает термины, определения и условные обозначения, допуски и основные отклонения системы допусков и посадок для размеров до 3150 мм и любых линейных размеров, если они не установлены другими стандартами.
1. ОСНОВНЫЕ ПОЛОЖЕНИЯ
1.1. Термины и определения
1.1.1. Размер — числовое значение линейной величины (диаметра, длины и т.п.) в выбранных единицах измерения.
1.1.2. Действительный размер — размер элемента, установленный измерением.
1.1.3. Предельные размеры — два предельно допустимых размера элемента, между которыми должен находиться (или которым может быть равен) действительный размер (см. п. 1.4).
1.1.4. Наибольший предельный размер — наибольший допустимый размер элемента (черт. 1).
1.1.5. Наименьший предельный размер — наименьший допустимый размер элемента (черт. 1).
1.1.6. Номинальный размер — размер, относительно которого определяются отклонения (черт. 1 и 2).
1.1.7. Отклонение — алгебраическая разность между размером (действительным или предельным размером) и соответствующим номинальным размером.
Черт. 1
1.1.8. Действительное отклонение — алгебраическая разность между действительным и соответствующим номинальным размерами.
1.1.9. Предельное отклонение — алгебраическая разность между предельным и соответствующим номинальным размерами. Различают верхнее и нижнее предельные отклонения.
1.1.10. Верхнее отклонение ES, es — алгебраическая разность между наибольшим предельным и соответствующим номинальным размерами (черт. 2).
Примечание. ES — верхнее отклонение отверстия; es — верхнее отклонение вала.
Черт. 2
1.1.11. Нижнее отклонение EI, ei — алгебраическая разность между наименьшим предельным и соответствующим номинальным размерами (черт. 2).
Примечание. ЕI — нижнее отклонение отверстия; ei — нижнее отклонение вала.
1.1.12. Основное отклонение — одно из двух предельных отклонений (верхнее или нижнее), определяющее положение поля допуска относительно нулевой линии. В данной системе допусков и посадок основным является отклонение, ближайшее к нулевой линии.
1.1.13. Нулевая линия — линия, соответствующая номинальному размеру, от которой откладываются отклонения размеров при графическом изображении полей допусков и посадок. Если нулевая линия расположена горизонтально, то положительные отклонения откладываются вверх от нее, а отрицательные — вниз (черт. 2).
1.1.14. Допуск Т — разность между наибольшим и наименьшим предельными размерами или алгебраическая разность между верхним и нижним отклонениями (черт. 2).
Примечание. Допуск — это абсолютная величина без знака.
1.1.15. Стандартный допуск IT — любой из допусков, устанавливаемых данной системой допусков и посадок.
Примечание. В дальнейшем в стандарте под термином “допуск” понимается “стандартный допуск”.
1.1.16. Поле допуска — поле, ограниченное наибольшим и наименьшим предельными размерами и определяемое величиной допуска и его положением относительно номинального размера. При графическом изображении поле допуска заключено между двумя линиями, соответствующими верхнему и нижнему отклонениям относительно нулевой линии (черт. 2).
1.1.17. Квалитет (степень точности) — совокупность допусков, рассматриваемых как соответствующие одному уровню точности для всех номинальных размеров.
1.1.18. Единица допуска i, I — множитель в формулах допусков, являющийся функцией номинального размера и служащий для определения числового значения допуска.
Примечание. i — единица допуска для номинальных размеров до 500 мм, I — единица допуска для номинальных размеров св. 500 мм.
1.1.19. Вал — термин, условно применяемый для обозначения наружных элементов деталей, включая и нецилиндрические элементы.
1.1.20. Отверстие — термин, условно применяемый для обозначения внутренних элементов деталей, включая и нецилиндрические элементы.
1.1.21. Основной вал — вал, верхнее отклонение которого равно нулю.
1.1.22. Основное отверстие — отверстие, нижнее отклонение которого равно нулю.
1.1.23. Предел максимума материала — термин, относящийся к тому из предельных размеров, которому соответствует наибольший объем материала, т.е. наибольшему предельному размеру вала или наименьшему предельному размеру отверстия.
Примечание. Применявшийся ранее термин “проходной предел” использовать не рекомендуется.
1.1.24. Предел минимума материала — термин, относящийся к тому из предельных размеров, которому соответствует наименьший объем материала, т.е. наименьшему предельному размеру вала или наибольшему предельному размеру отверстия.
Примечание. Применявшийся ранее термин “непроходной предел” использовать не рекомендуется.
1.1.25. Посадка — характер соединения двух деталей, определяемый разностью их размеров до сборки.
1.1.26. Номинальный размер посадки — номинальный размер, общий для отверстия и вала, составляющих соединение.
1.1.27. Допуск посадки — сумма допусков отверстия и вала, составляющих соединение.
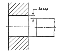
1.1.28. Зазор — разность между размерами отверстия и вала до сборки, если размер отверстия больше размера вала (черт. 3).
Черт. 3
1.1.29. Натяг — разность между размерами вала и отверстия до сборки, если размер вала больше размера отверстия (черт. 4).
Черт. 4
Примечание. Натяг можно определять как отрицательную разность между размерами отверстая и вала.
1.1.30. Посадка с зазором — посадка, при которой всегда образуется зазор в соединении, т.е. наименьший предельный размер отверстия больше наибольшего предельного размера вала или равен ему. При графическом изображении поле допуска отверстия расположено над полем допуска вала (черт. 5).
Черт. 5
1.1.31. Посадка с натягом — посадка, при которой всегда образуется натяг в соединении, т.е. наибольший предельный размер отверстия меньше наименьшего предельного размера вала или равен ему. При графическом изображении поле допуска отверстия расположено под полем допуска вала (черт. 6).
Черт. 6
1.1.32. Переходная посадка — посадка, при которой возможно получение как зазора, так и натяга в соединении, в зависимости от действительных размеров отверстия и вала. При графическом изображении поля допусков отверстия и вала перекрываются полностью или частично (черт. 7).
Черт. 7
1.1.33. Наименьший зазор — разность между наименьшим предельным размером отверстия и наибольшим предельным размером вала в посадке с зазором (черт. 8).
1.1.34. Наибольший зазор — разность между наибольшим предельным размером отверстия и наименьшим предельным размером вала в посадке с зазором или в переходной посадке (черт. 8 и 9)
1.1.35. Наименьший натяг — разность между наименьшим предельным размером вала и наибольшим предельным размером отверстия до сборки в посадке с натягом (черт. 10).
Черт. 10
1.1.36. Наибольший натяг — разность между наибольшим предельным размером вала и наименьшим предельным размером отверстия до сборки в посадке с натягом или в переходной посадке (черт. 9 и 10).
1.1.37. Посадки в системе отверстия — посадки, в которых требуемые зазоры и натяги получаются сочетанием различных полей допусков валов с полем допуска основного отверстия (черт. 11).
Черт. 11
1.1.38. Посадки в системе вала — посадки, в которых требуемые зазоры и натяги получаются сочетанием различных полей допусков отверстий с полем допуска основного вала (черт. 12).
Черт. 12
1.2. Нормальная температура
Допуски и предельные отклонения, установленные в настоящем стандарте, относятся к размерам деталей при температуре 20С.
1.3. Условные обозначения
1.3.1. Квалитеты
Квалитеты обозначаются порядковыми номерами, например, 01, 7, 14.
Допуски по квалитетам обозначаются сочетанием прописных букв IT с порядковым номером квалитета, например, IТ01, IТ7, IТ14.
1.3.2. Основные отклонения
Основные отклонения обозначаются буквами латинского алфавита, прописными для отверстий (A...ZC) и строчными для валов (a...zc) (черт. 13).
1.3.3. Поле допуска
Поле допуска обозначается сочетанием буквы (букв) основного отклонения и порядкового номера квалитета.
Например: g6, js7, H7, Н11.
Обозначение поля допуска указывается после номинального размера элемента.
Например: 40g6, 40Н7, 40Н11.
В обоснованных случаях допускается обозначать поле допуска с основным отклонением “Н” символом “+IТ”, с основным отклонением “h” — символом “—IT”, с отклонениями “js” или “JS” — символом “±IТ/2”.
Например: +IТ14, —IТ14, ±IТ14/2.
1.3.4. Посадка
Посадка обозначается дробью, в числителе которой указывается обозначение поля допуска отверстия а в знаменателе — обозначение поля допуска вала.















