bzhd_met_uzo (1022960), страница 2
Текст из файла (страница 2)
Таблица.2
| Дифференциальный ток | IΔn | 2 IΔn | 5 IΔn | 500 А |
| Максимальное время отключения | 0,5 | 0,2 | 0,15 | 0,15 |
| Минимальное время неотключения | 0,13 | 0,06 | 0,05 | 0,04 |
Номинальные характеристики серийных УЗО типа АСТРО*УЗО приведены в табл. 3.
Таблица.3
| Наименование параметра | Номинальное значение |
| Номинальное напряжение Un, В | 220, 380 *) |
| Номинальная частота fn, Гц | 50 |
| Номинальный ток нагрузки In, А | 16,25,40,63,80,100 *) |
| Номинальный отключающий дифференциальный ток (уставка) IΔn, мА | 10, 30, 100, 300 *) |
| Номинальный неотключающий дифференциальный ток IΔnо | 0,5 IΔn |
| Предельное значение неотключающего сверхтока Inm | 6In |
| Номинальная включающая и отключающая (коммутационная) способность Im, А | 1500 |
| Номинальная включающая и отключающая способность по дифференциальному току I∆m, А | 1500 |
| Номинальный условный ток короткого замыкания (стойкость к короткому замыканию при последовательно включенной плавкой вставке 63 А)Inc, А | 10 000 |
| Номинальный условный дифференциальный ток короткого замыкания I∆c, А | 10 000 |
| Время отключения при номинальном дифференциальном токе Tn, не более, мс | 30 |
| Диапазон рабочих температур, °С | -25 — 40° |
| Максимальное сечение подключаемых проводников, мм² | 25, 50*) |
| Срок службы: электрических циклов, не менее механических циклов, не менее | 4 000 10 000 |
*) - в зависимости от модификации устройства
2.4. ВЫБОР УЗО
Номинальный отключающий дифференциальный ток УЗО (уставка) IΔn должен не менее чем в три раза превышать суммарный ток утечки защищаемой цепи электроустановки — IΔ:
IΔn 3 IΔ
Суммарный ток утечки электроустановки замеряется специальными приборами, либо определяется расчетным путем.
При отсутствии фактических (замеренных) значений тока утечки в электроустановке ПУЭ (п. 7.1.83) предписывают принимать ток утечки электроприемников из расчета — 0,4 мА на 1 А тока нагрузки, а ток утечки цепи из расчета — 10 мкА на 1 м длины фазного проводника.
Рекомендуемые значения номинального отключающего дифференциального тока — IΔn (уставки) УЗО для диапазона номинальных токов 16 — 80 А приведены в табл. 4.
Таблица 4
Номинальный ток в зоне защиты, А | 16 | 25 | 40 | 63 | 80 |
| In при работе в зоне защиты одиночного потребителя, мА | 10 | 30 | 30 | 30 | 100 |
| In при работе в зоне защиты группы потребителей, мА | 30 | 30 | 30(100) | 100 | 300 |
| In УЗО противопожарного назначения на ВРУ (ВРЩ), мА | 300 | 300 | 300 | 300 | 500 |
В некоторых случаях, для определенных потребителей значение уставки задается нормативными документами.
В ГОСТ Р 50669—94 применительно к зданиям из металла или с металлическим каркасом задается значение уставки УЗО не выше 30 мА.
Временные указания предписывают: для сантехнических кабин, ванных и душевых устанавливать УЗО с током срабатывания:
10 мА, если на них выделена отдельная линия; в остальных случаях, (например, при использовании одной линии для сантехнической кабины, кухни и коридора) допускается использовать УЗО с уставкой 30 мА (п. 4.15);
в индивидуальных жилых домах для групповых цепей, питающих штепсельные розетки внутри дома, включая подвалы, встроенные и пристроенные гаражи, а также в групповых сетях, питающих ванные комнаты, душевые и сауны УЗО с уставкой 30 мА;
для устанавливаемых снаружи штепсельных розеток УЗО с уставкой 30 мА (п. 6.5).
В ПУЭ (7-е изд. п. 7.1.84) рекомендуется для повышения уровня защиты от возгорания при замыканиях на заземленные части на вводе в квартиру, индивидуальный дом и тому подобное установка УЗО с током срабатывания до 300 мА.
3. КРАТКОЕ ОПИСАНИЕ СТЕНДА
Работа выполняется на специальном лабораторном стенде, разработанном коллективом кафедры ОЭ и ОТ МИРЭА.
В целях обеспечения условий электробезопасности, питание стенда осуществляется от автономного источника питания, имеющего гальваническую развязку с сетью.
В центральной части лицевых панелей представлены мнемосхемы, иллюстрирующая принцип работы устройства защитного отключения.
Работа состоит из двух частей:
– исследование характеристик двухполюсного УЗО (выполняется на панели «А»);
– исследование работы четырехполюсного УЗО в составе электроустановки (выполняется на панели «Б»).
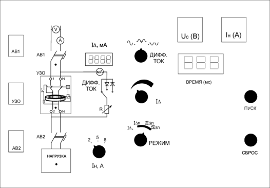
Рис. 3. Лицевая панель «А» стенда
На панели «А» расположены:
– двухполюсное устройство защиты от сверхтоков (автоматические выключатели с характеристикой В) «АВ1»;
– УЗО типа Ф-2211 производства фирмы АСТРО-УЗО (ГП ОПЗ МЭИ);
– двухполюсное устройство защиты от сверхтоков (автоматические выключатели с характеристикой В) «АВ2»;
– переключатель нагрузки «Iн»;
– регулятор дифференциального тока «I∆»;
– цифровой миллиамперметр для измерения дифференциального тока«I∆»;
– электронный секундомер «ВРЕМЯ»;
– кнопка запуска счета времени электронного секундомера «ПУСК»;
– кнопка сброса показаний электронного секундомера «СБРОС»;
– переключатель формы дифференциального тока «ДИФФ.ТОК»;
– переключатель режима измерений «РЕЖИМ»;
– вольтметр «Uc»;
– амперметр «Iн».
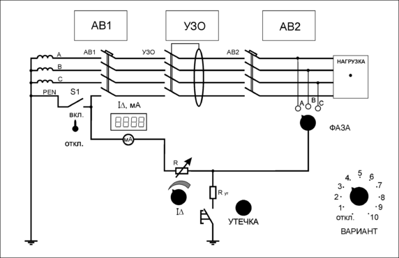
Рис. 4. Лицевая панель «Б» стенда
На панели «Б» расположены:
– четырехполюсное устройство защиты от сверхтоков (автоматический выключатель с характеристикой В) «АВ1»;
– УЗО типа Ф-1212 производства фирмы АСТРО-УЗО (ГП ОПЗ МЭИ);
– четырехполюсное устройство защиты от сверхтоков (автоматический выключатель с характеристикой В) «АВ2»;
– регулятор дифференциального тока «I∆»;
– цифровой миллиамперметр для измерения дифференциального тока «I∆»;
– переключатель фаз «ФАЗА»;
– кнопка для замыкания цепи утечки тока «УТЕЧКА»;
– выключатель для разрыва нулевого проводника «S1 »;
– переключатель варианта нагрузки «ВАРИАНТ».
4. ЗАДАНИЕ
1. Изучить принцип действия УЗО.
2. Проверить работоспособность УЗО с помощью кнопки «Тест».
3. Измерить значение отключающего дифференциального тока УЗО в различных режимах.
4. Испытать действие УЗО при включении его на дифференциальный ток, превышающий значение номинального отключающего дифференциального тока.
5. Оценить быстродействие УЗО путем измерения скорости срабатывания в различных режимах.
6. Оценить влияние тока нагрузки на точность работы УЗО.
5. ПОРЯДОК ВЫПОЛНЕНИЯ РАБОТЫ
5.1. Измерение отключающего дифференциального тока I∆ в зависимости от формы дифференциального тока и значения тока нагрузки.
Установить переключатели на панели «А» в следующие положения:
– переключатель «РЕЖИМ» – в положение «I∆»;
– переключатель «ДИФФ.ТОК» – в положение «~»;
– регулятор дифференциального тока «I∆» – в положение минимального тока (данную операцию проводить после считывания результата после каждого опыта);
– автоматический выключатель «АВ1» и УЗО включить.
Проверить работоспособность УЗО путем нажатия тестовой кнопки «Т», расположенной на лицевой панели УЗО. Немедленное срабатывание УЗО подтверждает его исправность.
Взвести УЗО.
Увеличивая дифференциальный ток регулятором «I∆» наблюдать срабатывание УЗО. Значение тока, при котором произошло срабатывание, занести в таблицу 5.
Установить переключатель тока нагрузки «Iн» – в положение «2». Включить автоматическим выключателем АВ2 нагрузку.
Увеличивая дифференциальный ток регулятором «I∆» наблюдать срабатывание УЗО. Значение тока, при котором произошло срабатывание, занести в таблицу 5.
Установить переключатель тока нагрузки в положения «5» и добиться регулировкой «I∆» срабатывания УЗО.
Установить переключатель тока нагрузки в положения «8» и добиться регулировкой «I∆» срабатывания УЗО.
Аналогично изменив форму дифференциального тока переключателем «ДИФФ.ТОК» произвести замеры отключающих токов.
Все полученные результаты занести в таблицу 5.
Таблица 5
| Дифференциальный ток | Без нагрузки | Ток нагрузки In, А | ||
| 2 | 5 | 8 | ||
| Синусоидальный | ||||
| Пульсирующий (положит.) | ||||
| Пульсирующий (отриц.) | ||||
5.2. Измерение времени отключения Т при изменении дифференциального отключающего тока.
Установить переключатели на панели «А» в следующие положения:
– переключатель «РЕЖИМ» – в положение измерения времени «I∆n»;
– переключатель «ДИФФ.ТОК» – в положение «~»;
– автоматический выключатель «АВ2»выключить;
– автоматический выключатель «АВ1» и УЗО включить.
На таймере нажать кнопку «СБРОС», а затем кнопку «ПУСК». УЗО срабатывает и на индикаторе таймера высвечивается значение времени отключения.
Повторить опыт при последовательной установке переключателя «РЕЖИМ» в положение измерения времени «2I∆n» и «5I∆n».
Аналогично изменив форму дифференциального тока переключателем «ДИФФ.ТОК» произвести замеры времени отключения для пульсирующих дифференциальных токов (положительных и отрицательных).
Все полученные результаты занести в таблицу 6.
Таблица 6
| Дифференциальный ток | Кратность дифференциального тока | ||
| I∆n | 2 I∆n | 5 I∆n | |
| Синусоидальный | |||
| Пульсирующий (положит.) | |||
| Пульсирующий (отриц.) | |||
5.3. Измерение времени отключения Т в зависимости от значения тока нагрузки.
Установить переключатели на панели «А» в следующие положения:
– переключатель «РЕЖИМ» – в положение измерения времени «I∆n»;
– переключатель «ДИФФ.ТОК» – в положение «~»;
– переключатель тока нагрузки «Iн» – в положение «2»;
– автоматический выключатель «АВ1» и УЗО включить.
Включить нагрузку автоматическим выключателем «АВ2».
На таймере нажать кнопку «СБРОС», а затем кнопку «ПУСК». УЗО срабатывает и на индикаторе таймера высвечивается значение времени отключения.
Повторить опыт при последовательной установке переключателя «РЕЖИМ» в положение измерения времени «2I∆n» и «5I∆n».
Аналогично изменяя ток нагрузки переключателем «Iн» измеряем время отключения УЗО.
















