Гл4(стр69-83) (1022093), страница 2
Текст из файла (страница 2)
называется полуволновой пластиной. При прохождении через нее линейно поляризованного света между обыкновенной и необыкновенной волнами возникает разность фаз =, и результирующая волна будет иметь линейную поляризацию (см. (4.4) и (4.5). Направление колебаний вектора Е в ней будет повернуто на угол 2 относительно направления вектора Е в падающей волне (рис.4.14).
Рис.4.13 Рис.4.14
Преобразование типа поляризации света фазовыми пластинками является обратным, т.е. при падении, например, на четвертьволновую пластинку циркулярно поляризованная волна преобразуется в линейно поляризованную.
4.5. Анализ поляризованного света
4.5.1. Закон Малюса
При падении на поляризатор линейно поляризованная волна с амплитудой Е распадается на две волны со взаимно перпендикулярными направлениями поляризации (рис.4.15, поляризатор обозначен буквой А). Та из них, для которой ориентация вектора Е совпадает с направлением пропускания поляризатора ОО, имеет амплитуду Ее=Епадcos, где - угол между вектором Е падающей волны и осью пропускания поляризатора.
Другая волна имеет амплитуду Ео=Епадsin и задерживается поляризатором. Таким образом, интенсивность линейно поляризованного света на выходе из поляризатора удовлетворяет соотношению, называемому законом Малюса
I=Iпадcos2, (4.6)
где Iпад - интенсивность падающего света.
А
А'
Рис.4.15
Если на поляризатор падает естественный свет, в котором равновероятно представлены компоненты вектора Е всех направлений, то необходимо применить закон Малюса к каждой компоненте, а затем провести усреднение по всем возможным углам от 0 до 2. Тогда получим
. (4.7)
Если на пути естественного света поставить два поляризатора, то, применив последовательно закон Малюса, для естественного света получим, что на выходе из такой системы интенсивность света равна:
. (4.8)
4.5.2. Анализ поляризованного света
Поляризаторы и фазовые пластинки позволяют исследовать характер поляризации световых волн. Поляризатор, используемый для анализа характера поляризации, часто называют анализатором.
Поставим на пути луча света интенсивности I0 поляризатор. При вращении поляризатора вокруг своей оси возможны два исхода: интенсивность пропускаемого поляризатором света либо не изменяется, либо изменяется. Если интенсивность пропускаемого света при вращении поляризатора не изменяется (рис.4.16), то он либо вообще не поляризован, либо циркулярно поляризован. Если интенсивность пропускаемого света при вращении поляризатора изменяется, то возможно два случая: либо интенсивность света уменьшается до нуля (рис.4.17а), либо она никогда не достигает (рис.4.17б) нуля.
Рис.4.16
Если интенсивность уменьшается до нуля, то свет линейно поляризован. Если интенсивность не уменьшается до нуля, то свет либо эллиптически поляризован, либо частично поляризован.
а) Рис.4.17 б)
Таким образом, при помощи одного только поляризатора можно однозначно установить характер поляризации лишь для линейно поляризованного света. Для анализа эллиптически (циркулярно) поляризованного света используются фазовые пластинки /4, превращающие этот свет в линейно поляризованный, который затем исследуется при помощи анализатора. Естественный и частично поляризованный свет не меняет характер поляризации после прохождения четверть волновой пластинки.4.5.3. Степень поляризации
Степенью поляризации частично поляризованного света называется величина
, (4.9)
где Imax -максимальная, а Imin -минимальная интенсивности исследуемого света, пропущенного через анализатор, при повороте анализатора на угол 2. Полностью поляризованный свет с линейной поляризацией имеет Imin= 0 (см.рис.4.17a), и для него P=1. Для естественного света (см.рис.4.17б) Imax=Imin и P=0.
4.5.4. Оптическая активность
Оптическая активность – способность некоторых веществ вызывать вращение плоскости поляризации проходящего через них света.
Оптическая активность бывает двух видов: естественная и искусственная. Естественной оптической активностью обладают некоторые кристаллические тела, жидкости и растворы оптически активных веществ без внешних воздействий. Искусственная оптическая активность наблюдается в веществах, ранее оптически неактивных, при наложении внешних воздействий.
4.5.5. Естественная оптическая активность
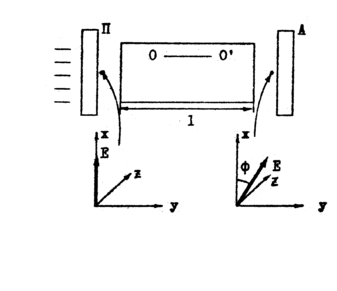
На рис.4.18 представлена схема для наблюдения явления оптической активности. Линейно поляризованный свет с вектором
колеблющимся вдоль направления х, падает на оптически активную среду, например на кварцевую пластинку, вырезанную перпендикулярно оптической оси ОО`. Направим световой луч вдоль оси ОО`. В этом направлении n0 = ne, и, казалось бы, никаких эффектов наблюдаться не должно. Оказывается, что после прохождения активной среды плоскость поляризации световой волны поворачивается на угол ф.
Рис.4.18
Основной закон оптической активности – закон Био, связывает угол поворота плоскости поляризации ф с длиной активной среды l.где - постоянная вращения, измеряемая в град*мм-1. Для растворов
где
- удельная постоянная вращения, измеряемая в град*мм-1, с – концентрация раствора.
Поворот может происходить либо по часовой стрелке, тогда вещество называется правовращающим (ф > 0), либо против часовой стрелки, тогда вещество называется левовращающим (ф < 0).
Френель предложил следующее качественное объяснение вращения плоскости поляризации света. Линейно поляризованную плоскую монохроматическую волну
можно представить в виде комбинации двух одновременно распространяющихся циркулярно поляризованных плоских монохроматических волн той же частоты, векторы
и
которых равны по модулю Е0/2, и вращаются по взаимно противоположным направлениям с одинаковой угловой скоростью . В оптически активной среде волны
и
распространяются с разными фазовыми скоростями. Поэтому после прохождения этими волнами в среде пути 1 между ними возникает сдвиг по фазе ф, пропорциональный 1. В результате наложения этих волн на выходе из слоя толщиной 1 образуется плоская монохроматическая волна
плоскость поляризации которой повернута относительно плоскости поляризации падающей волны на угол ф/2, пропорциональный 1.
4.5.6. Искусственная оптическая активность.
Эффект Фарадея
Рис.4.19
Эффект Фарадея заключается в том, что в магнитном поле первоначально неактивное вещество становится оптически активным. При распространении света в веществе вдоль вектора напряженности магнитного поля плоскость поляризации световой волны вращается. Схема для наблюдения эффекта Фарадея изображена на рис.4.19. Образец длиной 1 помещается в соленоид. Напряженность магнитного поля на оси соленоида Н. При включении магнитного поля плоскость поляризации света на выходе из образца поворачивается на угол ф относительно первоначального положения. Угол поворота плоскости поляризации равенгде V – постоянная Верде.
Эффект Фарадея находит многочисленные применения в науке и технике. Наиболее известная область использования этого явления – устройства для оптических способов записи информации (лазерные диски для записи аудио- и видеоинформации, компьютерные оптические диски).
СОДЕРЖАНИЕ
-
Формирование представлений о корпускулярно-волновой
природе света ………………………………………………….. 3
-
Теория световых корпускул XVII-XIX вв. Элементарные законы геометрической оптики ……………………………. 3
-
Волновая теория света в XVIII-XIX вв. …………………… 5
-
Электромагнитная теория света …………………………… 7
-
Интерференция световых волн ………………………………. 12
-
Понятие о когерентности ………………………………….. 13
-
Расчет интерференционной картины от двух когерентных источников …………………………………………………. 14
-
Способы получения когерентных волн …………………... 17
-
Пространственная и временная когерентность ………….. 20
-
Интерференция в тонких пленках ………………………… 23
-
2.5.1 Интерференция в плоскопараллельных пластинках ……. 23
2.5.2. Полосы равной толщины …………………………………. 26
2.5.3. Полосы равного наклона …………………………………. 27
2.5.4. Кольца Ньютона ………………………………………….. 28
-
Многолучевая интерференция ……………………………. 30
-
Применение явления интерференции ……………………. 31
-
Дифракция света ……………………………………………… 37
-
Дифракция света и условия ее наблюдения ……………… 37
-
Принцип Гюйгенса-Френеля ……………………………… 38
-
Метод зон Френеля ………………………………………… 39
-
Метод графического сложения амплитуд ……………… 43
-
Простейшие случаи дифракции Френеля ………………. 44
-
3.5.1. Дифракция Френеля от круглого отверстия …………… 44
3.5.2. Дифракция Френеля от круглого диска ………………… 47
-
Дифракция Фраунгофера на одной щели ……………….. 48
-
Характерные области дифракции света …………………. 53
-
Дифракционная решетка …………………………………. 54
-
Дифракционные спектры …………………………………. 58
-
Дисперсия и разрешающая сила дифракционной
решетки …………………………………………………….. 59
-
Дисперсия дифракционной решетки ………………….. 59
-
Разрешающая сила дифракционной решетки ……….. 59
-
Дифракция рентгеновских лучей ……………………….. 61
-
Поляризация света ………………………………………….. 63
-
Типы поляризации ………………………………………. 63
-
4.1.1. Поляризованный свет …………………………………… 63
4.1.2. Линейная поляризация света …………………………… 63
4.1.3. Естественный (неполяризованный) свет ………………. 64
4.1.4.Эллиптическая и циркулярная (круговая)
поляризация света ……………………………………….. 65
-
Поляризация света на границе двух сред.
Закон Брюстера …………………………………………… 67
-
Оптическая анизотропия …………………………………. 69
4.3.1. Естественная анизотропия ………………………………. 69
4.3.2. Двойное лучепреломление. Построения Гюйгенса ……. 69
4.3.3. Искусственная анизотропия …………………………….. 71
-
Поляризационные устройства ……………………………. 73
4.4.1. Поляризаторы …………………………………………….. 73
4.4.2. Фазовые пластинки ………………………………………. 74
-
Анализ поляризованного света …………………………… 76
4.5.1. Закон Малюса ……………………………………………. 76
4.5.2. Анализ поляризованного света ………………………….. 77
4.5.3 Степень поляризации ……………………………………... 79
-
Оптическая активность …………………………………… 79
4.6.1. Естественная оптическая активность …………………… 79
4.6.2. Искусственная оптическая активность.
Эффект Фарадея …………………………………………… 81
















