Задача 1.2. Линейные электрические цепи синусоидального тока (1021974)
Текст из файла
ЗАДАНИЕ 1 Приложение 2
Задача 1.2. Линейные электрические цепи синусоидального тока
1. Система уравнений по законам Кирхгофа
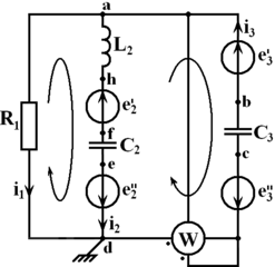
а) в системе оригиналов (рис.1), т.е. в интегрально-дифференциальной форме. Стрелкой показано направление обхода контуров.
б) в системе символических изображений (рис.2), т.е. в комплексной форме.
При переходе в систему изображений операции дифференцирования заменяются умножением на оператор jω, операции интегрирования делением на оператор jω, благодаря чему система становится алгебраической, как в постоянном токе, что позволяет в дальнейшем применять для расчета токов все методы расчета цепей постоянного тока.
2. Расчет токов в системе изображений
Значения комплексных сопротивлений:
.
| Для расчета |
Выполним проверку токов по 1-му закону Кирхгофа.
(допустимая погрешность не более 5% от минимального значения величины).
| Для действительных частей 2,61-0,991,60. | Для мнимых частей -0,24-1,53-1,73. |
3. Определение показания ваттметра
4. Топографическая диаграмма
Для построения топографической диаграммы рассчитываем потенциалы всех точек схемы, двигаясь по I, II и III ветви от точки
к точке a (рис. 3).
I Ветвь
Вектор тока и напряжения совпадает по фазе (участок a-d).
II Ветвь
III Ветвь
Разброс значений потенциала
, полученного тремя разными путями и методом 2 узлов, не превышает 5% от минимального значения
, что служит критерием правильности расчета.
Строим топографическую диаграмму, совмещенную с диаграммой токов. Построение потенциалов точек и векторов токов выполняем каждый в своем масштабе: 1 деление соответствует 0,5А и 20В. Сначала строим вектор тока. Конец каждого вектора определяют две координаты. Затем строим по координатам точки
, одновременно проверяем правильность расположения векторов
относительно
для элементов R, L, C. При проверке положения вектора
начало координат мысленно перемещаем в начало этого вектора.
Взаимное расположение каждой пары вектора напряжения и тока для каждого из элементов R, L и C должно соответствовать диаграмме приведенной на рис.2.20.
Рис. 3. Топографическая диаграмма
На рис. 3 разнохарактерными пунктирами показаны последовательности расположения точек для каждой из трех ветвей при движении от общего узла d к общему узлу a. Положение вектора
также необходимо сравнить с его расчетным значением в п.2 и обратить внимание, что на диаграмме
.
5, 6. Выполняются факультативно
7. Значения токов i1, i2, i3 и их графики
Рис. 4. График токов в системе оригиналов
8
Рис. 5. Схема в системе символических изображений. Встречное включение катушек
. Система МЗК при наличии в схеме 2 магнитно-связанных катушекПоскольку в заданной схеме лишь одна катушка, дополнительно введем в одну из ветвей, не содержащих L, вторую катушку и обозначим включение катушек как согласное или встречное. При согласном включении ток в обеих катушках направлен одинаково относительно начала обмоток, обозначенных звездочками. При встречном (см. рис. 5) он направлен различно.
а) Запишем систему уравнений по законам Кирхгофа в системе оригиналов, т.е. в интегрально-дифференциальной форме, для встречного включения катушек.
б) Система уравнений в системе символических изображений, т.е в комплексной форме.
комплексное сопротивление взаимоиндукции;
комплексное индуктивное сопротивление;
комплексное емкостное сопротивление.
Характеристики
Тип файла документ
Документы такого типа открываются такими программами, как Microsoft Office Word на компьютерах Windows, Apple Pages на компьютерах Mac, Open Office - бесплатная альтернатива на различных платформах, в том числе Linux. Наиболее простым и современным решением будут Google документы, так как открываются онлайн без скачивания прямо в браузере на любой платформе. Существуют российские качественные аналоги, например от Яндекса.
Будьте внимательны на мобильных устройствах, так как там используются упрощённый функционал даже в официальном приложении от Microsoft, поэтому для просмотра скачивайте PDF-версию. А если нужно редактировать файл, то используйте оригинальный файл.
Файлы такого типа обычно разбиты на страницы, а текст может быть форматированным (жирный, курсив, выбор шрифта, таблицы и т.п.), а также в него можно добавлять изображения. Формат идеально подходит для рефератов, докладов и РПЗ курсовых проектов, которые необходимо распечатать. Кстати перед печатью также сохраняйте файл в PDF, так как принтер может начудить со шрифтами.
















