ТОЭ 1.1 Вариант 91 (1021857)
Текст из файла
МОСКОВСКИЙ ГОСУДАРСТВЕННЫЙ ИНСТИТУТ РАДИОТЕХНИКИ, ЭЛЕКТРОНИКИ И АВТОМАТИКИ
(ТЕХНИЧЕСКИЙ УНИВЕРСИТЕТ)
Курсовая работа № 1.1
Вариант 48
Задание «Линейные электрические цепи постоянного тока в установившемся режиме»
по предмету «ТОЭ»
студента группы КА-3-05
Мазурец Захара
Работа сдана
Дата _____ Подпись студента _____
Преподаватель: Любарская Т.А.
Дата _____
Оценка _____
Москва, 2006 г.
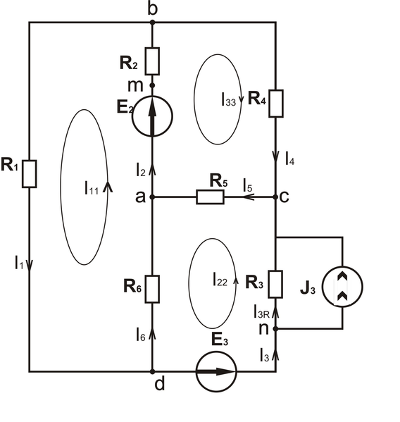
Вариант 91
R1 = 7 Om
R2 = 12 Om
R3 = 4 Om
R'4 = 4 Om
R''4 = 5 Om
R5 = 15 Om
R'6 = 9 Om
R''6 = 72 Om
E2 = 20 V
E3 = 8 V
J3 = 0.5 A
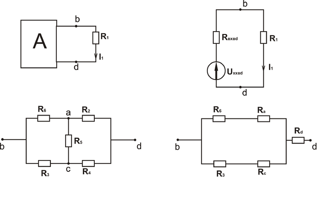
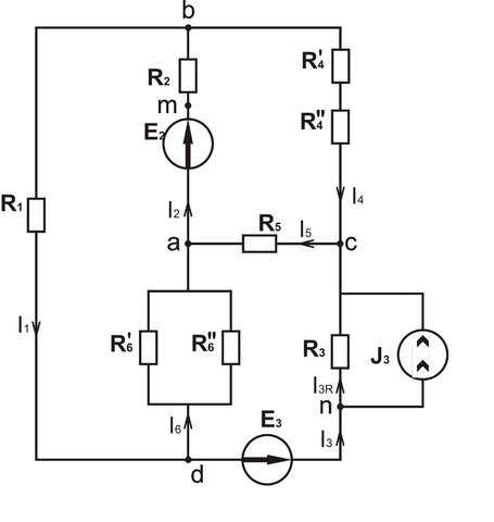
1. Упростить схему, заменив последовательно и параллельно соединённые резисторы четвёртой и шестой ветвей эквивалентными. Дальнейший расчёт вести для упрощённой схемы.
2. Составить на основании законов Кирхгофа систему уравнений для расчета токов во всех ветвях схемы.
3. Определить токи во всех ветвях схемы методом контурных токов.
-
Запишем формализованную систему уравнений для метода контурных токов.
-
Подставим полученные коэффициенты в исходную систему
Выразим искомые токи ветвей через контурные токи
4. Определить токи во всех ветвях схемы методом узловых потенциалов.
-
Примем потенциал узла «b» равным нулю: b=0.
-
Запишем формализованную систему уравнений для метода контурных токов.
-
Рассчитаем коэффициенты данной системы
-
Подставим полученные коэффициенты в исходную систему
5. Результаты расчёта токов, проведённого двумя методами, свести в таблицу и сравнить между собой.
| I1 | I2 | I3 | I4 | I5 | I6 | |
| метод контурных токов (ток в Амперах) | 0.967 | 0.914 | 0.686 | -0.053 | 0.633 | 0.281 |
| метод узловых потенциалов (ток в Амперах) | 0.967 | 0.915 | 0.690 | -0,052 | 0.632 | 0.281 |
| относительная погрешность. ( в процентах) | 0,000 | 0.001 | 0,001 | 0.001 | 0,001 | 0.000 |
6. Составить баланс мощностей в исходной схеме (схеме с источником тока) , вычислив суммарную мощность источников и суммарную мощность нагрузок (сопротивлений).
7. Определить ток I1 в заданной по условию схеме с источником тока, используя метод эквивалентного генератора.
-
Определим входное сопротивление двухполюсника заменив исходную схему эквивалентной преобразовав схему соединения треугольником в схему соединения звездой.
-
Подсчитаем ток через сопротивление R1
8. Начертить потенциальную диаграмму для любого замкнутого контура, включающего в себя обе ЭДС.
9
Характеристики
Тип файла документ
Документы такого типа открываются такими программами, как Microsoft Office Word на компьютерах Windows, Apple Pages на компьютерах Mac, Open Office - бесплатная альтернатива на различных платформах, в том числе Linux. Наиболее простым и современным решением будут Google документы, так как открываются онлайн без скачивания прямо в браузере на любой платформе. Существуют российские качественные аналоги, например от Яндекса.
Будьте внимательны на мобильных устройствах, так как там используются упрощённый функционал даже в официальном приложении от Microsoft, поэтому для просмотра скачивайте PDF-версию. А если нужно редактировать файл, то используйте оригинальный файл.
Файлы такого типа обычно разбиты на страницы, а текст может быть форматированным (жирный, курсив, выбор шрифта, таблицы и т.п.), а также в него можно добавлять изображения. Формат идеально подходит для рефератов, докладов и РПЗ курсовых проектов, которые необходимо распечатать. Кстати перед печатью также сохраняйте файл в PDF, так как принтер может начудить со шрифтами.
















