Курсач 2.1 (1021768)
Текст из файла
6rМосковский институт радиотехники, электроники и автоматики
(технический университет)
Курсовая работа по ТОЭ
Задание 2, задача 2.1
Определение параметров четырёхполюсников
Вариант 20
Выполнил: Демидов.Д.И,
студент группы КА-2-04
факультета кибернетики
Проверил: Любарская Т.А.
Оценка работы_________________
Подпись преподавателя__________
Москва-2006
Задание
Схему 1.2 представить как Т-схему пассивного четырёхполюсника. С этой целью все источники ЭДС в схеме закоротить , а левую(первую) и правую(третью) ветви разомкнуть. Разомкнутые зажимы левой ветви обозначить 1-1' и считать их входными, а разомкнутые зажимы правой ветви обозначить 2-2' и считать их выходными. Сопротивление левой ветви обозначить Z1, средней Z3 , правой Z2. Для полученной схемы составить уравнения четырёхполюсника в одной из матричных форм записи(A, Y, Z, H, G). Записать формулы для элементов матрицы сначала в общем виде, а затем в числовом.
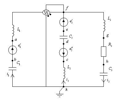
| Рис.1. Исходная схема 1.2 |
R3=70 Ом
L2=36 мГн
L1=32 мГн
C1=4 мкФ
C2=2 мкФ
f=400 Гц
|
Рис.2. Преобразованная схема |
Рис.3. Т-схема |
Z3=ZR=70 Ом
Z2= jXL2−jXС2= jωL2 − j/(ωC2) = j2πfL2 −j/(2πfC2)=-j108,466 Ом
Z1= jXL1 -jXC1 = jωL1-j/(ωC1)= -j19,047 Ом
Уравнение четырёхполюсника в А-форме:
U
1=AU2+BI2 (1)
I1=CU2+DI2 (2)
Определение коэффициентов А, B, C, D, используя входные сопротивления при режимах ХХ и КЗ
1) Прямое ХХ (рис.4)
2) Прямое КЗ (рис.5)
3)Обратное КЗ (рис. 6)
Проверка:
Зная коэффициенты A, B, C, D, определим параметры П-схемы замещения:
4
Характеристики
Тип файла документ
Документы такого типа открываются такими программами, как Microsoft Office Word на компьютерах Windows, Apple Pages на компьютерах Mac, Open Office - бесплатная альтернатива на различных платформах, в том числе Linux. Наиболее простым и современным решением будут Google документы, так как открываются онлайн без скачивания прямо в браузере на любой платформе. Существуют российские качественные аналоги, например от Яндекса.
Будьте внимательны на мобильных устройствах, так как там используются упрощённый функционал даже в официальном приложении от Microsoft, поэтому для просмотра скачивайте PDF-версию. А если нужно редактировать файл, то используйте оригинальный файл.
Файлы такого типа обычно разбиты на страницы, а текст может быть форматированным (жирный, курсив, выбор шрифта, таблицы и т.п.), а также в него можно добавлять изображения. Формат идеально подходит для рефератов, докладов и РПЗ курсовых проектов, которые необходимо распечатать. Кстати перед печатью также сохраняйте файл в PDF, так как принтер может начудить со шрифтами.
















