Курсовая работа по ТОЭ (18 вариант) (1021766), страница 2
Текст из файла (страница 2)
Выражаем токи в ветвях по закону Ома:
|
|
По схеме 2:
|
|
По схеме 3:
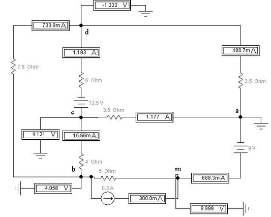
Методом компьютерного моделирования были найдены значения неизвестных потенциалов:φb=4.057 B, φd=-1.222 B, φc=4.120 B, φm=9 B. Подставив их в систему уравнений, проверяем правильность её составления:
Сравнительная таблица результатов расчёта токов
| МКТ | 0,489 | 0,688 | 0,988 | 1,193 | 1,177 | 0,016 | 0,704 |
| МУП | 0,489 | 0,688 | 0,988 | 1,193 | 1,177 | 0,016 | 0,704 |
4. Баланс мощностей (в схеме 2)
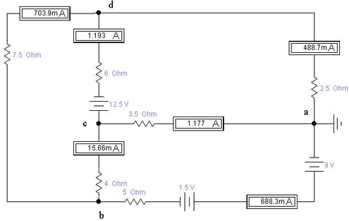
5.Методом компьютерного моделирования для схемы 3 были найдены неизвестные токи: I1=0.489 А, I2=0.688 A, I3=1.193 A, I4=1.177 A, I5=0.016 A, I6=0.704 A. Эти значения совпадают со значениями сил тока для схемы 2, рассчитанных в п.1.
||. Расчёт I1 для схемы 2 МЭГ
Примем
, т.е. рассмотрим схему 2 в режиме хх. Получим схему, соответствующую эквивалентному генератору. Это новая схема 4, в которой выбираем направления новых токов
. У нее три узла b, m, c. Значит, МУП соответствует система 2-х уравнений. МКТ также соответствует система 2-х уравнений, т.к. в схеме 2 контура с неизвестными контурными токами
и
. (Схеме 3 будет соответствовать система: МКТ – 2 уравнения, МУП – 1 уравнение) . Ветвь с J2 создаёт известный контурный ток J22= J2.
|
Рис.7 Граф системы для МКТ |
Матрица в числах:
φсхх=0,095 В φmxx=5,975 B
Система МКТ
Перенесём в правую часть уравнения J2R2 и составим матричные уравнения в числах:
I11xx= 0,918 A, I22xx= 0,894 A
Выражаем токи в ветвях через контурные:
Сравним токи в ветвях, полученные МУП и МКТ.
| Iaxx, А | Ibxx, А | Icxx , A | Idxx, А | |
| МКТ | 0,891 | 0,024 | 0,918 | 1,195 |
| МУП | 0,891 | 0,024 | 0,919 | 1,195 |
Методом компьютерного моделирования для схемы№4 были получены значения неизвестных токов Iaxx=0.894 A, Ibxx=0.024 A, Icxx=0.919 A, Idxx=1.194 A.
б) Находим Uadxx (т.к. ток I1=Iad в схемах 2 и 3).Рассчитываем его по 2 различным путям, делая переход от второй точки “d” к первой “a”. Для схемы 4:
в)
Определим входное сопротивление схемы Rвхbcxx . Удаляем источники энергии, оставляя вместо источников их внутренние сопротивления RE = 0 и RJ= =∞. В схеме рис. 8 нельзя выделить параллельные и последовательные участки, поэтому делаем преобразование треугольника abc и треугольника abd в звезду.
Входные сопротивления, посчитанные двумя способами, совпали: 5.395=5.395 Ом. Входное сопротивление, определённое методом компьютерного моделирования, тоже оказалось равным 5.395 Ом.
|
Рис.10 Схема замещения №5 Для расчёта I1 МЭГ |
Определяем ток I1 согласно схеме замещения(рис.10):
что совпадает со значением тока I1 в таблице п.5: 0.489=0.489 А.
Результат компьютерного моделирования
488.7 mA≈489 mA, погрешность <<5%.
д)Потенциальная диаграмма
Для схемы 2: рассмотрим контур a, c,n,d,a и рассчитаем φ:
-
φa=0
-
φc= φa+I4R4=4.12 B
-
φn= φc-E3=-8.38 B
-
φd= φn+ I3R3=-1.222 B
-
φa= φd+ I1R1=0
Рис. 11 Потенциальная диаграмма
Результаты компьютерного моделирования
(программа Electronics Workbench 5.12)
Рис.12. Компьютерное моделирование схемы №2.
Определение токов в ветвях и узловых потенциалов
Рис.13. Компьютерное моделирование схемы 3.
Определение токов в ветвях
Рис.14.Компьютерное моделирование схемы №4(рис.6),
полученной из схемы №2.
Определение Iaxx, Ibxx, Icxx, Idxx,Uadxx для МЭГ
Рис. 15. Определение Rвхасхх с помощью мультиметра
Рис.16. Определение I1 с использованием схемы эквивалентного генератора (схема №5, рис.10).
I1=488.7 mA
15
















