Курсовая2 (1021757)
Текст из файла
Московский государственный институт
радиотехники, электроники и автоматики
(технический университет)
КАФЕДРА «Теоретические основы электротехники(ТОЭ)»
Курсовая работа
Задание 1. Задача 1.2
Расчет линейных электрических цепей синусоидального тока
Вариант №16
Преподаватель:
Любарская Т.А.
Студент: Анатольевич
Группа:
Москва 2005
ЗАДАНИЕ на выполнение курсовой работы
Задача 1.2. Линейные электрические цепи однофазного синусоидального тока в установившемся режиме
I. Для электрической схемы № 1, соответствующей номеру варианта, выполнить следующее:
1. На основании законов Кирхгофа составить в общем виде систему уравнении для расчета токов в ветвях цепи, записав систему в двух формах: а) интегрально-дифференциальной; б) символической.
2. Начертить символическую схему замещения № 2 и перевести исходные данные в символическую систему. Расчет выполнять в комплексах действующих значений. Для ЭДС, заданных косинусоидой, предварительно сделать переход к синусоидальному выражению.
3. Определить комплексы действующих значений токов во всех ветвях, используя метод узловых потенциалов. Сделать проверку токов по I закону Кирхгофа, модули сравнить с результатами МКМ.
4. Обозначить все точки между элементами схемы. Рассчитать потенциалы всех точек, двигаясь от узловой точки с φ = 0 ко второй узловой точке по I, II, III ветви. Результаты расчета по трем ветвям сравнить. Это эквивалентно проверке по II закону Кирхгофа. Сравнить значение φ всех точек с результатами МКМ. Построить топографическую диаграмму, совмещенную с векторной диаграммой токов. Проверить сумму токов по I закону Кирхгофа на диаграмме.
5. Определить показание ваттметра двумя способами.
6. Используя данные расчетов, полученных в п. 2, записать выражения для мгновенных значений токов i1(t), i2(t), i3(t) и построить их графики.
7. Полагая, что между двумя любыми индуктивными катушками, расположенными в различных ветвях заданной схемы, имеется магнитная связь при взаимной индуктивности, равной М, составить в общем виде систему уравнений по законам Кирхгофа для расчета токов во всех ветвях схемы, записав ее в двух формах: а) интегрально-дифференциальной, б) символической.
Указание
Ориентируясь на ранее принятые направления токов в ветвях, одноименные зажимы индуктивных катушек выбрать так, чтобы их включение было встречное, и обозначить начало обмоток на схеме точками.
II. Компьютерное моделирование для проверки числовых расчетов в зад. 1.2 (МКМ)
1. Собрать схему, включив в ветви схемы амперметры с учетом заданного направления токов и вольтметр между узлами отрицательной клеммой к заземленному узлу.
2. Выставить соответственно значение параметров схемы: R - в Ом, С - в мкФ, L - в мГн. Для источников энергии: действующее значение/частота/фаза.
3. Включить схему и снять показания приборов: модули величин |I1| , |I2|, |I3| и |U| между узлами схемы.
4. Сравнить показания величин с расчетными. Совпадение значений модулей токов и напряжений при расчете и компьютерном моделировании является достаточным для подтверждения правильности расчета.
5. Определить с помощью вольтметра модули потенциалов всех точек схемы относительно точки нулевого потенциала. Сравнить результаты с данными расчета топографической диаграммы.
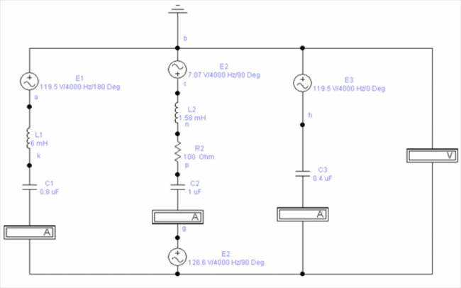
Рис 1. Схема по варианту.
| Дано: L1=6 мГн=6 10-3 Гн L2=1,58 мГн=1,58 10-3 Гн L2=0; C1=0,8 мкФ=0,8 10-6 Ф C2=1 мкФ=1 10-6 Ф C3=0,4 мкФ=0,4 10-6 Ф R2=100 Ом f=4000 Гц |
I. 1. Система уравнений по законам Кирхгофа
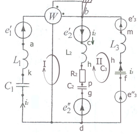
а) в системе оригиналов (рис.2), т.е. в интегрально-дифференциальной форме. Стрелкой показано направление обхода контуров.
б) в системе символических изображений (рис.3), т.е. в комплексной форме.
При переходе в систему изображений операции дифференцирования заменяются умножением на оператор jω, операции интегрирования делением на оператор jω, благодаря чему система становится алгебраической, как в постоянном токе, что позволяет в дальнейшем применять для расчета токов все методы расчета цепей постоянного тока.
2. Расчет токов в системе изображений
Значения комплексных сопротивлений:
Значения комплексных проводимостей:
3. Расчет действующих значений токов методом двух потенциалов
Примем , тогда узловые напряжения будут:
Выполним проверку токов по 1-му закону Кирхгофа.
(допустимая погрешность не более 5% от минимального значения величины).
Для действительных частей:
Для мнимых частей:
Сравним модули токов с результатами МКМ(рис 7):
| |I1| А | |I2| А | |I3| А | |U| В | |
| МУП | ||||
| МКМ |
4. Топографическая диаграмма
Для построения топографической диаграммы рассчитываем потенциалы всех точек схемы, двигаясь по I, II и III ветви от точки
к точке “a”. Наносим их на диаграмму рис. 4, выбрав масштаб.
I Ветвь(на диаграмме линия b-a-k-d)
II Ветвь(линия b-c-n-p-g-d)
III Ветвь(линия b-m-f-d)
Поскольку 2 ветви образуют контур, то расчет является так же проверкой по II закону Кирхгофа.
Разброс значений потенциала , полученного тремя разными путями и методом 2 узлов, не превышает 5% от минимального значения , что служит критерием правильности расчета.
Строим топографическую диаграмму, совмещенную с диаграммой токов. Построение потенциалов точек и векторов токов выполняем каждый в своем масштабе: 1 деление соответствует
А и В. Сначала строим вектор тока. Конец каждого вектора определяют две координаты. Затем строим по координатам точки
, одновременно проверяем правильность расположения векторов относительно для элементов R, L, C. При проверке положения вектора начало координат мысленно перемещаем в начало этого вектора.
Рис. 3. Топографическая диаграмма
На рис. 4 разнохарактерными пунктирами показаны последовательности расположения точек для каждой из трех ветвей при движении от общего узла b к общему узлу a. Положение вектора
также необходимо сравнить с его расчетным значением в п.3 и обратить внимание, что на диаграмме .
5. Определение показания ваттметра
Активная мощность
6. Значения токов i1, i2, i3 и их графики
Рис. 5. График токов в системе оригиналов
7
Рис. 6. Схема в системе символических изображений. Встречное включение катушек
. Система МЗК при наличии в схеме 2 магнитно-связанных катушекОбозначим включение катушек как согласное или встречное. При согласном включении ток в обеих катушках направлен одинаково относительно начала обмоток, обозначенных звездочками. При встречном (см. рис. 6) он направлен различно.
а) Запишем систему уравнений по законам Кирхгофа в системе оригиналов, т.е. в интегрально-дифференциальной форме, для встречного включения катушек.
б) Система уравнений в системе символических изображений, т.е в комплексной форме.
комплексное сопротивление взаимоиндукции;
комплексное индуктивное сопротивление;
комплексное емкостное сопротивление.
II. Компьютерное моделирование
Рис 7 Результаты компьютерного моделирования схемы синусоидального тока
15
Характеристики
Тип файла документ
Документы такого типа открываются такими программами, как Microsoft Office Word на компьютерах Windows, Apple Pages на компьютерах Mac, Open Office - бесплатная альтернатива на различных платформах, в том числе Linux. Наиболее простым и современным решением будут Google документы, так как открываются онлайн без скачивания прямо в браузере на любой платформе. Существуют российские качественные аналоги, например от Яндекса.
Будьте внимательны на мобильных устройствах, так как там используются упрощённый функционал даже в официальном приложении от Microsoft, поэтому для просмотра скачивайте PDF-версию. А если нужно редактировать файл, то используйте оригинальный файл.
Файлы такого типа обычно разбиты на страницы, а текст может быть форматированным (жирный, курсив, выбор шрифта, таблицы и т.п.), а также в него можно добавлять изображения. Формат идеально подходит для рефератов, докладов и РПЗ курсовых проектов, которые необходимо распечатать. Кстати перед печатью также сохраняйте файл в PDF, так как принтер может начудить со шрифтами.
















