А.Р.Пирумов, Г.Н.Трофимов, Н.Н.Холин - Сопротивление материалов (1021700), страница 2
Текст из файла (страница 2)
- P + N(z)= 0
Откуда получаем : N(z)= P
Аналогично можно рассуждать в случае, когда пара сил Р сжимают стержень. В этом случае величину N(z) получим с отрицательным знаком.
Таким образом отличие растяжения и сжатия будет сказываться только в знаках. Знак плюс нормальной силы указывает на растяжение, знак минус – на сжатие.
2.Напряжения при растяжении – сжатии стержня.
Из определения понятий о напряжениях следует, что от действия нормальной силы возникают нормальные напряжения. При этом условимся, что по толщине стержня напряжения и деформации остаются неизменными. То есть, фактически можно ограничиться по определению напряжений по высоте поперечного сечения в плоскости поперечного сечения.
Закон распределения напряжений по сечению стержня можно представить различными способами: см. рис.2.3, 2.4 и 2.5
Z
N(z)
Рис.2.3
Z
N(z)
Рис.2.4
Z
N(z)
Рис.2.5
Примеры использования принципа Сен-Венана изображены на рис. 2.3 – 2.5. Принцип Сен-Венана позволяет получать приближённые решения задач теории упругости с помощью решения аналогичных задач для частных распределений действующих сил.
Введём понятия продольной деформации и продольного напряжения в соответствии с формулами (2.1) и (2.3). В сопротивлении материалов мы имеем дело с малыми упругими деформациями для которых справедлив закон Гука (см. 2.2).
Для установления закона распределения нормальных напряжений составим условие совместности деформации. Для этого воспользуемся гипотезой плоских сечений Бернулли .
Рассмотрим стержень постоянного поперечного сечения аb и cd.
ℓ(y)=const.
По гипотезе плоских сечений при растяжении эти сечения не искривятся и переместятся параллельно себе. В результате новое расстояние будет:
(ℓ+∆ℓ)(у)=const.
Абсолютное удлинение :
(ℓ+∆ℓ)(у)-ℓ(у)=∆ℓ(у)=const.
Относительное удлинение – деформация :
Используя закон Гука, связывающий напряжения с деформацией линейной зависимостью :
Где Е – модуль упругости (модуль Юнга).
Таким образом по сечению стержня нормальные напряжения распределяются равномерно (рис.2.5).
Согласно определению нормального напряжения
Можем записать :
Так как
, эту величину можно вынести из под знака интеграла :
Откуда окончательно :
При расчётах на жесткость при растяжении – сжатии требуется определять величину удлинения стержня под нагрузкой. Закон Гука можем записать следующим образом :
Подставляя значения напряжения и деформации, перепишем закон Гука :
Отсюда выражение для удлинения ∆ℓ :
Таким образом, получили выражение для удлинения (укорочения) стержня при растяжении (сжатии). Жесткость стержня характеризуется произведением
, которое так и называется «жесткость при растяжении – сжатии».
Расчеты на прочность при растяжении – сжатии.
Из формулы (2.4) следуют три рода задач, решаемые при растяжении – сжатии. Составляется уравнение прочности для наиболее опасного сечения :
где
- допускаемое напряжение. (2.6)
Допускаемое напряжение определяется через механические характеристики материала.
- предел прочности, обе эти величины получают путем механических испытаний материала,
n – коэффициент запаса прочности, назначается в зависимости от рода материала, способа приложения нагрузки и степени ответственности детали.
Определение допускаемой нагрузки. Для расчётного «опасного» сечения определяется допускаемое значение внутреннего силового фактора :
В конкретных задачах существует однозначная связь величины
с величиной внешней нагрузки. Таким образом, определяется величина допускаемой нагрузки.
Энергетический метод расчёта на прочность. Рассчитывается величина внутренней потенциальной энергии упругой деформации тела.
Внутренняя потенциальная энергия упругой деформации при растяжении – сжатии.
Энергия упругой деформации (U) подсчитывается в предположении, что нагрузка прикладывается статически. При этом работа внешних сил полностью переходит в потенциальную энергию упругой деформации. Процесс нагружения складывается следующим образом. При отсутствии нагрузки удлинение отсутствует. Чем больше нагрузка, тем больше удлинение стержня. Графически зависимость между статически прикладываемой нагрузкой и удлинением стержня можно представить в виде прямой в соответствии с законом Гука, см рис.2.6
P
-
∆ℓ
Рис.2.6
Работа А определяется как площадь под кривой процесса:
Внутренняя энергия : U=A
Учитывая, что нормальная сила возникает от действия силы Р, можем записать :
Подставляя из формулы (2.5) значение величины ∆ℓ, получим :
Для стержня, состоящего из n участков, окончательно получаем :
Удельная потенциальная энергия определяется как энергия, отнесённая к единице объёма V :
Удельную энергию можем определить следующим образом :
Энергетическая гипотеза прочности. Здесь «опасным» считается такое состояние, когда удельная потенциальная энергия элемента начнёт превышать допускаемое при простом центральном растяжении:
Пример.
Стержень переменного сечения жестко защемлен в концевых сечениях и нагружен силой Р.
Требуется :
-
Определить реакции в заделках.
-
Построить эпюры нормальных сил N(z), нормальных напряжений
, деформации
и перемещений w(z). Для этого составить на каждом участке соответствующие аналитические выражения и определить в буквенном виде значения характерных ординат. -
Определить из условия прочности допускаемую величину силы Р.
-
Определить энергию деформации двумя способами :
а) как работу внешних сил,
б) вычислить энергию деформации, используя аналитические выражения нормальных сил N(z).
Данные к задаче :
Примечания :
-
эпюра – это график исследуемой величины по оси стержня или по его поперечному сечению;
-
в нашем случае рассматривается задача когда напряжения и деформации по толщине стержня не меняются; и эпюры напряжений и деформаций строятся только по оси стержня.
Решение.
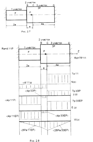
А В С 3 участок Д
1 участок 3F
F P Z
2a a 4a
Рис.2.7
Обозначаем характерные сечения начальными буквами латинского алфавита. Проводим продольную ось Z. см.рис.2.7. Отбрасываем мысленно заделку и заменяем на действия реакциями RA и RД, направляя обе в стороны, противоположные направлению силы Р. Удобно на этой схеме провести оси будущих эпюр.
Составляем уравнение равновесия :
, RA+RД=P
Остальные уравнения равновесия дают тождественный ноль.
Таким образом, получаем одно уравнение с двумя неизвестными. Для решения поставленной задачи не достаёт одного уравнения, значит задача один раз статически неопределимая. Составим уравнения совместности перемещений, воспользовавшись законом Гука и принципом независимости действия сил.
Мысленно отбросим связь заделки в сечении А, заменив её действие силой RA. При этом опора D сохраняется. Перемещение сечения А к сечению D под действием силы RA будет равно :
При этом, жёсткость на 2 и 3 участках одинаковы, поэтому для 2 и 3 участков составляется общее слагаемое. Далее сечение освободим от нагрузки . Тогда перемещение сечения С к сечению D будет равно:
После простейших арифметических действий получаем :
Данный класс задач удобнее решать в простых дробях, что позволяет получать конечный результат в абсолютном значении без всяких приближений.
Аналогичные рассуждения в отношении правой реакции опоры приводят к результату
R д =7/11 P
Легко проверить, что при этом уравнение равновесия выполняется.
Принято строить эпюры на недеформированном стержне.
Участок АВ . Мысленно делим стержень на 2 части и отбрасываем правую часть. Рассматриваем равновесие левой части. Мысленно направляем нормальную силу по внешней нормали и записываем уравнение равновесия левой части:
N(Z1) + Ra = 0 ;
То же отсечение левой части проводим на участке ВС, для которого условие равновесия имеет такой же вид, как и для
участка АВ. Таким образом нормальная сила на участках АВ и СD одинакова по величине и направлению (сжатие).
На участке CD стержень испытывает растяжение, так как из уравнения равновесия левой части стержня (при сечении
участка CD) следует:
N(Z3) = P – Ra > 0
Используя определение (2.4) для каждого из трёх участков определяем нормальные напряжения и строим
эпюру. Из закона Гука (2.2) определяем значения деформаций.
















