дз Марго (1021042)
Текст из файла
Федеральное государственное бюджетное учреждение высшего профессионального образования
Московский государственный технический университет имени Н.Э. Баумана (МГТУ им. Баумана)
ДОМАШНЕЕ ЗАДАНИЕ
ПО ДИСЦИПЛИНЕ «Технология и оборудование заготовительного производства»
Вариант №16
Выполнила: Зинова В.В.
Группа МТ3-79
Проверила: Винокурова М.Э.
Москва, 2016
-
Задание:
Для данного чертежа произвести анализ технологичности, выбрать вид заготовки и метод ее получения для двух типов производств: единичного и крупносерийного
2. Анализ технических требований и выявление технологических задач
На деталь заданы технические условия, невыполнение которых приведет к браку. При рассмотрении технических требований выявляют технологические задачи получения данной детали. Для этого выделяют наиболее ответственные поверхности, совокупность требований к которым определяет заключительные методы и маршрут обработки, необходимое технологическое оборудование, специфические требования к изготовлению детали требуют наличия в маршруте обработки соответствующих операций.
Исполнительные поверхности детали: Отверстие диаметром 30 мм, плоскости опоры: верхняя и нижняя.
Основные поверхности (поверхности, определяющие положение детали в сборочной единице, ее базы): 3отверстия диаметром 8, 7,9, 7,8
Вспомогательные поверхности определяют положение других деталей, присоединяемых к данной. Они служат базами присоединяемых деталей, так же, как и основные, часто объединяются в комплект баз. Комплектов вспомогательных баз бывает столько, сколько деталей присоединяется к данной. Деталь может иметь и лишь одну вспомогательную поверхность.
Назначение свободных поверхностей - завершить конструктивное оформление детали.
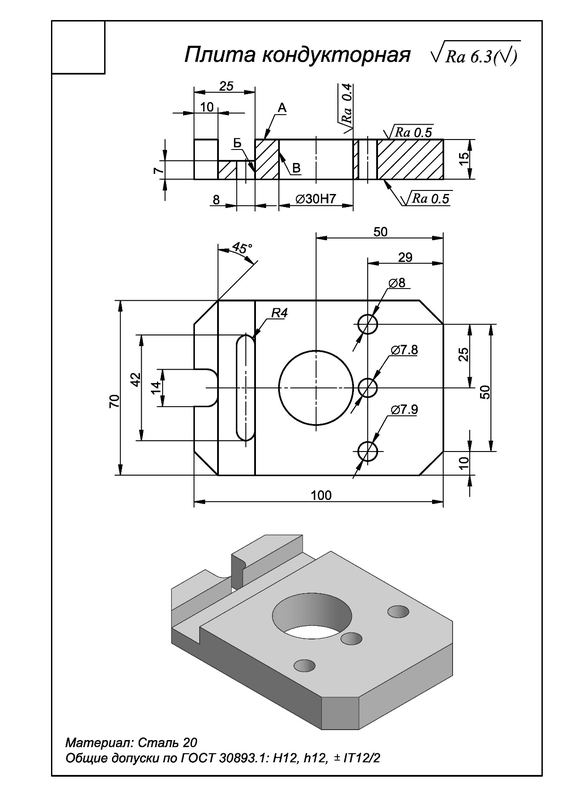
Анализ технологичности конструкции детали «Крышка».
Кондуктор предназначен для сверления без разметки отверстий под болты во фланцах судовых трубопроводов и других подобных деталях.
Кондуктор устанавливается на радиально-сверлильных станках.
Крышка представляет собой деталь класса корпус. Габаритные размеры детали 100х70х15. Имеет 4 сквозных отверстия различных диаметров: 30 мм, 8 мм, 7,9 мм, 7,8 мм. К отверстию диаметром 30 мм предъявляется повышенные требования к точности: Н7. С 1 стороны детали параллельно боковой поверхности на расстоянии 19 мм от нее нарезан сквозной паз глубиной 8 мм. В пазе расположено отверстие прямоугольной формы (42х8) со скругленными краями. С этой же стороны детали на боковой поверхности во взаимно перпендикулярной плоскости расположен паз глубиной 14 мм, расположен он на оси симметрии. Технологической базой является наружная поверхность детали.
3. Выбор заготовки
1. Материал, детали сталь 20. Стальные детали могут быть получены как литьем, так и обработкой давлением. Но сталь обладает значительно худшими литейными свойствами, чем чугун. Она имеет высокий процент усадки (от 2 до 5%), низкую жидкотекучесть и формозаполняемость.
2. Габаритные размеры и конфигурация детали. В данном случае корпусная деталь, она имеет относительно простую форму, которую рационально получить и литьем, и обработкой давлением
Корпусные детали со сложным профилем целесообразно получать методом литья. Заготовки, имеющие форму поверхностей вращения, рационально изготавливать из проката или штамповать, в зависимости от типа производства. При этом надо учитывать технологические возможности оборудования, необходимого для получения заготовки.
Выбранный способ получения заготовки, должен быть простым, дешевым и обеспечивать высокое качество детали.
Рассчитаем массу детали:
Выбор вида и метода изготовления заготовки.
Выбор вида заготовки осуществляется путем анализа чертежа детали по отдельным признакам.
Таблица 1
| Признак | Характеристика по признаку | Приоритетные виды заготовок |
| Форма детали | Простая | П,ПМ |
| Жидкотекучесть | Неуд | (О) |
| Свариваемость | Уд | СК |
| Пластичность | Уд | ОД, П |
| Обрабатываемость резанием | Уд | ПМ,П |
| Плотность материала | Обычная | Любой |
| Ориентированность структуры | Отсутствует | Любой |
| Удельная стоимость материала | Обычная | Любой |
| Ответственность | Обычная | Любой |
| Тип производства | Единичное/крупносерийное | П/ОД,ПМ,О, П |
Вывод: По результатам анализа таблицы 1 приходим к выводу, что предпочтительными видами заготовки являются прокат (для единичного и серийного производства)
Выбор метода изготовления заготовки (Серийное пр-во)
При выборе метода изготовления заготовки учитывают данные о конструкторско технологических параметрах детали.
Габариты детали: 100х70х15
Масса детали:
m= 0,54 кг
Конструктивные особенности детали : вид детали – корпус, присутствуют отверстия, паз.
Требумая точность и шероховатость:
Ra 6,2, квалитет 12
Тип производства –серийный, высота детали 15 мм
Вывод: выбираем прокат листовой горячекатанный.
Проектирование чертежа заготовки.
Заготовку будем изготовлять на пресс молотах.
Штамповка на кривошипных горячештамповочных прессах в закрытых штампах
Класс точности Т4
Группа стали М1 – сталь с массовой долей углерода до 0,35% включ. и суммарной массовой долей легирующих элементов до 2,0% включ.;
Масса поковки
Степень сложности заготовки С=
Исходный индекс поковки исходя из конструктивных характеристик поковки 7
Плоскость разьема –плоская
Класс точности Т2
Группа стали М2
Сложность С2
| № п/п | Ном. Размер | Основной припуск | Дополн. Припуск | Сумм. Припуск | Конечный размер | Допуск | Предельные отклонения | Итог |
| 1 | 15 | 1 | 0.2+0.3 | 1.5 | 16,5 | 0.9 | -0.3/+0.6 | 16,5-0.3/+0.6 |
| 2 | 70 | 1.1 | 0.2+0.3 | 1.6 | 71,6 | 1 | -0.3/+0.7 | 71,6-0.3/+0.7 |
| 3 | 100 | 1.1 | 0.2+0.3 | 1.6 | 101.6 | 1 | -0.3/+0.7 | 101,6-0.3/+0.7 |
| 4 | Ø30 | 1 | 0.2+0.3 | 1.5*2 | Ø 27 | 0.9 | -0.3/+0.6 | Ø 27-0.3/+0.6 |
| 5 | 7 | 1 | 0.2+0.3 | 1.5 | 8.5 | 0.9 | -0.3/+0.6 | 8.5-0.3/+0.6 |
| 6 | 10 | 1 | 0.2+0.3 | 1.5 | 11.5 | 0.9 | -0.3/+0.6 | 11.5-0.3/+0.6 |
| 7 | 15 | 1 | 0.2+0.3 | 1.5 | 13.5 | 0.9 | -0.3/+0.6 | 13.5-0.3/+0.6 |
| 8 | 14 | 1 | 0.2+0.3 | 1.5 | 12.5 | 0.9 | -0.3/+0.6 | 12.5-0.3/+0.6 |
Эскиз первой операции механической обработки
Характеристики
Тип файла документ
Документы такого типа открываются такими программами, как Microsoft Office Word на компьютерах Windows, Apple Pages на компьютерах Mac, Open Office - бесплатная альтернатива на различных платформах, в том числе Linux. Наиболее простым и современным решением будут Google документы, так как открываются онлайн без скачивания прямо в браузере на любой платформе. Существуют российские качественные аналоги, например от Яндекса.
Будьте внимательны на мобильных устройствах, так как там используются упрощённый функционал даже в официальном приложении от Microsoft, поэтому для просмотра скачивайте PDF-версию. А если нужно редактировать файл, то используйте оригинальный файл.
Файлы такого типа обычно разбиты на страницы, а текст может быть форматированным (жирный, курсив, выбор шрифта, таблицы и т.п.), а также в него можно добавлять изображения. Формат идеально подходит для рефератов, докладов и РПЗ курсовых проектов, которые необходимо распечатать. Кстати перед печатью также сохраняйте файл в PDF, так как принтер может начудить со шрифтами.
















