Методические указания для выполнения листов (1016891), страница 4
Текст из файла (страница 4)
Задача 1. Построить необходимое количество изображений детали.
Алгоритм решения задачи.
1. Распознать на сборочном чертеже по имеющимся изображениям внешние и внутренние формы детали. Для этого надо внимательно изучить сборочный чертеж и выявить все изображения заданной детали.
2. Выбрать количество изображений для данной детали (минимальное, но достаточное), которое бы давало полное представление о строении детали.
3. Выбрать расположение главного вида, опираясь на технологию изготовления детали. Например, для деталей изготовленных на токарном станке, на главном виде ось вращения располагается горизонтально.
4. Чертеж детали должен дать информацию, как о наружной поверхности
детали, так и о ее внутренней поверхности, это может быть достигнуто путем
совмещения части вида и части фронтального разреза, если деталь имеет ось симметрии.
5. Выбрать формат листа в зависимости от габаритных размеров, сложности
детали и масштаба изображения.
Задача 2. Проставить все необходимые размеры.
Алгоритм решения задачи.
1. В случае соединения части вида с частью соответствующего разреза размеры для внешних и внутренних форм располагают по разные стороны от оси симметрии.
2. Размеры внешних форм задают со стороны вида, а внутренних – со стороны разреза.
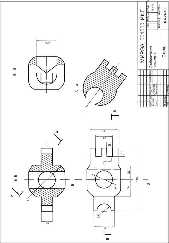
На рис. 1 представлен учебный чертеж детали, ограниченной поверхностями вращения.
Рис. 1
Задача 3. Оформление чертежа.
Алгоритм решения задачи.
1. Провести осевые линии.
2. Построить условное изображение резьбы в соответствии с ГОСТом.
3. Проставить обозначения разрезов, если это необходимо.
4. Заполнить основную надпись.
Пример выполнения этого задания см. Рис.6.
Рис. 2
Рис. 3
Рис. 4
Рис. 5
Рис. 6
Варианты индивидуальных заданий
Задание 1: Построение гранной поверхности
З
адание 2: Построение линии пересечения
Задание №3: Построение изображений предмета
















