АЦП_PM (1014655)
Текст из файла
6
А
ЦП
Таблица 1
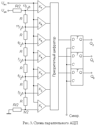
| Входное напряжение | Состояние компараторов | Выходы | ||||||||
| Uвх/h | К7 | К6 | К5 | К4 | К3 | К2 | К1 | Q2 | Q1 | Q0 |
| 0 1 2 3 4 5 6 7 | 0 0 0 0 0 0 0 1 | 0 0 0 0 0 0 1 1 | 0 0 0 0 0 1 1 1 | 0 0 0 0 1 1 1 1 | 0 0 0 1 1 1 1 1 | 0 0 1 1 1 1 1 1 | 0 1 1 1 1 1 1 1 | 0 0 0 0 1 1 1 1 | 0 0 1 1 0 0 1 1 | 0 1 0 1 0 1 0 1 |
Параметры АЦП
Таблица 3
| Наимено-вание | Разряд- ность бит | Число каналов | Внутрен- ний УВХ | Время преобр., мкс (част. пребр., МПс) | Интер- фейс | Внутрен- ний ИОН | Напряж. питания, В | Мощ- ность потр. мВт | Примечание |
| АЦП широкого применения | |||||||||
| 572ПВ1 | 12 | 1 | Нет | 110 | Парал. | Нет | +/-5:15 | 120 | Требуются внешние ОУ |
| 1108ПВ2 | 12 | 1 | Нет | 2 | Парал. | Есть | 5 ,-6 | 1300 | Последовательного приближения (ПП) |
| МАХ114 | 8 | 4 | Есть | 0,66 | Парал. | Нет | +/-5 | 40 | Двухступенчатый. Дежур. режим - 5 мкВт |
| AD7893 | 12 | 1 | Есть | 6 | Посл. | Нет | +/-5 | 30 | 8-выводной корпус. ПП |
| AD7882 | 16 | 1 | Есть | 2,5 | Парал. | Есть | +/- 5 | 200 | Автокалибровка, дежур. режим - 1 мВт |
| МАХ186 | 12 | 8 | Есть | 7,5 | Посл. | Есть | 5, +/- 5 | 7,5 | ПП. Дежур. режим - 10 мкВт |
| Микромощные АЦП | |||||||||
| 572ПВ3 | 8 | 1 | Нет | 7,5 | Парал. | Нет | 5 | 20 |
|
| МАХ1110 | 8 | 8 | Есть | 16 | Посл. | Есть | 2,7:5 | 0,7 | ПП. Дежур. режим - 5 мкВт |
| AD7888 | 12 | 8 | Есть | 5 | Посл. | Есть | 2,7:5 | 2 | ПП. Дежур. режим - 3 мкВт |
| МАХ195 | 16 | 1 | Есть | 9,4 | Посл. | Нет | +/- 5 | 80 | Автокалибровка, дежур. режим - 0,1 мВт |
| Быстродействующие АЦП | |||||||||
| 1107ПВ4 | 8 | 1 | Нет | 0,03 (100) | Парал. | Нет | +/-5, -5,2 | 3500 | Параллельный |
| AD9054 | 8 | 1 | Есть | (200) | Парал. | Есть | 5 | 500 | Параллельный, ТТЛ уровни выхода |
| МАХ104 | 8 | 1 | Есть | (1000) | Парал. | Нет | +/- 5 | 3500 | Параллельный, ЭСЛ уровни выхода |
| AD9070 | 10 | 1 | Есть | (100) | Парал. | Есть | -5 | 700 | Двухступенчатый, ЭСЛ уровни выхода |
| АD9224 | 12 | 1 | Есть | (40) | Парал. | Есть | 5 | 390 | Четырехступенчатый |
| AD9240 | 14 | 1 | Есть | (10) | Парал. | Есть | 5 | 280 | Четырехступенчатый. ТТЛ, КМОП уровни выхода |
| Интегрирующие АЦП | |||||||||
| 572ПВ5 | 3,510 | 1 | - | 12 пр/с | Парал. | Есть | 9 | 15 | Управление семисегментными ЖКИ |
| МАХ132 | 18 | 1 | - | 100 пр/с | Посл. | Нет | 5 | 0,6 | Многотактного интегрирования |
| AD7715 | 16 | 1 | - | 20...500 пр/с | Посл. | Нет | 3 или 5 | 3 | Сигма-дельта, автокалибровка. Усилитель с программируемым усилением. Нелин. не более 0,0015% |
| AD7714 | 24 | 3 | - | 10...1000 пр/с | Посл. | Нет | 3 или 5 | 2 | Сигма-дельта, автокалибровка. Усилитель с программируемым усилением. Нелин. не более 0,0015% |
| AD7722 | 16 | 1 | Нет | (0,22) | Посл. | Есть | 5 | 375 | Сигма-дельта, автокалибровка, скоростной |
| LTC2400 | 24 | 1 | - | - | Посл. | Нет | 2,7...5,5 | 1 | Сигма-дельта в 8-выв. корпусе. Нелинейность не более 0,0004%. 8-канальн. вариант - LTC2408 |
| AD1555 | 24 | 1 | Нет | (0,256) | Посл. | Нет | +/-5 | 90 | Сигма-дельта модулятор 4-го порядка. Динамический диапазон 121 дБ. Цифровой фильтр для него - AD1556 |
| ADS1211 | 24 | 4 | - | 1000 пр/с | Посл | Нет | +/-5 | 45 | Сигма-дельта, автокалибровка. Усилитель с программируемым усилением |
Характеристики
Тип файла документ
Документы такого типа открываются такими программами, как Microsoft Office Word на компьютерах Windows, Apple Pages на компьютерах Mac, Open Office - бесплатная альтернатива на различных платформах, в том числе Linux. Наиболее простым и современным решением будут Google документы, так как открываются онлайн без скачивания прямо в браузере на любой платформе. Существуют российские качественные аналоги, например от Яндекса.
Будьте внимательны на мобильных устройствах, так как там используются упрощённый функционал даже в официальном приложении от Microsoft, поэтому для просмотра скачивайте PDF-версию. А если нужно редактировать файл, то используйте оригинальный файл.
Файлы такого типа обычно разбиты на страницы, а текст может быть форматированным (жирный, курсив, выбор шрифта, таблицы и т.п.), а также в него можно добавлять изображения. Формат идеально подходит для рефератов, докладов и РПЗ курсовых проектов, которые необходимо распечатать. Кстати перед печатью также сохраняйте файл в PDF, так как принтер может начудить со шрифтами.
















