rpd000007660 (1011461), страница 3
Текст из файла (страница 3)
-
Практические занятия
-
Лабораторные работы
1.2.1. Исследование электрической цепи постоянного тока.(АЗ: 4, СРС: 8)
Форма организации: Лабораторная работа
1.3.1. Исследование электрической цепи переменного синусоидального тока.(АЗ: 4, СРС: 8)
Форма организации: Лабораторная работа
1.3.2. Исследование резонанса в электрической цепи переменного синусоидального тока.(АЗ: 4, СРС: 8)
Форма организации: Лабораторная работа
1.3.3. Исследование трехфазной электрической цепи переменного синусоидального тока.(АЗ: 4, СРС: 8)
Форма организации: Лабораторная работа
-
Типовые задания
Приложение 3
к рабочей программе дисциплины
«Электротехника и электрооборудование »
Прикрепленные файлы
Тесты к лабораторной работе № 2 одним файлом.doc
| ВАРИАНТ 1 | ОТВЕТЫ | ||||||
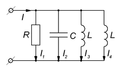
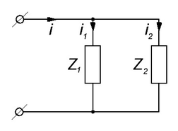
| 1 | Определить ток в неразветвленной части цепи I. I1 = 5 А, I2 = 10 А, I3 = 7 А, I4 = 8 А. | 1. 30 А | |||||
| 2. 5 А | |||||||
| 3. 7 А | |||||||
| 4. 18 А | |||||||
| 5. Другое | |||||||
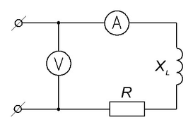
| 2 | Определите R и активную мощность P, если XL = 30 Ом, амперметр показывает 4 А, вольтметр 200 В. | 1. R = 30 Ом P = 800 Вт | |||||
| 2. R = 40 Ом P = 640 Вт | |||||||
| 3. R = 50 Ом P = 100 Вт | |||||||
| 4. R = 20 Ом P = 460 Вт | |||||||
| 5. Другое | |||||||
| 3 | Какой из треугольников мощностей или сопротивлений соответствует данной схеме: | 1. 1 | |||||
| 2. 2 | |||||||
| 3. 3 | |||||||
| 4. 4 | |||||||
| 4 | Дано: i1 = 4∙sin314∙t i2 = 3∙sin(314∙t +π/2). Определите i. 1. i = 7∙sin(314∙t +π/2) 2. i = 5∙sin(314∙t +370) 3. i = 4∙sin(314∙t +450) 4. i = 3∙sin(628∙t - 450) | 1. Вар. 1 | |||||
| 2. Вар. 2 | |||||||
| 3. Вар. 3 | |||||||
| 4. Вар. 4 | |||||||
| 5. Другое | |||||||
| 5 | Какая из диаграмм напряжений справедлива при последовательном соединении R, L и C, если XC > XL. | 1. Вар. 1 | |||||
| 2. Вар. 2 | |||||||
| 3. Вар. 3 | |||||||
| 4. Вар. 4 | |||||||
| ВАРИАНТ 2 | ОТВЕТЫ | |||||
| 1 | Дано: u1 = 50∙sin314∙t u2 = 50∙sin(314∙t +π/2). Определите u. 1. u = 71∙sin(314∙t +π/2) 2. u = 50∙sin(314∙t +370) 3. u = 71∙sin(314∙t +450) 4. u = 100∙sin(628∙t - 450) | 1. 1 | ||||
| 2. 2 | ||||||
| 3. 3 | ||||||
| 4. 4 | ||||||
| 5. Другое | ||||||
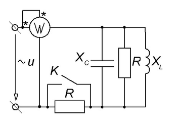
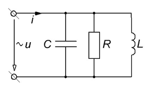
| 2 | Дано: U = 200 В, R = XL = XC = 40 Ом Определите показание ваттметра для двух положений ключа K: – ключ K разомкнут; – ключ K замкнут. | 1. 0,5 кВт 1 кВт | ||||
| 2. 1 кВт 0,5 кВт | ||||||
| 3. 0,5 кВт 1 кВт | ||||||
| 4. 0,25 кВт 0,33 кВт | ||||||
| 5. Другое | ||||||
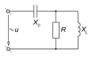
| 3 | Определите полное сопротивление цепи Z, если R = XL = XC = 10 Ом. | 1. 30 Ом | ||||
| 2. 15 Ом | ||||||
| 3. 12,25 Ом | ||||||
| 4. 10 Ом | ||||||
| 5. Другое | ||||||
| 4 | Чему равен угол сдвига напряжения относительно тока на входе цепи, состоящей из параллельно соединенных резистора (R) и конденсатора (XC), если R = 10 Ом, XC = 17,3 Ом. | 1. 450 | ||||
| 2. 600 | ||||||
| 3. 300 | ||||||
| 4. 00 | ||||||
| 5. Другое | ||||||
| 5 | Какая векторная диаграмма верна для схемы: | 1. 1 | ||||
| 2. 2 | ||||||
| 3. 3 | ||||||
| 4. 4 | ||||||
| 5. Другое | ||||||
| ВАРИАНТ 3 | ОТВЕТЫ | |||
| 1 | Определить закон изменения тока i, если u = 52 sin (ωt + 150) R = 3 Ом L = 1,7 мГ C = 121 мкФ f = 500 Гц | |||
| 2 | Определите угол сдвига напряжения относительно тока в индуктивной катушке, если напряжение на ее зажимах 100 В, потребляемая мощность 70,7 Вт при токе 1 А. | 1. 300 | ||
| 2. 450 | ||||
| 3. 600 | ||||
| 4. 900 | ||||
| 5. Другое | ||||
| 3 | Как суммируются мгновенные значения напряжений последовательно соединенных участков? 1 – арифметически 2 – алгебраически 3 - геометрически | 1. 1 | ||
| 2. 2 | ||||
| 3. 3 | ||||
| 4. Другое | ||||
| 4 | Вычислите активную мощность, потребляемую нагрузкой, если на ее зажимах: u = 80 sin (2512 t + 300) i = 2 sin (2512 t - 300) | 1. 160 Вт | ||
| 2. 80 Вт | ||||
| 3. 40 Вт | ||||
| 4. 10 Вт | ||||
| 5. Другое | ||||
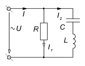
| 5 | Какая из диаграмм токов справедлива для изображенной цепи, если XL > XC | 1. 1 | ||
| 2. 2 | ||||
| 3. 3 | ||||
| 4. 4 | ||||
| 5. Другое | ||||
| ВАРИАНТ 4 | ОТВЕТЫ | ||
| 1 | Определить значение начальной фазы тока, если начальная фаза напряжения φu =300, а угол сдвига фаз между током и напряжением φ = – 600. | 1. 900 | |
| 2. -300 | |||
| 3. 300 | |||
| 4. -900 | |||
| 5. Другое | |||
| 2 | Указать векторную диаграмму при BC > BL | 1. 1 | |
| 2. 2 | |||
| 3. 3 | |||
| 4. 4 | |||
| 5. Другое | |||
| 3 | Указать векторную диаграмму для последовательного соединения R, L, C при XC = XL. | 1. 1 | |
| 2. 2 | |||
| 3. 3 | |||
| 4. 4 | |||
| 5. Другое | |||
| 4 | В цепь синусоидального переменного тока с напряжением U = 100 В включены последовательно катушка индуктивности с R = 6 Ом и XL = 12 Ом и идеальный конденсатор с XС = 4 Ом. Определить ток в цепи. | 1. 4 А | |
| 2. 10 А | |||
| 3. 8 А | |||
| 4. 0,6 А | |||
| 5. Другое | |||
| 5 | Указать вектор емкостного падения напряжения при последовательном соединении катушки индуктивности и идеального конденсатора. | 1. 1 | |
| 2. 2 | |||
| 3. 3 | |||
| 4. 4 | |||
| 5. 5 | |||
| ВАРИАНТ 5 | ОТВЕТЫ | ||
| 1 | Какое значение напряжения измеряет вольтметр электродинамической системы? 1 – мгновенное; 2 – действующее; 3 – среднее; 4 – амплитудное. | 1. 1 | |
| 2. 2 | |||
| 3. 3 | |||
| 4. 4 | |||
| 5. Другое | |||
| 2 | Определить действующее значение напряжения, изменяющееся по закону: u = 282 sin (314 t + 600) | 1. 160 В | |
| 2. 200 В | |||
| 3. 140 В | |||
| 4. 282 В | |||
| 5. Другое | |||
| 3 | В цепь синусоидального переменного тока с напряжением 120 В включены последовательно индуктивная катушка с R = 60 Ом и XL = 30 Ом и идеальный конденсатор с XС = 30 Ом. Определить ток в цепи. | 1. 1 А | |
| 2. 6 А | |||
| 3. 2 А | |||
| 4. 3 А | |||
| 5. Другое | |||
| 4 | Определить ток I, если: U = 60 В; XL = 30 Ом; XС = 40 Ом. | 1. 1 А | |
| 2. 0,5 А | |||
| 3. 1,5 А | |||
| 4. 2 А | |||
| 5. Другое | |||
| 5 | Какая из векторных диаграмм соответствует электрической цепи из последовательно соединенных резистора R, идеальных индуктивной катушки L и конденсатора С, если R = XL = XС. | 1. 1 | |
| 2. 2 | |||
| 3. 3 | |||
| 4. 4 | |||
| 5. Другое | |||
















