rpd000007660 (1011323), страница 7
Текст из файла (страница 7)
| ВАРИАНТ 19 | ОТВЕТЫ | |||
| 1 | В цепи синусоидального переменного тока i = 5 sin (314 t – 300) определить закон изменения напряжения u, если L = 0,02 Гн. | 1 – i = 31,4 sin (314 t + 900), 2 – i = 62,8 sin (314 t – 300), 3 – i = 31,4 sin (628 t + 300), 4 – i = 31,4 sin (3148 t + 600). | 1. 1 | |
| 2. 2 | ||||
| 3. 3 | ||||
| 4. 4 | ||||
| 5. Другое | ||||
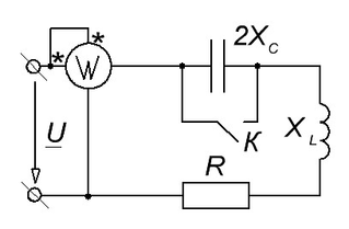
| 2 | Определить показания ваттметра для двух положений ключа 1 – ключ разомкнут, 2 – ключ замкнут, если: U = 180 В, XL = XC = R = 30 Ом. | 1. | ||
| 2. | ||||
| 3. | ||||
| 4. | ||||
| 5. Другое | ||||
| 3 | Определите полное сопротивление цепи Z, состоящей из последовательно соединенных конденсатора C = 66 мкФ и резистора с сопротивлением R = 6 Ом при частоте f = 400 Гц. | 1. 6 Ом | ||
| 2. 8,5 Ом | ||||
| 3. 10 Ом | ||||
| 4. 3 Ом | ||||
| 5. Другое | ||||
| 4 | На зажимах однофазного потребителя измерены: U = 120 В, I = 10 А, P = 960 Вт. Определите cos φ. | 1. 0 | ||
| 2. 0,3 | ||||
| 3. 0,6 | ||||
| 4. 0,8 | ||||
| 5. Другое | ||||
| 5 | Чему равна индуктивность катушки L, если при включении в сеть переменного синусоидального тока с напряжением U = 200 В и частотой f = 50 Гц в катушке был замерен ток I = 4 А, а при включении в сеть постоянного тока с напряжением U = 200 В, был замерен ток I = 5 А. | 1. 0,1 Гн | ||
| 2. 0,2 Гн | ||||
| 3. 0,3 Гн | ||||
| 4. 0,5 Гн | ||||
| 5. Другое | ||||
| ВАРИАНТ 20 | ОТВЕТЫ | ||
| 1 | Определить действующее значение напряжения, изменяющегося по закону u = 311 sin (314·t + 450). | 1. 127 В | |
| 2. 380 В | |||
| 3. 220 В | |||
| 4. 250 В | |||
| 5. Другое | |||
| 2 | В цепи синусоидального переменного тока определить показания ваттметра, если: U = 100 В, XL = XC = R = 5 Ом. | 1. 500 Вт | |
| 2. 100 Вт | |||
| 3. 200 Вт | |||
| 4. 300 Вт | |||
| 5. Другое | |||
| 3 | В цепи синусоидального переменного тока с Uab = 50 В, R = XL = XC = 100 Ом. Определить ток I. | 1. 0,3 А | |
| 2. 0,5 А | |||
| 3. 0,2 А | |||
| 4. 1 А | |||
| 5. Другое | |||
| 4 | Какое из приведенных выражений для цепи однофазного синусоидального тока, состоящей из последовательного соединенных R, L и C верно: 1 – u = uR – uL – uC 2 – U = UR + UL + UC 3 – U = UR + UL – UC 4 – Um = UmR – UmL – UmC | 1. 1 | |
| 2. 2 | |||
| 3. 3 | |||
| 4. 4 | |||
| 5 | Определить ток в резисторе при параллельном соединении резистора и идеального конденсатора, если ток в конденсаторе 15 мА, а на неразветвленном участке цепи 25 мА. | 1. 12,5 мА | |
| 2. 20 мА | |||
| 3. 40 мА | |||
| 4. 10 мА | |||
| 5. Другое | |||
| ВАРИАНТ 21 | ОТВЕТЫ | |||
| 1 | Какое из приведенных соотношений для цепи синусоидального переменного тока содержит ошибку? | 1. 1 | ||
| 2. 2 | ||||
| 3. 3 | ||||
| 4. 4 | ||||
| 2 | Какое значение напряжения измеряет вольтметр электромагнитной системы? 1 – мгновенное; 2 – действующее; 3 – среднее; 4 – амплитудное. | 1. 1 | ||
| 2. 2 | ||||
| 3. 3 | ||||
| 4. 4 | ||||
| 5. Другое | ||||
| 3 | Указать векторную диаграмму для последовательного соединения R, L, C при XC = XL. | 1. 1 | ||
| 2. 2 | ||||
| 3. 3 | ||||
| 4. 4 | ||||
| 5. Другое | ||||
| 4 | Определить напряжение UL, если: UR =30 В, UC = 20 В, U = 50 В, XL > XC. | 1. 90 В | ||
| 2. 80 В | ||||
| 3. 110 В | ||||
| 4. 60 В | ||||
| 5. Другое | ||||
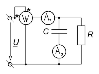
| 5 | Определить величины сопротивлений R и XC, если приборы показывают: P = 80 Вт, I1 =5 А, I2 = 3 А. | 1. 6 Ом 8 Ом | ||
| 2. 5 Ом 6,7 Ом | ||||
| 3. 6,7 Ом 5 Ом | ||||
| 4. 8 Ом 6 Ом | ||||
| 5. Другое | ||||
| ВАРИАНТ 22 | ОТВЕТЫ | |||
| 1 | Укажите формулу расчета активной мощности цепи синусоидального переменного тока. 1 – u∙i 2 – U∙I 3 – U∙I∙cos φ 4 – U∙I∙sin φ | 1. 1 | ||
| 2. 2 | ||||
| 3. 3 | ||||
| 4. 4 | ||||
| 5. Другое | ||||
| 2 | Как расположен на векторной диаграмме при резонансе напряжений вектор напряжения на емкости относительно вектора тока? 1 – совпадает с I 2 – отстает от I на π/2 3 – опережает I на π/2 4 – опережает от I на π/4 | 1. 1 | ||
| 2. 2 | ||||
| 3. 3 | ||||
| 4. 4 | ||||
| 5. Другое | ||||
| 3 | Определить величину тока при последовательном соединении катушки индуктивности и идеального конденсатора, если: U = 120 В, XL = XC = RK = 24 Ом. | 1. 12 А | ||
| 2. 10 А | ||||
| 3. 6 А | ||||
| 4. 5 А | ||||
| 5. Другое | ||||
| 4 | Укажите на диаграмме, построенной для цепи с параллельным соединением катушки и идеального конденсатора, вектор тока в ветви с емкостью. | 1. 1 | ||
| 2. 2 | ||||
| 3. 3 | ||||
| 4. 4 | ||||
| 5. 5 | ||||
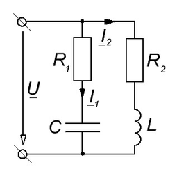
| 5 | Какая векторная диаграмма соответствует схеме: | 1. 1 | ||
| 2. 2 | ||||
| 3. 3 | ||||
| 4. 4 | ||||
















