rpd000007660 (1011054), страница 8
Текст из файла (страница 8)
| ВАРИАНТ 26 | ОТВЕТЫ | ||||
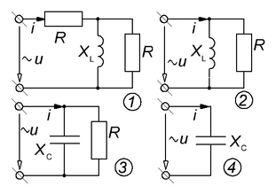
| 1 | Для какой из электрических цепей справедливы изображенные графики мгновенных значений i(t) и u(t)? | 1. 1 | |||
| 2. 2 | |||||
| 3. 3 | |||||
| 4. 4 | |||||
| 2 | Определить полное сопротивление цепи, если: XL = R = 8 Ом. | 1. 4 Ом | |||
| 2. 16 Ом | |||||
| 5. Другое | |||||
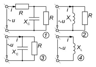
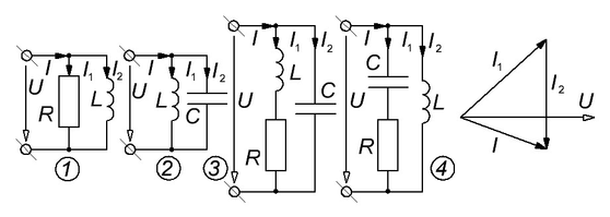
| 3 | Какая цепь соответствует изображенной векторной диаграмме? | 1. 1 | |||
| 2. 2 | |||||
| 3. 3 | |||||
| 4. 4 | |||||
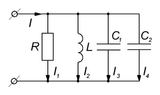
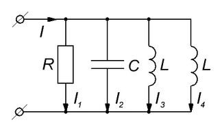
| 4 | Определить ток в неразветвленной части цепи I, если: I1 = 5 А, I2 = 10 А, I3 = 6 А, I4 = 8 А. | ||||
| 3. 20 А | |||||
| 5. Другое | |||||
| 5 | В результате расчета комплексы напряжения и тока потребителя имеют выражения: U = 100∙ej90 [B], I = 5∙ej60 [A] Определить реактивную мощность цепи. | 1. 500 вар | |||
| 2. 250 вар | |||||
| 3. 325 вар | |||||
| 4. 400 вар | |||||
| 5. Другое | |||||
| ВАРИАНТ 27 | ОТВЕТЫ | ||||
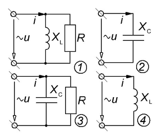
| 1 | Для какой из электрических цепей справедливы изображенные графики мгновенных значений i(t) и u(t)? | 1. 1 | |||
| 2. 2 | |||||
| 3. 3 | |||||
| 4. 4 | |||||
| 2 | Определить полное сопротивление цепи, если: XL = R = 10 Ом. | 1. 5 Ом | |||
| 2. 10 Ом | |||||
| 5. Другое | |||||
| 3 | Какая цепь соответствует изображенной векторной диаграмме? | 1. 1 | |||
| 2. 2 | |||||
| 3. 3 | |||||
| 4. 4 | |||||
| 4 | Определить ток в неразветвленной части цепи I, если: I1 = 6 А, I2 = 12 А, I3 = 3 А, I4 = 1 А. | 1. 6 А | |||
| 2. 22 А | |||||
| 3. 10 А | |||||
| 5. Другое | |||||
| 5 | В результате расчета комплексы напряжения и тока потребителя имеют выражения: U = 60∙ej120 [B], I = 3∙ej90 [A] Определить реактивную мощность цепи. | 1. 45 вар | |||
| 2. 180 вар | |||||
| 3. 90 вар | |||||
| 4. 70 вар | |||||
| 5. Другое | |||||
| ВАРИАНТ 28 | ОТВЕТЫ | |||
| 1 | Для какой из электрических цепей справедливы изображенные графики мгновенных значений i(t) и u(t)? | 1. 1 | ||
| 2. 2 | ||||
| 3. 3 | ||||
| 4. 4 | ||||
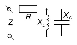
| 2 | Определить полное сопротивление цепи, если: XL = XС =R = 10 Ом. | 1. 0 Ом | ||
| 2. 30 Ом | ||||
| 3. ∞ Ом | ||||
| 4. 15 Ом | ||||
| 5. Другое | ||||
| 3 | Какой характер нагрузки имеет цепь переменного тока, у которой ток и напряжение записаны в виде: I = 5 + j5 А, U = 50 – j50 В. 1 – активный, 2 – индуктивный, 3 – емкостной, 4 – активно-емкостной. | 1. 1 | ||
| 2. 2 | ||||
| 3. 3 | ||||
| 4. 4 | ||||
| 5. Другое | ||||
| 4 | Мгновенное значение тока в цепи i = 100 sin (ω∙t) А. Определить среднее значение за половину периода. | 1. 100 В | ||
| 2. 50 В | ||||
| 3. 63,7 В | ||||
| 4. 70,7 В | ||||
| 5. Другое | ||||
| 5 | В результате расчета комплексы напряжения и тока потребителя имеют выражения: U = 120∙ej100 [B], I = 5∙ej70 [A] Определить реактивную мощность цепи. | 1. 600 вар | ||
| 2. 300 вар | ||||
| 3. 520 вар | ||||
| 4. 400 вар | ||||
| 5. Другое | ||||
| ВАРИАНТ 29 | ОТВЕТЫ | ||||
| 1 | Определить величину U, если: I = 2,82 А, R = XC = 14,65 Ом. | 1. 20, 4 В | |||
| 2. 41,3 В | |||||
| 3. 29,3 В | |||||
| 4. 82,6 В | |||||
| 5. Другое | |||||
| 2 | Как изменится полная проводимость цепи из параллельно соединенных сопротивления R и конденсатора С, если емкость увеличить? 1 – не изменится, 2 – уменьшится, 3 – увеличится. | 1. 1 | |||
| 2. 2 | |||||
| 3. 3 | |||||
| 3 | Какая из векторных диаграмм справедлива для изображенной цепи? | 1. 1 | |||
| 2. 2 | |||||
| 3. 3 | |||||
| 4. 4 | |||||
| 4 | Вычислите абсолютное значение реактивной проводимости цепи, если: R = 8,67 Ом, XL = 5 Ом, | 1. 0,5 | |||
| 2. 0,7 | |||||
| 3. 0,9 | |||||
| 4. 1,4 | |||||
| 5. Другое | |||||
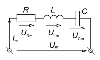
| 5 | Не определяя всех параметров цепи, найти R и φ, если: Um = 100 В, Im = 4 А, ULm = 80 В, UCm = 20 В. | 1. 20 Ом 600 | |||
| 2. 20 Ом 370 | |||||
| 3. 15 Ом 600 | |||||
| 4. 30 Ом 530 | |||||
| 5. Другое | |||||
| ВАРИАНТ 30 | ОТВЕТЫ | ||
| 1 | Приняв точку 01 за начало отсчета, указать выражение для мгновенных значений напряжения, если частота переменного тока 50 Гц. 1 – u = 300∙sin(314∙t – π), 2 – u = 300∙sin(314∙t + π), 4 – u = 300∙sin(50∙t – π) | 1. 1 | |
| 2. 2 | |||
| 3. 3 | |||
| 4. 4 | |||
| 5. Другое | |||
| 2 | Определить полное сопротивление цепи, если: XС = R = 5 Ом. | ||
| 2. 10 Ом | |||
| 3. 2,5 Ом | |||
| 5. Другое | |||
| 3 | Как изменится период, если частота переменного тока увеличится в 10 раз? 1 – уменьшится в 5 раз, 2 – увеличится в 5 раз, 3 – уменьшится в 10 раз, 4 – увеличится в 10 раз. | 1. 1 | |
| 2. 2 | |||
| 3. 3 | |||
| 4. 4 | |||
| 5. Другое | |||
| 4 | Токи двух параллельных ветвей цепи переменного тока сдвинуты по фазе на полпериода, а амплитуды их равны по 5 А. Определить ток в проводах к этому разветвлению. | 1. 10 А | |
| 2. 0 А | |||
| 3. 2,5 А | |||
| 5. Другое | |||
| 5 | В результате расчета комплексы напряжения и тока потребителя имеют выражения: U = 120∙ej100 [B], I = 5∙ej70 [A] Определить реактивную мощность цепи. | 1. 90 вар | |
| 2. 120 вар | |||
| 3. 300 вар | |||
| 4. 600 вар | |||
| 5. Другое | |||
















