rpd000007660 (1011054), страница 6
Текст из файла (страница 6)
| ВАРИАНТ 16 | ОТВЕТЫ | ||||
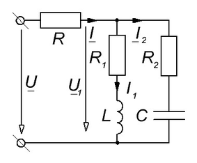
| 1 | Определить показание прибора, если: U = 10 В, XL = XC = R = 5 Ом. | 1. 10 Вт | |||
| 2. 15 Вт | |||||
| 3. 20 Вт | |||||
| 4. 50 Вт | |||||
| 5. Другое | |||||
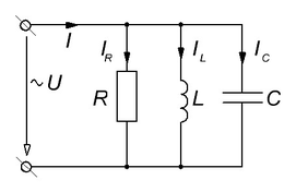
| 2 | Определить ток I, если: U = 10 В, I1 = 0,6 А, I2 = 0,8 А. | 1. 0, 36 А | |||
| 2. 1 А | |||||
| 3. 1,4 А | |||||
| 4. 0,64 А | |||||
| 5. Другое | |||||
| 3 | В цепи синусоидального переменного тока с напряжением u = 100 sin (628 t + 1200) определить частоту подводимого напряжения. | 1. 100 Гц | |||
| 2. 200 Гц | |||||
| 3. 50 Гц | |||||
| 4. 160 Гц | |||||
| 5. Другое | |||||
| 4 | Определить начальную фазу тока, если начальная фаза напряжения 600, а угол сдвига фаз между током и напряжением φ = - 450. | 1. - 1050 | |||
| 2. 1050 | |||||
| 3. 150 | |||||
| 4. - 150 | |||||
| 5. Другое | |||||
| 5 | Какая из векторных диаграмм соответствует данной цепи, если: R1 = R2 =XL = XC. | 1. 1 | |||
| 2. 2 | |||||
| 3. 3 | |||||
| 4. 4 | |||||
| 5. Другое | |||||
| ВАРИАНТ 17 | ОТВЕТЫ | ||
| 1 | Определить подводимое напряжение, если при последовательном соединении катушки индуктивности и конденсатора в цепи ток I = 1 А и XL = XC = R = 12 Ом. | 1. 8 В | |
| 2. 12 В | |||
| 3. 24 В | |||
| 4. 10 В | |||
| 5. Другое | |||
| 2 | Указать формулу расчета емкостной проводимости участка цепи при последовательном соединении емкости C и резистора R: | 1. 1 | |
| 2. 2 | |||
| 3. 3 | |||
| 4. 4 | |||
| 5. Другое | |||
| 3 | Определить величину подводимого напряжения при последовательном соединении идеальных катушки индуктивности, резистора и конденсатора, если UL = UC = UR = 50 В. | 1. 50 В | |
| 2. 100 В | |||
| 3. 150 В | |||
| 4. 75 В | |||
| 5. Другое | |||
| 4 | Указать вектор подводимого напряжения при последовательном соединении катушки индуктивности и конденсатора: | 1. 1 | |
| 2. 2 | |||
| 3. 3 | |||
| 4. 4 | |||
| 5. 5 | |||
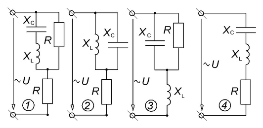
| 5 | В какой из схем возможен резонанс токов? | 1. 1 | |
| 2. 2 | |||
| 3. 3 | |||
| 4. 4 | |||
| ВАРИАНТ 18 | ОТВЕТЫ | |||||
| 1 | Определить XL, XC и R, если: I = 10 А, IL = 10 А, IC = 5 А, P = 800 Вт. | 1. | ||||
| 2. | ||||||
| 3. | ||||||
| 4. | ||||||
| 5. Другое | ||||||
| 2 | Определите полное сопротивление цепи Z, состоящей из трех последовательно соединенных сопротивлений, если известны для каждого из них угол φ и полное сопротивление: Z1 = 4 Ом, φ1 = 0; Z2 = 10 Ом, φ2 = -370; Z3 = 22 Ом, φ3 = 900. | 1. 5 Ом | ||||
| 2. 7,5 Ом | ||||||
| 3. 20 Ом | ||||||
| 4. 36 Ом | ||||||
| 5. Другое | ||||||
| 3 | Определить полную проводимость цепи, если: ω = 103 рад·с-1, R1 = 10 Ом, R2 = 5 Ом, L = 10 мГн, C = 500 мкФ. | 1. 0,1 См | ||||
| 2. 0,4 См | ||||||
| 3. 0,5 См | ||||||
| 4. 1 См | ||||||
| 5. Другое | ||||||
| 4 | В цепи синусоидального переменного тока с напряжением u = 100 sin (314 t + 300) определить закон изменения тока i, если R = 10 Ом, L = 27,5 мГн. | 1 – i = 20 sin (314 t + 900), 2 – i = 10 sin (314 t – 300), 3 – i = 15 sin (314 t + 300), 4 – i = 10 sin (628 t + 600). | 1. 1 | |||
| 2. 2 | ||||||
| 3. 3 | ||||||
| 4. 4 | ||||||
| 5. Другое | ||||||
| 5 | Какая из диаграмм токов справедлива для изображенной цепи, если XC > XL. | 1. 1 | ||||
| 2. 2 | ||||||
| 3. 3 | ||||||
| 4. 4 | ||||||
| ВАРИАНТ 19 | ОТВЕТЫ | |||
| 1 | В цепи синусоидального переменного тока i = 5 sin (314 t – 300) определить закон изменения напряжения u, если L = 0,02 Гн. | 1 – i = 31,4 sin (314 t + 900), 2 – i = 62,8 sin (314 t – 300), 3 – i = 31,4 sin (628 t + 300), 4 – i = 31,4 sin (3148 t + 600). | 1. 1 | |
| 2. 2 | ||||
| 3. 3 | ||||
| 4. 4 | ||||
| 5. Другое | ||||
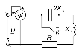
| 2 | Определить показания ваттметра для двух положений ключа 1 – ключ разомкнут, 2 – ключ замкнут, если: U = 180 В, XL = XC = R = 30 Ом. | 1. | ||
| 2. | ||||
| 3. | ||||
| 4. | ||||
| 5. Другое | ||||
| 3 | Определите полное сопротивление цепи Z, состоящей из последовательно соединенных конденсатора C = 66 мкФ и резистора с сопротивлением R = 6 Ом при частоте f = 400 Гц. | 1. 6 Ом | ||
| 2. 8,5 Ом | ||||
| 3. 10 Ом | ||||
| 4. 3 Ом | ||||
| 5. Другое | ||||
| 4 | На зажимах однофазного потребителя измерены: U = 120 В, I = 10 А, P = 960 Вт. Определите cos φ. | 1. 0 | ||
| 2. 0,3 | ||||
| 3. 0,6 | ||||
| 4. 0,8 | ||||
| 5. Другое | ||||
| 5 | Чему равна индуктивность катушки L, если при включении в сеть переменного синусоидального тока с напряжением U = 200 В и частотой f = 50 Гц в катушке был замерен ток I = 4 А, а при включении в сеть постоянного тока с напряжением U = 200 В, был замерен ток I = 5 А. | 1. 0,1 Гн | ||
| 2. 0,2 Гн | ||||
| 3. 0,3 Гн | ||||
| 4. 0,5 Гн | ||||
| 5. Другое | ||||
| ВАРИАНТ 20 | ОТВЕТЫ | ||
| 1 | Определить действующее значение напряжения, изменяющегося по закону u = 311 sin (314·t + 450). | 1. 127 В | |
| 2. 380 В | |||
| 3. 220 В | |||
| 4. 250 В | |||
| 5. Другое | |||
| 2 | В цепи синусоидального переменного тока определить показания ваттметра, если: U = 100 В, XL = XC = R = 5 Ом. | 1. 500 Вт | |
| 2. 100 Вт | |||
| 3. 200 Вт | |||
| 4. 300 Вт | |||
| 5. Другое | |||
| 3 | В цепи синусоидального переменного тока с Uab = 50 В, R = XL = XC = 100 Ом. Определить ток I. | 1. 0,3 А | |
| 2. 0,5 А | |||
| 3. 0,2 А | |||
| 4. 1 А | |||
| 5. Другое | |||
| 4 | Какое из приведенных выражений для цепи однофазного синусоидального тока, состоящей из последовательного соединенных R, L и C верно: 1 – u = uR – uL – uC 2 – U = UR + UL + UC 3 – U = UR + UL – UC 4 – Um = UmR – UmL – UmC | 1. 1 | |
| 2. 2 | |||
| 3. 3 | |||
| 4. 4 | |||
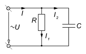
| 5 | Определить ток в резисторе при параллельном соединении резистора и идеального конденсатора, если ток в конденсаторе 15 мА, а на неразветвленном участке цепи 25 мА. | 1. 12,5 мА | |
| 2. 20 мА | |||
| 3. 40 мА | |||
| 4. 10 мА | |||
| 5. Другое | |||
















