Резанье Дз1 (1005783), страница 2
Текст из файла (страница 2)
Коэффициент Kобсл характеризует время на обслуживание станка. По нормативам для токарно-винторезных станков Kобсл = 0,035.
Коэффициент Kотд характеризует затраты времени на отдых и личные надобности рабочего. По нормативам Kотд = 0,06 при ручной смене заготовок массой до 50 кг
Поскольку за период стойкости обрабатывается Kз заготовок, время на смену инструмента, приходящееся на одну заготовку, будет составлять
tсм - время, затрачиваемое на смену резца или поворот многогранной пластины, т. е. вспомогательное время может быть выражено как
. В слагаемом tо с помощью коэффициента учитываются все временные вспомогательные затраты при обработке одной заготовки (исключая время на смену инструмента) в долях основного технологического времени tо.
По нормативным данным для токарно-винторезных станков = 0,56. Таким образом, формула для расчета штучного времени принимает вид:
формула для расчета штучного времени принимает вид:
мин
Время на смену резца или поворот многогранной пластины при работе на токарном станке по нормативам составляет от 0,5 до 1 мин. Будем условно принимать, что tсм = 0,5 мин.
Сменная выработка Н равна:
где Тсм — продолжительность смены, можно принять 480 мин.
Сменный расход инструмента (количество необходимых СМП в смену) И определяют по формуле:
— коэффициент случайной убыли, обычно принимают = 1,2
Z
= 5 - количество режущих вершин пластины
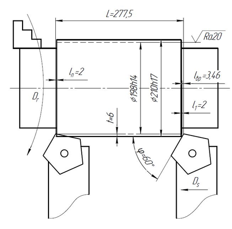
Режим резания:
| V, м/мин |
|
| S, мм/об | 0,59 |
| t, мм | 6 |
| n, об/мин | 143 |
| to, мин | 2,51 |
| tшт, мин | 4,33 |
6
















