Вопрос есть в коллекциях
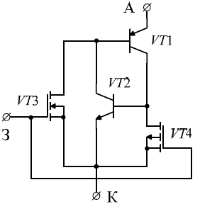
Система управления каким устройством изображена на рисунке? ![]()

- Регулятором-стабилизатором постоянного тока непрерывного действия
- Регулятором-стабилизатором напряжения с тиристорным переключением отпаек
- Регулятором-стабилизатором напряжения с компенсатором реактивной мощности
- Регулятором постоянного тока
Мediator
shalenysh






























iFate









































