Ответ на вопрос по схемотехнике №19946: 6. Определить модуль пересчета М =?, при К0=0, К1=0, К2=0, К3=1 6. Определить модуль пересчета М =?, при К0=0, К1=0, - Ответ на вопрос по схемотехнике №199466. Определить модуль пересчета М =?, при К0=0, К1=0, - Ответ на вопрос по схемотехнике №19946
2024-02-032024-02-03СтудИзба
6. Определить модуль пересчета М =?, при К0=0, К1=0, - Ответ на вопрос по схемотехнике №19946
-47%
Вопрос
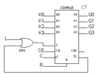
6. Определить модуль пересчета М =?, при К0=0, К1=0, К2=0, К3=1
Ответ

Если нужен другой вариант работы или отдельная задача из любой работы, пишите в комментарии

















