Ответ на вопрос по схемотехнике №141737: Укажите рабочую полярность входного сигнала логарифмического преобразователя Укажите рабочую полярность входного сигнала - Ответ на вопрос по схемотехнике №141737Укажите рабочую полярность входного сигнала - Ответ на вопрос по схемотехнике №141737
2024-09-172024-09-17СтудИзба
Укажите рабочую полярность входного сигнала - Ответ на вопрос по схемотехнике №141737
Вопрос
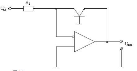
Укажите рабочую полярность входного сигнала логарифмического преобразователя
Ответ

Если нужен другой вариант работы или отдельная задача из любой работы, пишите в комментарии

















